Cos'è ElectroYou | Login Iscriviti

ElectroYou - la comunità dei professionisti del mondo elettrico

regolatore fotovoltaico con PIC e mosfet

Tipologie, strumenti di sviluppo, hardware e progetti

Moderatore: Foto UtentePaolino

0
voti

[11] Re: regolatore fotovoltaico con PIC e mosfet

Messaggioda Foto Utentepin32 » 7 dic 2012, 15:28

grazie per la risposta.

sapresti consigliarmi sulla scelta, ossia ti viene in mente qualche sigla?

grazie


pino
Avatar utente
Foto Utentepin32
16 4
New entry
New entry
 
Messaggi: 57
Iscritto il: 25 ott 2012, 21:03

0
voti

[12] Re: regolatore fotovoltaico con PIC e mosfet

Messaggioda Foto UtenteTardoFreak » 7 dic 2012, 16:22

Purtroppo no.

sorry
"La follia sta nel fare sempre la stessa cosa aspettandosi risultati diversi".
"Parla soltanto quando sei sicuro che quello che dirai è più bello del silenzio".
Rispondere è cortesia, ma lasciare l'ultima parola ai cretini è arte.
Avatar utente
Foto UtenteTardoFreak
73,9k 8 12 13
-EY Legend-
-EY Legend-
 
Messaggi: 15754
Iscritto il: 16 dic 2009, 11:10
Località: Torino - 3° pianeta del Sistema Solare

0
voti

[13] Re: regolatore fotovoltaico con PIC e mosfet

Messaggioda Foto Utentepin32 » 9 dic 2012, 13:52

salve.
ho un dubbio: ma lavorando low-side con i (mosfet) ho bisogno comunque di componenti ad alta tensione? (150v)
probabilmente si ma ho dei dubbi, nel caso un IRL540 andrebbe bene?

ciao

pino
Avatar utente
Foto Utentepin32
16 4
New entry
New entry
 
Messaggi: 57
Iscritto il: 25 ott 2012, 21:03

0
voti

[14] Re: regolatore fotovoltaico con PIC e mosfet

Messaggioda Foto Utentepin32 » 16 dic 2012, 16:40

Scusatemi ma con con questi componenti sto a 0.
Un aiutino per favore

Pino
Avatar utente
Foto Utentepin32
16 4
New entry
New entry
 
Messaggi: 57
Iscritto il: 25 ott 2012, 21:03

0
voti

[15] Re: regolatore fotovoltaico con PIC e mosfet

Messaggioda Foto UtenteAOX » 16 dic 2012, 17:32

Con quelle tensioni e correnti io proteggerei di più quel povero pin di I/O del PIC. Possono arrivare dal drain indietro sul gate delle cose inaspettate che fanno secco il PIC anche se il carico non sarà prevalentemente induttivo. Un driver in mezzo costa troppo visto che si parla di una certa corrente? Il PIC ha abbastanza corrente per commutare a frequenze, penso elevate, il gate? E poi applichi secco il PWM tra il fornitore di energia (celle) e la batteria? Non si usano le bobine nei PWM del fotovoltaico? E' pur sempre uno switching o mi sbaglio? E la curva SOA del singolo povero mosfet come è compatibile con 100V 20A? Hai provato il circuito solo sul gate o hai già attacato i 100V e la batteria magari scarica?
Scusa le domande ma non ho particolari esperienze sul fotovoltaico e potrei anche aver detto stupidaggini.
Avatar utente
Foto UtenteAOX
3.555 2 6 11
Master EY
Master EY
 
Messaggi: 232
Iscritto il: 20 mar 2011, 12:29

0
voti

[16] Re: regolatore fotovoltaico con PIC e mosfet

Messaggioda Foto Utentepin32 » 20 dic 2012, 14:12




salve grazie per le risposte.

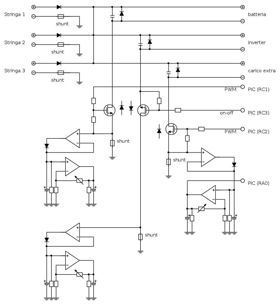
è mia intenzione realizzare questo circuito (ovviamente è ancora una bozza da elaborare), i mosfet raffigurati sono da intendere come un parallelo di più mosfet.
inizialmente avevo pensato di usare dei mosfet logic level (con vgs di 5v) per semplificare il circuito, ma andando avanti mi sono reso conto che forse è meglio usare dei driver per pilotare un parallelo di mosfet.
mi trovo in casa un discreto numero di irfb4110 e quindi mi vorrei orientare verso questi componenti.

mi sapreste consigliare un driver adatto ho visto il max 626 (in versione con ingresso invertente e non) opppure ir2111 (con pilotaggio sia low che high) ma chiedo lumi in merito.

grazie
Avatar utente
Foto Utentepin32
16 4
New entry
New entry
 
Messaggi: 57
Iscritto il: 25 ott 2012, 21:03

0
voti

[17] Re: regolatore fotovoltaico con PIC e mosfet

Messaggioda Foto UtenteLelettrico » 20 dic 2012, 15:55

Difficile dire in quanto dipende da cosa effettivamente vuoi fare. Si potrebbe dire bene irfb4110 che e' da record (370 W a 25 gradi) meno bene il 626 che se guardi il DS e calcoli per f=100 kHz e VDD 18 andrebbe a dissipare quasi un watt con 3 MOS ( 30nF). Certo se swinghi una volta sola ogni tot secondi non costituisce un problema, se commuti in continua (come una sorta di PWM) il 626 consentirebbe una sola GS. Analogo e' il 2121.
Avatar utente
Foto UtenteLelettrico
2.458 1 4 6
Master
Master
 
Messaggi: 1108
Iscritto il: 13 set 2010, 12:24

0
voti

[18] Re: regolatore fotovoltaico con PIC e mosfet

Messaggioda Foto Utentepin32 » 20 dic 2012, 20:59

grazie mille Lelettrico per la risposta.

secondo te è meglio ridurre la capacità di gate (cambiare mosfet) o si può optare per altri tipi di driver o altro tipo di pilotaggio (per esempio pushpull).

esattamente dovrei gestire una dozzina di pannelli solari (circa 60 A) per la ricarica di un banco di batterie da 48V (24 elementi da 2V 400Ah) in PWM, contemporaneamente dirottare l'eventuale energia superflua su di un altro carico (sempre in PWM), nei test che sto facendo uso una frequenza di circa 16 kHz.

in teoria potrei usare un solo mosfet per ramo vista la potenza, ma non so se è conveniente...

ti chiedo di aiutarmi ad imbroccare la via giusta. O_/ O_/ O_/

grazie mille
Avatar utente
Foto Utentepin32
16 4
New entry
New entry
 
Messaggi: 57
Iscritto il: 25 ott 2012, 21:03

0
voti

[19] Re: regolatore fotovoltaico con PIC e mosfet

Messaggioda Foto UtenteLelettrico » 22 dic 2012, 1:06

Capisco mmm se sono 12 in totale per le tre uscite saranno 4 per stringa in serie se capisco bene ...
Dipende da appunto cosa devi fare, il PWM che ipotizzi non servirebbe a dirla tutta (o meglio certo che serve ma non fatto cosi ma come un buck boost cioe con la bobina :!: come Foto UtenteAOX diceva qualche post fa.
Se chiudi il MOS es quello delle batterie (presumendo che Ibatt non superi 5 A) con pannelli da 36 V sarebbero (108 - 48) * 5 = 300 W sul MOS che ne tiene 370 @ 25 gradi centigradi io ne mettrei 5 o 6 ben distanziati su un dissipatore ventilato etc ...
Se quindi commuti ON OFF lato inverter e lato batterie saresti a posto, il PWM ti serve sul carico es una resistenza ... per scaldare l'acqua #-o
Direi che mancano ancora dati per la definizione del progetto le tensioni che cosa si deve esattamente pilotare in termini di natura del carico. Non ha molto senso fare PWM verso l'inverter ... ad esempio. L'inverter deve avere la tensione fissa e stop lui va da solo. Alla sera occhio che si ferma ;-)
Codice: Seleziona tutto
occhio
Avatar utente
Foto UtenteLelettrico
2.458 1 4 6
Master
Master
 
Messaggi: 1108
Iscritto il: 13 set 2010, 12:24

0
voti

[20] Re: regolatore fotovoltaico con PIC e mosfet

Messaggioda Foto Utentepin32 » 24 dic 2012, 10:02

salve, grazie per le risposte.

prima che qualche moderatore mi riprenda per la parte analogica proseguo qui: viewtopic.php?f=2&t=41272

su questa discussione affronterò la parte relativa al PIC.

sei invitato a darmi consigli e contributi nell'altra discussione.

buon natale


pino
Avatar utente
Foto Utentepin32
16 4
New entry
New entry
 
Messaggi: 57
Iscritto il: 25 ott 2012, 21:03

Precedente

Torna a Realizzazioni, interfacciamento e nozioni generali.

Chi c’è in linea

Visitano il forum: Nessuno e 12 ospiti