PWM con Arduino
Moderatore:
Paolino
8 messaggi
• Pagina 1 di 1
0
voti
[1] PWM con Arduino
ciao a tutti. Vorrei realizzare un regolatore di tensione per alimentare un motore (vorrei accelerare e decellerare variando la tensione) il problema che è un motore da 500w che richiede 36 volt e 19A. Ho pensato di programmare la scheda arduino per generare un'onda quadra con frequenza che modifico io cioè un PWM, quest'onda la mando ad un mosfet che quindi entra in conduzione o si spegne, variando quest'onda varia il tempo nel quale il mosfet è in conduzione. Naturalmente mi servirebbe un mosfet che sopporta 19A... è un progetto assurdo o pensate possa essere realizzato'?
-

PIERGIUSEPPE90
1 3 - CRU - Account cancellato su Richiesta utente
- Messaggi: 40
- Iscritto il: 10 mag 2011, 0:43
0
voti
Vuoi realizzare un controllo di veloctà?
Il motore è collegato ad una dinamo tachimetrica oppure preferisci fare il controllo di velocità utilizzando la forza elettromotrice inversa?
Il motore è collegato ad una dinamo tachimetrica oppure preferisci fare il controllo di velocità utilizzando la forza elettromotrice inversa?
"La follia sta nel fare sempre la stessa cosa aspettandosi risultati diversi".
"Parla soltanto quando sei sicuro che quello che dirai è più bello del silenzio".
Rispondere è cortesia, ma lasciare l'ultima parola ai cretini è arte.
"Parla soltanto quando sei sicuro che quello che dirai è più bello del silenzio".
Rispondere è cortesia, ma lasciare l'ultima parola ai cretini è arte.
-

TardoFreak
73,9k 8 12 13 - -EY Legend-

- Messaggi: 15754
- Iscritto il: 16 dic 2009, 11:10
- Località: Torino - 3° pianeta del Sistema Solare
0
voti
TardoFreak ha scritto:Il motore è collegato ad una dinamo tachimetrica oppure preferisci fare il controllo di velocità utilizzando la forza elettromotrice inversa?
eheheh
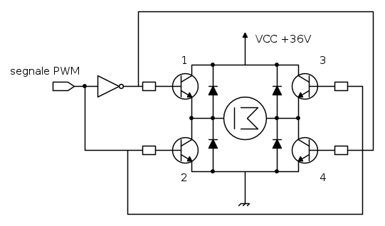
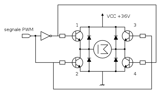
Comunque una soluzione potrebbe essere questa:
Quando il segnale è "alto" sono attivi i transistori 2 e 3 che fanno scorrere la corrente in un verso.Viceversa, quando il segnale è "basso" sono attivi i transistori 4 e 1 dunque la corrente scorrerà nell'altro verso. (ovviamente puoi sostituire i transistor con dei transistori MOS ecc.)
(prova a cercare integrati tipo l'L298, sono driver per motori in dc che funzionano con questo principio, occhio alle correnti però)
Variando il duty-cycle del segnale varia la velocità e il senso di rotazione:
duty-cycle al 100% = massima velocità in un senso
duty-cycle al 50% = motore fermo
duty-cycle allo 0% = massima velocità nell'altro senso
Ciò è dovuto al fatto che il valore efficace del segnale PWM è legato al duty-cycle:
V_ef=V/duty-cycle dove V=ampiezza del segnale
(tale formula va bene per un onda rettanolare che va da 0 a V, se il segnale e bipolare le cose cambiano)
senza entrare troppo nel merito, passiamo al codice arduino:
L'istruzione per generare un segnale PWM è:
analogWrite(pin_pwm,PWM);
dove pin_pwm è il segnale dove vuoi prelevare il segnale (vedi i pin adeguati, ossia quelli con la scritta PWM vicino, ad esempio il 3 per arduino Leonardo)
PWM è una variabile intera che deve andare da 0 a 244.
0 = duty cycle allo 0%
122 = duty cycle al 50%
244 = duty cycle al 100%
se vuoi modificare la frequenza devi impostare prescaler, mi pare che di suo tiri fuori un 500Hz.... non sono sicuro (io ho usato un 2kHz) ma dovrebbe andar bene.....
-

Matteo1991
406 2 4 12 - Frequentatore

- Messaggi: 280
- Iscritto il: 28 giu 2012, 16:38
0
voti
Ma questo non è un controllo di velocità.
"La follia sta nel fare sempre la stessa cosa aspettandosi risultati diversi".
"Parla soltanto quando sei sicuro che quello che dirai è più bello del silenzio".
Rispondere è cortesia, ma lasciare l'ultima parola ai cretini è arte.
"Parla soltanto quando sei sicuro che quello che dirai è più bello del silenzio".
Rispondere è cortesia, ma lasciare l'ultima parola ai cretini è arte.
-

TardoFreak
73,9k 8 12 13 - -EY Legend-

- Messaggi: 15754
- Iscritto il: 16 dic 2009, 11:10
- Località: Torino - 3° pianeta del Sistema Solare
0
voti
TardoFreak ha scritto:Ma questo non è un controllo di velocità.
Lo so ma:
PIERGIUSEPPE90 ha scritto: Vorrei realizzare un regolatore di tensione per alimentare un motore (vorrei accelerare e decellerare variando la tensione)
-

Matteo1991
406 2 4 12 - Frequentatore

- Messaggi: 280
- Iscritto il: 28 giu 2012, 16:38
0
voti
E' vero, chiedo venia.
"La follia sta nel fare sempre la stessa cosa aspettandosi risultati diversi".
"Parla soltanto quando sei sicuro che quello che dirai è più bello del silenzio".
Rispondere è cortesia, ma lasciare l'ultima parola ai cretini è arte.
"Parla soltanto quando sei sicuro che quello che dirai è più bello del silenzio".
Rispondere è cortesia, ma lasciare l'ultima parola ai cretini è arte.
-

TardoFreak
73,9k 8 12 13 - -EY Legend-

- Messaggi: 15754
- Iscritto il: 16 dic 2009, 11:10
- Località: Torino - 3° pianeta del Sistema Solare
0
voti
A me sembra che con quel ponte H il motore gira in un senso e nell'altro.
Che è diverso dal cambiare il senso di giro.
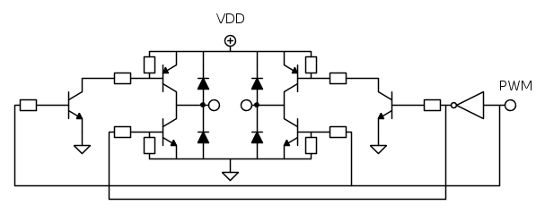
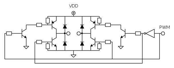
Il ponte H meglio farlo con transistori PNP al posto di Q1 e Q3, che non vanno mai in saturazione e dissipano maggior potenza. In quel caso si possono pilotare così:
Riquoto:
Per dire che secondo me la frase è un po' confusionale.. Un regolatore di tensione è un tipo di dispositivo, per il cambio di velocità si usa la modulazione PWM e per il cambio di giro il ponte H.
C'è qualcosa che non mi torna..

(vorrei accelerare e decellerare variando la tensione)
Che è diverso dal cambiare il senso di giro.
Il ponte H meglio farlo con transistori PNP al posto di Q1 e Q3, che non vanno mai in saturazione e dissipano maggior potenza. In quel caso si possono pilotare così:
Riquoto:
Vorrei realizzare un regolatore di tensione per alimentare un motore (vorrei accelerare e decellerare variando la tensione)
Per dire che secondo me la frase è un po' confusionale.. Un regolatore di tensione è un tipo di dispositivo, per il cambio di velocità si usa la modulazione PWM e per il cambio di giro il ponte H.
C'è qualcosa che non mi torna..

0
voti
gohan ha scritto:A me sembra che con quel ponte H il motore gira in un senso e nell'altro.(vorrei accelerare e decellerare variando la tensione)
Che è diverso dal cambiare il senso di giro.
No, quella proposta da me è la configurazione "locked anti-phase". in sostanza mandi un segnale PWM "bipolare".
questa è la mia tesina per l'esame di stato:
http://www.rosatelli.it/area_download/s ... leschi.pdf
-

Matteo1991
406 2 4 12 - Frequentatore

- Messaggi: 280
- Iscritto il: 28 giu 2012, 16:38
8 messaggi
• Pagina 1 di 1
Torna a Realizzazioni, interfacciamento e nozioni generali.
Chi c’è in linea
Visitano il forum: Nessuno e 7 ospiti

Elettrotecnica e non solo (admin)
Un gatto tra gli elettroni (IsidoroKZ)
Esperienza e simulazioni (g.schgor)
Moleskine di un idraulico (RenzoDF)
Il Blog di ElectroYou (webmaster)
Idee microcontrollate (TardoFreak)
PICcoli grandi PICMicro (Paolino)
Il blog elettrico di carloc (carloc)
DirtEYblooog (dirtydeeds)
Di tutto... un po' (jordan20)
AK47 (lillo)
Esperienze elettroniche (marco438)
Telecomunicazioni musicali (clavicordo)
Automazione ed Elettronica (gustavo)
Direttive per la sicurezza (ErnestoCappelletti)
EYnfo dall'Alaska (mir)
Apriamo il quadro! (attilio)
H7-25 (asdf)
Passione Elettrica (massimob)
Elettroni a spasso (guidob)
Bloguerra (guerra)

