led su telefono fisso
Moderatore:
jordan20
16 messaggi
• Pagina 1 di 2 • 1, 2
0
voti
Salve, mi trovo con la necessità di mettere un led che lampeggia quando arriva una telefonata sul telefono di casa, ora questo non sarebbe un problema se non fosse che per contratto con la Telecom un'utenza non può in nessun caso manomettere o modificare la linea telefonica o l'apparecchio telefonico. Probabilmente per impedire a persone poco competenti di mandare a quel paese le loro centrali costose e delicate. Avevo pensato ad un contatto sonoro con microfonino e comparatore di segnale per dare un input al circuito ma ogni rumore per la casa fa innescare il circuito. Ho sentito parlare di una captazione induttiva visto che la tensione si alza fino a 60 V durante una chiamata. Potreste gentilmente darmi una mano o un'idea? Grazie mille!!
0
voti
Ciao, certamente non si può manomettere la linea telefonica né collegare apparecchi non omologati. Però se vuoi fare un accrocchio tuo, rispettando le regole potrai collegarlo alla linea e non darà fastidio.
Lo potrai inserire e disinserire sulla linea con una presa telefonica passante per esempio.
I vecchi telefoni contenevano un trasformatore per realizzare la cosiddetta "forchetta telefonica" e se ne poteva captare il flusso magnetico disperso con una piccola bobina ("pick-up") fissata con una ventosa in una posizione opportuna da ricercare sul telefono. Si usava principalmente per apparecchi amplificatori della voce. Oggi la forchetta è elettronica, il flusso disperso non c'è più e questo sistema non funziona.
Vuoi che il LED resti acceso durante lo squillo e spento durante le pause tra gli squilli, o vuoi che lampeggi durante gli squilli e resti spento durante le pause? Nel primo caso utilizzando una pila per alimentare il LED (anzichè la corrente di linea) il circuito è più semplice, la luce è più evidente e si carica meno la linea.
Fammi sapere...
Lo potrai inserire e disinserire sulla linea con una presa telefonica passante per esempio.
bebos89 ha scritto:Ho sentito parlare di una captazione induttiva...
I vecchi telefoni contenevano un trasformatore per realizzare la cosiddetta "forchetta telefonica" e se ne poteva captare il flusso magnetico disperso con una piccola bobina ("pick-up") fissata con una ventosa in una posizione opportuna da ricercare sul telefono. Si usava principalmente per apparecchi amplificatori della voce. Oggi la forchetta è elettronica, il flusso disperso non c'è più e questo sistema non funziona.
bebos89 ha scritto:.. mettere un led che lampeggia quando arriva una telefonata...
Vuoi che il LED resti acceso durante lo squillo e spento durante le pause tra gli squilli, o vuoi che lampeggi durante gli squilli e resti spento durante le pause? Nel primo caso utilizzando una pila per alimentare il LED (anzichè la corrente di linea) il circuito è più semplice, la luce è più evidente e si carica meno la linea.
Fammi sapere...

Big fan of ⋮ƎlectroYou! Ausili per disabili e anziani su ⋮ƎlectroYou
Caratteri utili: À È É Ì Ò Ó Ù α β γ δ ε η θ λ μ π ρ σ τ φ ω Ω º ª ² ³ √ ∛ ∜ ₀ ₁ ₂ ₃ ₄ ₅ ₆ ∃ ∄ ∆ ∈ ∉ ± ∓ ∾ ≃ ≈ ≠ ≤ ≥
Caratteri utili: À È É Ì Ò Ó Ù α β γ δ ε η θ λ μ π ρ σ τ φ ω Ω º ª ² ³ √ ∛ ∜ ₀ ₁ ₂ ₃ ₄ ₅ ₆ ∃ ∄ ∆ ∈ ∉ ± ∓ ∾ ≃ ≈ ≠ ≤ ≥
0
voti
Il telefono non è recentissimo, è un vecchio modello di quelli bianchi o neri che dava la "sip" in comodato d'uso ed è attaccato anche un cordless alla stessa presa, quindi penso che un innesco induttivo si possa fare (almeno è una mia supposizione). Mi basterebbe che durante gli squilli un led rosso, posto in un'altra parte (non wireless), inizi a lampeggiare per poi smettere a risposta, un po' come fa la suoneria del telefono insomma. Fare un circuito lampeggiante, sia con NE555, con transistor autoscillante o con transistor in effetto valanga (deleterio per il transistor ma di una facilità di realizzazione mostruosa) non sarebbe un problema, l'unica pecca è non conoscere assolutamente gli apparecchi telefonici, quindi non so come poter innescare questo circuito all'arrivo della chiamata. Grazie per l'aiuto.
Alberto
Alberto
1
voti
Ciao, il flusso disperso di cui parlavo è quello del trasformatore della forchetta che è percorso da corrente solo a cornetta sganciata. Quindi non si può utilizzare.
Durante lo squillo si potrebbe tentare di intercettare il flusso disperso dell'elettromagnete della suoneria (sempre che la suoneria sia elettromagnetica e non elettronica). Comunque bisognerebbe cercare la posizione giusta per il sensore, amplificare il segnale, discriminare tra flusso disperso della suoneria o della forchetta, e si dipende da un apparecchio telefonico specifico.
È molto più comodo e flessibile rilevare lo squillo dalla linea.
A riposo, nella linea non scorre corrente ed è presente una tensione di 48 V c.c. tra i suoi due fili (normalmente bianco e rosso, corrispondenti ai due spinotti più vicini tra loro nelle vecchie spine telefoniche tripolari, o ai due fili centrali nei plug RJ-11.
Durante lo squillo è presente una tensione alternata sinusoidale di 60 V efficaci con una frequenza di 25 Hz.
A cornetta sganciata è presente una tensione continua di circa 8 V con sovrapposto il segnale alternato della voce, che normalmente non arriva a 1 V picco-picco.
Durante la composizione del numero con un vecchio disco combinatore, sono presenti treni di onde quadre con livelli di 0 V e 48 V, duty cycle di circa il 50% e frequenza di 10 Hz.
Volendo riconoscere lo squillo, ci si può collegare in parallelo alla linea con un opportuno circuito "rivelatore di squillo" (ring detector) con accoppiamento capacitivo, in grado di riconoscere l'alternata della suoneria, ma che scarti i treni di onde quadre generati dal disco combinatore (comunque ormai estinto).
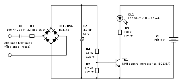
Per far accendere un LED si può usare il circuito seguente, che richiede una pila, e che "carica" la linea con 0,1 REN (cioè assorbe un decimo della corrente della suoneria di un telefono standard: interessante perché il carico massimo ammesso di suonerie su una linea è limitato a 3-5 REN). La pila viene usata solo per alimentare il LED. Il consumo a riposo è praticamente nullo, perciò la pila durerà per anni.
Molti anni fa avevo utilizzato un circuito simile a questo per far suonare una piccola sirena da 9 V e 12 mA di consumo, inserita al posto di DL1 - R3. La rivista Nuova Elettronica me l'aveva poi pubblicato nella rubrica "Progetti in sintonia" e mi ha gentilmente dato il permesso di allegarlo ai miei interventi: lo trovi alla fine di questa pagina.
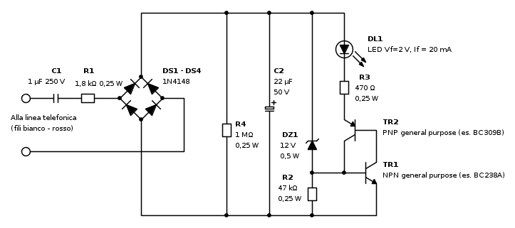
Un circuito che non ha bisogno di pila è il seguente. Il LED emette brevi lampi durante lo squillo. Questo secondo circuito però carica la linea con 1 REN.
Al posto dei due trasistor, lo zener e R2 si potrebbe usare un diac, ma con lo zener la tensione d'innesco dovrebbe essere più precisa.
In entrambi i circuiti si possono inserire più LED in serie, modificando opportunamente R3.
I valori dei componenti del secondo schema potrebbero necessitare una messa a punto una volta realizzato il circuito.
Durante lo squillo si potrebbe tentare di intercettare il flusso disperso dell'elettromagnete della suoneria (sempre che la suoneria sia elettromagnetica e non elettronica). Comunque bisognerebbe cercare la posizione giusta per il sensore, amplificare il segnale, discriminare tra flusso disperso della suoneria o della forchetta, e si dipende da un apparecchio telefonico specifico.
È molto più comodo e flessibile rilevare lo squillo dalla linea.
A riposo, nella linea non scorre corrente ed è presente una tensione di 48 V c.c. tra i suoi due fili (normalmente bianco e rosso, corrispondenti ai due spinotti più vicini tra loro nelle vecchie spine telefoniche tripolari, o ai due fili centrali nei plug RJ-11.
Durante lo squillo è presente una tensione alternata sinusoidale di 60 V efficaci con una frequenza di 25 Hz.
A cornetta sganciata è presente una tensione continua di circa 8 V con sovrapposto il segnale alternato della voce, che normalmente non arriva a 1 V picco-picco.
Durante la composizione del numero con un vecchio disco combinatore, sono presenti treni di onde quadre con livelli di 0 V e 48 V, duty cycle di circa il 50% e frequenza di 10 Hz.
Volendo riconoscere lo squillo, ci si può collegare in parallelo alla linea con un opportuno circuito "rivelatore di squillo" (ring detector) con accoppiamento capacitivo, in grado di riconoscere l'alternata della suoneria, ma che scarti i treni di onde quadre generati dal disco combinatore (comunque ormai estinto).
Per far accendere un LED si può usare il circuito seguente, che richiede una pila, e che "carica" la linea con 0,1 REN (cioè assorbe un decimo della corrente della suoneria di un telefono standard: interessante perché il carico massimo ammesso di suonerie su una linea è limitato a 3-5 REN). La pila viene usata solo per alimentare il LED. Il consumo a riposo è praticamente nullo, perciò la pila durerà per anni.
Molti anni fa avevo utilizzato un circuito simile a questo per far suonare una piccola sirena da 9 V e 12 mA di consumo, inserita al posto di DL1 - R3. La rivista Nuova Elettronica me l'aveva poi pubblicato nella rubrica "Progetti in sintonia" e mi ha gentilmente dato il permesso di allegarlo ai miei interventi: lo trovi alla fine di questa pagina.
Un circuito che non ha bisogno di pila è il seguente. Il LED emette brevi lampi durante lo squillo. Questo secondo circuito però carica la linea con 1 REN.
Al posto dei due trasistor, lo zener e R2 si potrebbe usare un diac, ma con lo zener la tensione d'innesco dovrebbe essere più precisa.
In entrambi i circuiti si possono inserire più LED in serie, modificando opportunamente R3.
I valori dei componenti del secondo schema potrebbero necessitare una messa a punto una volta realizzato il circuito.
Big fan of ⋮ƎlectroYou! Ausili per disabili e anziani su ⋮ƎlectroYou
Caratteri utili: À È É Ì Ò Ó Ù α β γ δ ε η θ λ μ π ρ σ τ φ ω Ω º ª ² ³ √ ∛ ∜ ₀ ₁ ₂ ₃ ₄ ₅ ₆ ∃ ∄ ∆ ∈ ∉ ± ∓ ∾ ≃ ≈ ≠ ≤ ≥
Caratteri utili: À È É Ì Ò Ó Ù α β γ δ ε η θ λ μ π ρ σ τ φ ω Ω º ª ² ³ √ ∛ ∜ ₀ ₁ ₂ ₃ ₄ ₅ ₆ ∃ ∄ ∆ ∈ ∉ ± ∓ ∾ ≃ ≈ ≠ ≤ ≥
0
voti
Buongiorno, ieri ho montato il primo circuito, quindi quello alimentato a batteria, solo che il led si accende pochissimo anche avendo diminuito la resistenza sul collettore del transistor (un bc547 con Ic max di 100ma) ma il discorso non cambia. Posso provare a diminuire la resistenza a monte della base dell'NPN (cioè quella verso il positivo)?
0
voti
Per chiarezza ( e non sbagliare) dovresti specificare quale dei due circuiti hai realizzato e, visto che sono indicati,
citare i componenti con la loro sigla (es. R2/C1 ecc.).
citare i componenti con la loro sigla (es. R2/C1 ecc.).
marco
0
voti
Il circuito l'ho indicato dicendo che era il primo, quello alimentato a batteria, per i componenti mi sembravano abbastanza chiari. Comunque per chiarezza spiego che ho provato a cambiare R3 ma a mio avviso è il transistor che limita la corrente avendo una resistenza di base R4 un po' troppo elevata per il bc547. Posso diminuire il valore di tale resistenza? Se si, di quanto la potrei diminuire?
0
voti
Ciao,
prima di tutto io mi assicurerei che i responsabili non sono il LED, la pila o altri elementi.
Prova a cortocircuitare emettitore e collettore di TR1 (mantenendo inserita la resistenza da 390 Ω in serie al LED) e verifica che il LED si accende bene.
Prova anche a mandare i 9 V sul nodo C1 - R1 e verifica se il LED si accende bene.
Se ci riesci, misura la tensione ai capi di C2 durante lo squillo. Dovrebbe essere intorno a 2,8 V.
Dimmi poi i risultati di queste prove.
Secondo i miei calcoli la corrente media prelevata dalla linea durante lo squillo è di circa 0,9 mA.
La caduta su R4 si aggirerebbe quindi su 20 V.
R4 serve per lasciare un po' di tensione sul condensatore in modo che possa livellare la corrente raddrizzata.
Puoi ridurla anche a 1 kΩ per provare, ma non credo cambierà molto. Il LED invece di stare acceso fisso potrebbe lampeggiare durante lo squillo.
Se non riesci ancora a risolvere, prova ad aumentare R2, magari a 22 KΩ. Con 2,7 kΩ un quarto della corrente se ne va attraverso quella resistenza, ma questo serve ad evitare lampi quando sganci o riagganci o componi un numero col disco combinatore (se ce l'hai).
prima di tutto io mi assicurerei che i responsabili non sono il LED, la pila o altri elementi.
Prova a cortocircuitare emettitore e collettore di TR1 (mantenendo inserita la resistenza da 390 Ω in serie al LED) e verifica che il LED si accende bene.
Prova anche a mandare i 9 V sul nodo C1 - R1 e verifica se il LED si accende bene.
Se ci riesci, misura la tensione ai capi di C2 durante lo squillo. Dovrebbe essere intorno a 2,8 V.
Dimmi poi i risultati di queste prove.
Secondo i miei calcoli la corrente media prelevata dalla linea durante lo squillo è di circa 0,9 mA.
La caduta su R4 si aggirerebbe quindi su 20 V.
R4 serve per lasciare un po' di tensione sul condensatore in modo che possa livellare la corrente raddrizzata.
Puoi ridurla anche a 1 kΩ per provare, ma non credo cambierà molto. Il LED invece di stare acceso fisso potrebbe lampeggiare durante lo squillo.
Se non riesci ancora a risolvere, prova ad aumentare R2, magari a 22 KΩ. Con 2,7 kΩ un quarto della corrente se ne va attraverso quella resistenza, ma questo serve ad evitare lampi quando sganci o riagganci o componi un numero col disco combinatore (se ce l'hai).
Big fan of ⋮ƎlectroYou! Ausili per disabili e anziani su ⋮ƎlectroYou
Caratteri utili: À È É Ì Ò Ó Ù α β γ δ ε η θ λ μ π ρ σ τ φ ω Ω º ª ² ³ √ ∛ ∜ ₀ ₁ ₂ ₃ ₄ ₅ ₆ ∃ ∄ ∆ ∈ ∉ ± ∓ ∾ ≃ ≈ ≠ ≤ ≥
Caratteri utili: À È É Ì Ò Ó Ù α β γ δ ε η θ λ μ π ρ σ τ φ ω Ω º ª ² ³ √ ∛ ∜ ₀ ₁ ₂ ₃ ₄ ₅ ₆ ∃ ∄ ∆ ∈ ∉ ± ∓ ∾ ≃ ≈ ≠ ≤ ≥
0
voti
bebos89 ha scritto:a mio avviso è il transistor che limita la corrente...
Hai ragione, mi sono accorto che con 700 μA che entrano in base e un hfe basso, un LED potrebbe accendersi a fatica.
Ero andato un po' a memoria, in quel vecchio circuito ricordo che avevo inserito un solo transistor, ma forse l'avevo selezionato.
Appena ho un attimo ti ridisegno lo schema con due transistor e un po' di LED sul collettore, a beneficio anche di altri.
Di che colore vuoi inserire i LED?
Big fan of ⋮ƎlectroYou! Ausili per disabili e anziani su ⋮ƎlectroYou
Caratteri utili: À È É Ì Ò Ó Ù α β γ δ ε η θ λ μ π ρ σ τ φ ω Ω º ª ² ³ √ ∛ ∜ ₀ ₁ ₂ ₃ ₄ ₅ ₆ ∃ ∄ ∆ ∈ ∉ ± ∓ ∾ ≃ ≈ ≠ ≤ ≥
Caratteri utili: À È É Ì Ò Ó Ù α β γ δ ε η θ λ μ π ρ σ τ φ ω Ω º ª ² ³ √ ∛ ∜ ₀ ₁ ₂ ₃ ₄ ₅ ₆ ∃ ∄ ∆ ∈ ∉ ± ∓ ∾ ≃ ≈ ≠ ≤ ≥
16 messaggi
• Pagina 1 di 2 • 1, 2
Chi c’è in linea
Visitano il forum: Nessuno e 5 ospiti

Elettrotecnica e non solo (admin)
Un gatto tra gli elettroni (IsidoroKZ)
Esperienza e simulazioni (g.schgor)
Moleskine di un idraulico (RenzoDF)
Il Blog di ElectroYou (webmaster)
Idee microcontrollate (TardoFreak)
PICcoli grandi PICMicro (Paolino)
Il blog elettrico di carloc (carloc)
DirtEYblooog (dirtydeeds)
Di tutto... un po' (jordan20)
AK47 (lillo)
Esperienze elettroniche (marco438)
Telecomunicazioni musicali (clavicordo)
Automazione ed Elettronica (gustavo)
Direttive per la sicurezza (ErnestoCappelletti)
EYnfo dall'Alaska (mir)
Apriamo il quadro! (attilio)
H7-25 (asdf)
Passione Elettrica (massimob)
Elettroni a spasso (guidob)
Bloguerra (guerra)






