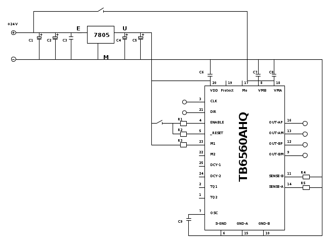
ho preparato lo schema.
questi i valori dei componenti:
C1 - 47uF, 35V
C2 - 1uF, 100v
C4 - 10uF, 35V
C5 - 1uf, 100v
C3,C6,C7,C8,C9 - 100nF
C9 - 100pF
R1,R2,R3 - 10K
R4,R5 - 0.47ohm (così la corrente ai motori è limitata ad 1 Amp)
Appena riesco riproduco anche il PCB.
ciao a tutti
andrea
PCB motore passo passo con TB6560
Moderatori:
carloc,
g.schgor,
BrunoValente,
IsidoroKZ
36 messaggi
• Pagina 2 di 4 • 1, 2, 3, 4
1
voti
0
voti
Confrontando questo schema con il precedente non e' chiaro il collegamento della linea a 24 V.
Nel secondo schema (nel primo e' confuso) pare che vada a terminare sul condensatore C8 ed al pin 18 dell'IC senza interessare C7 ed il pin 8; e' cosi'?
Noto anche un sovraffolamento di condensatori sul regolatore; sei sicuro che servano tutti?
Nel secondo schema (nel primo e' confuso) pare che vada a terminare sul condensatore C8 ed al pin 18 dell'IC senza interessare C7 ed il pin 8; e' cosi'?
Noto anche un sovraffolamento di condensatori sul regolatore; sei sicuro che servano tutti?
marco
0
voti
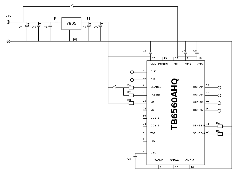
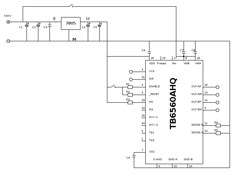
nello schema originario sono rappresentate anche due pad perché nel PCB che andrei a realizzare lì c'è un ponticello. Ai fini della prosecuzione del thread è meglio non guardare più quanto postato prima ma cominciare dallo schema attuale (anzi se fosse possibile, andrebbe proprio tolto schema e PCB che violano le regole e possono incasinare chi si legge la discussione dall'inizio).
I condensatori di bypass sui pin di alimentazione della 24 V del TB6560 sono una precauzione presa da praticamente tutti gli sfigati come me che hanno a che fare con questo componente: praticamente costoro comprano una scheda di produzione cinese che ospita 3 integrati TB (è un controller per macchine CNC) e poi la moddano aggiungendo questi condensatori di bypass (credo) per evitare disturbi o autooscillazioni riscontrando, prima della modifica, una tendenza a perdere passi.
Io, essendo abbastanza ignorante, li ho aggiunti "sulla fiducia".
Se ritieni che siano dannosi per il funzionamento io posso anche rimuoverli.
I condensatori di bypass sui pin di alimentazione della 24 V del TB6560 sono una precauzione presa da praticamente tutti gli sfigati come me che hanno a che fare con questo componente: praticamente costoro comprano una scheda di produzione cinese che ospita 3 integrati TB (è un controller per macchine CNC) e poi la moddano aggiungendo questi condensatori di bypass (credo) per evitare disturbi o autooscillazioni riscontrando, prima della modifica, una tendenza a perdere passi.
Io, essendo abbastanza ignorante, li ho aggiunti "sulla fiducia".
Se ritieni che siano dannosi per il funzionamento io posso anche rimuoverli.
0
voti
Non hai ben letto quello che ho scritto; nel primo caso volevo sapere se la linea a 24 V e' collegata o meno al pin 8 e a C7 e per i condensatori mi riferico a quelli vicini al 7805.
marco
0
voti
hai ragione, questo schema mi sta facendo perdere lucidità...
si, la 24 V va anche al pin 8 e al C7.
per quanto concerne il regolatore sullo schema presentato nel datasheet C1 e C2 erano posti subito dopo l'entrata della 24 mentre C4 e C5 erano a valle dell'entrata della 5V, che era presa da una seconda fonte di alimentazione, per stabilizzarla. Io invece mi produco la 5V col 7805 e, ignorantemente, ho messo comunque quei condensatori per stabilizzare, qualora fosse necessario, l'uscita del regolatore.
si, la 24 V va anche al pin 8 e al C7.
per quanto concerne il regolatore sullo schema presentato nel datasheet C1 e C2 erano posti subito dopo l'entrata della 24 mentre C4 e C5 erano a valle dell'entrata della 5V, che era presa da una seconda fonte di alimentazione, per stabilizzarla. Io invece mi produco la 5V col 7805 e, ignorantemente, ho messo comunque quei condensatori per stabilizzare, qualora fosse necessario, l'uscita del regolatore.
0
voti
andreadm ha scritto:si, la 24 V va anche al pin 8 e al C7.
Allora devi mettere nello schema un punto di connessione; due linee che si intersecano si intendono collegate solo se questo e' presente.
Per i condensatori poi vediamo ma penso ne bastino un paio.
marco
0
voti
36 messaggi
• Pagina 2 di 4 • 1, 2, 3, 4
Chi c’è in linea
Visitano il forum: Nessuno e 104 ospiti

Elettrotecnica e non solo (admin)
Un gatto tra gli elettroni (IsidoroKZ)
Esperienza e simulazioni (g.schgor)
Moleskine di un idraulico (RenzoDF)
Il Blog di ElectroYou (webmaster)
Idee microcontrollate (TardoFreak)
PICcoli grandi PICMicro (Paolino)
Il blog elettrico di carloc (carloc)
DirtEYblooog (dirtydeeds)
Di tutto... un po' (jordan20)
AK47 (lillo)
Esperienze elettroniche (marco438)
Telecomunicazioni musicali (clavicordo)
Automazione ed Elettronica (gustavo)
Direttive per la sicurezza (ErnestoCappelletti)
EYnfo dall'Alaska (mir)
Apriamo il quadro! (attilio)
H7-25 (asdf)
Passione Elettrica (massimob)
Elettroni a spasso (guidob)
Bloguerra (guerra)




