ok, correzione apportata
C1, 0.33mF
C2, 0.1mF
a disposizione li ho in poliestere, posso optare per questi?
PCB motore passo passo con TB6560
Moderatori:
carloc,
g.schgor,
BrunoValente,
IsidoroKZ
36 messaggi
• Pagina 3 di 4 • 1, 2, 3, 4
0
voti
0
voti
bene, mi ci vorrà un po' per farlo.
Volevo solo una conferma da cui è poi scaturita tutta la discussione: devo creare un piano di massa? Ho visto da quei pochi esempi che si trovano su internet che c'è chi lo fa chi no.
Mi dai un consiglio? Anche in considerazione del fatto che produrrò il PCB con il trasferimento di toner che il piano di massa non è che lo rende benissimo...
Volevo solo una conferma da cui è poi scaturita tutta la discussione: devo creare un piano di massa? Ho visto da quei pochi esempi che si trovano su internet che c'è chi lo fa chi no.
Mi dai un consiglio? Anche in considerazione del fatto che produrrò il PCB con il trasferimento di toner che il piano di massa non è che lo rende benissimo...
0
voti
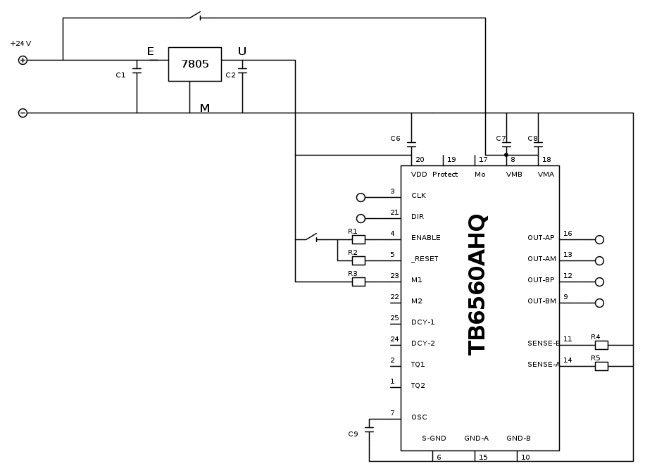
ecco il PCB.
Gli interruttori sono sostituiti da jumpers.
Gli interruttori sono sostituiti da jumpers.
0
voti
A prima vista mi sembra un po' "dispersivo"; comunque, appena ho un po' di tempo gli do' un'occhiata.

P.S. Ma, ora che ci ripenso, tu lo hai provato questo circuito? Funziona?

P.S. Ma, ora che ci ripenso, tu lo hai provato questo circuito? Funziona?
marco
0
voti
con le modifiche che mi hai fatto apportare no.
Qualche giorno fa ho provato la prima versione che ti ho postato. Ho montato su una breadboard il tutto costruendo una breakout board per il TB che ha la piedinatura non adatta.
Ecco cosa è successo: lo alimento e al primo colpo funziona, il motore raggiunge la stessa velocità e la stessa fluidità di una altro azionamento (L297+L298) che avevo.
Siccome la coppia mi sembrava buona ma non al livello dell'altro e l'integrato, senza dissipatore, non scaldava, ho misurato l'assorbimento sulla linea della 24 V, a monte di tutto, e mi dava massimo 220mA e la cosa mi ha spiazzato completamente.
Ho provato a cambiare le R di sense con da 0,47 0,33 (parallelo R da 0,47 e R da 1 ohm) e tutto andava allo stesso identico modo.
A quel punto, da ignorante, ho pensato che il cablaggio sulla breadboard non consentisse il giusto assorbimento perché i cavetti fossero insufficienti come sezione.
Ho smontato tutta la breadboard e la ho riassemblata da capo: stavolta il motre partiva ma non girava fluido, scattava in nei due sensi di rotazione a caso. In passato con un altro azionamento un problema del genere mi si verificava per problemi di massa.
Ho quindi pensato che la breadboard non mi aiutava certo, con i suoi contatti un po' a cavolo, a tenere tutto sotto controllo.
Ho riprodotto il primo PCB su basetta, ho saldato il tutto, l'ho verificato 200 volte le tensioni sui pin di alimentzione e di input ma alimentandolo il motore non parte (se lo giri a mano gira a vuoto, ossia non vi è nessuna eccitazione anche a enable e reset alzati).
Ho provato anche un secondo IC per escludere che per qualche motivo avessi danneggiato il primo, ma nessun cambiamento.
Cosi ho deciso di sottomettere la discussione al forum perché è evidente che non sono all'altezza (e dire che avevo scelto questo IC proprio perché bastavano qualche resistenza e condensatore per avere l'azionamento pronto
).
ciao e buona giornata
Qualche giorno fa ho provato la prima versione che ti ho postato. Ho montato su una breadboard il tutto costruendo una breakout board per il TB che ha la piedinatura non adatta.
Ecco cosa è successo: lo alimento e al primo colpo funziona, il motore raggiunge la stessa velocità e la stessa fluidità di una altro azionamento (L297+L298) che avevo.
Siccome la coppia mi sembrava buona ma non al livello dell'altro e l'integrato, senza dissipatore, non scaldava, ho misurato l'assorbimento sulla linea della 24 V, a monte di tutto, e mi dava massimo 220mA e la cosa mi ha spiazzato completamente.
Ho provato a cambiare le R di sense con da 0,47 0,33 (parallelo R da 0,47 e R da 1 ohm) e tutto andava allo stesso identico modo.
A quel punto, da ignorante, ho pensato che il cablaggio sulla breadboard non consentisse il giusto assorbimento perché i cavetti fossero insufficienti come sezione.
Ho smontato tutta la breadboard e la ho riassemblata da capo: stavolta il motre partiva ma non girava fluido, scattava in nei due sensi di rotazione a caso. In passato con un altro azionamento un problema del genere mi si verificava per problemi di massa.
Ho quindi pensato che la breadboard non mi aiutava certo, con i suoi contatti un po' a cavolo, a tenere tutto sotto controllo.
Ho riprodotto il primo PCB su basetta, ho saldato il tutto, l'ho verificato 200 volte le tensioni sui pin di alimentzione e di input ma alimentandolo il motore non parte (se lo giri a mano gira a vuoto, ossia non vi è nessuna eccitazione anche a enable e reset alzati).
Ho provato anche un secondo IC per escludere che per qualche motivo avessi danneggiato il primo, ma nessun cambiamento.
Cosi ho deciso di sottomettere la discussione al forum perché è evidente che non sono all'altezza (e dire che avevo scelto questo IC proprio perché bastavano qualche resistenza e condensatore per avere l'azionamento pronto
ciao e buona giornata
0
voti
Le modifiche apportate non sono significative per il funzionamento del circuito.
Secondo il mio parere, avresti dovuto cominciare col chiedere perche' il tuo circuito non funziona e se lo schema che hai proposto e' valido (dove lo hai preso?).
Arrivati a questo punto, inutile andare avanti con il PCB; bisogna prima far funzionare il tutto.
Quindi spiega per filo e per segno quello che devi fare non dimenticando di specificare tutte le caratteristiche sia dell'alimentazione che del motore; in seguito ed appurato che il circuito puo' funzionare, consiglio di montarlo su una millefori per il test finale ed, in seguito, approntare il PCB.

Secondo il mio parere, avresti dovuto cominciare col chiedere perche' il tuo circuito non funziona e se lo schema che hai proposto e' valido (dove lo hai preso?).
Arrivati a questo punto, inutile andare avanti con il PCB; bisogna prima far funzionare il tutto.
Quindi spiega per filo e per segno quello che devi fare non dimenticando di specificare tutte le caratteristiche sia dell'alimentazione che del motore; in seguito ed appurato che il circuito puo' funzionare, consiglio di montarlo su una millefori per il test finale ed, in seguito, approntare il PCB.

marco
0
voti
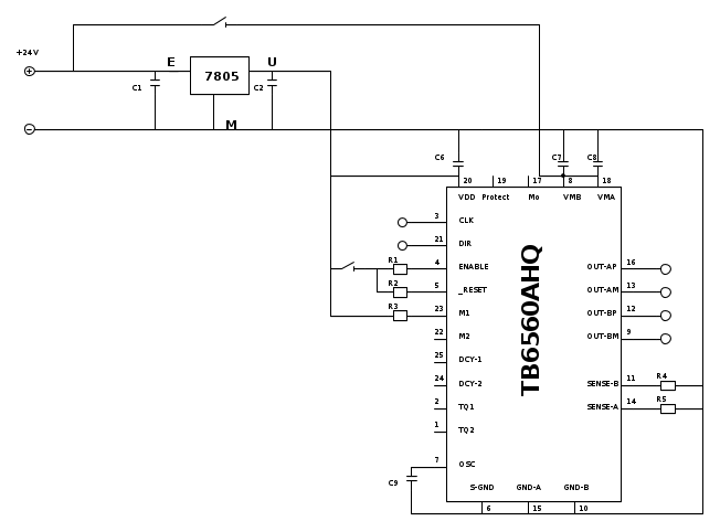
come dicevo dal primo post il circuito è quello presente sul datasheet di cui rimetto il link:
http://www.toshiba.com/taec/components2 ... /27885.pdf
si trova a pagina 29.
Non ho chiesto "perché non funziona?" perché il comportamento era irregolare (prima funzionava, poi l'ho riassemblato -secondo me- uguale identico e non funzionava più) per cui ho pensato che fosse inutile stare a rattoppare una cosa che funzionava male.
Di lì il fatto di creare un PCB nuovo, il più pulito possibile e (come da oggetto) sottoposto a verifica di qualcuno che ne capisse più di me.
Veniamo a cosa devo fare:
azionare un motore stepper 4 poli da 1,4A per fase, correttamente funzionante e sostituibile, per prova, con altri tre identici.
Per alimentare il circuito utilizzo un alimentatore stabilizzato da 24 V, 10A.
In accordo con quanto previsto dal costruttore sul datasheet ho inserito gli interruttori per rispettare la sequenza di accensione (logica -> potenza -> enable e reset).
Non ho utlizzato i piedini di settaggio di coppia e decay, lasciandoli appesi in quanto portati a basso internamente.
Ho settato il mode a mezzo passo (per motivi di risoluzione legati alle viti che utilizzo sulla macchina dove montare il motore).
Ho optato per resistori da 0,47 ohm che limitano la corrente di eccitazione a 1A, per rimanere ampiamente entro i dati di targa del motore.
Ho utilizzato per l'oscillatore interno un condensatore da 100pF in accordo con la durata dell'impulso di stepo come previsto da datasheet.
Ora, in base a quanto tu mi dici, dovrei riprodurre lo schema che abbiamo corretto nuovamente in breadboard e vedere come si comporta il circuito, ri-iniziando quindi tutta la sperimentazione da capo, corretto?
http://www.toshiba.com/taec/components2 ... /27885.pdf
si trova a pagina 29.
Non ho chiesto "perché non funziona?" perché il comportamento era irregolare (prima funzionava, poi l'ho riassemblato -secondo me- uguale identico e non funzionava più) per cui ho pensato che fosse inutile stare a rattoppare una cosa che funzionava male.
Di lì il fatto di creare un PCB nuovo, il più pulito possibile e (come da oggetto) sottoposto a verifica di qualcuno che ne capisse più di me.
Veniamo a cosa devo fare:
azionare un motore stepper 4 poli da 1,4A per fase, correttamente funzionante e sostituibile, per prova, con altri tre identici.
Per alimentare il circuito utilizzo un alimentatore stabilizzato da 24 V, 10A.
In accordo con quanto previsto dal costruttore sul datasheet ho inserito gli interruttori per rispettare la sequenza di accensione (logica -> potenza -> enable e reset).
Non ho utlizzato i piedini di settaggio di coppia e decay, lasciandoli appesi in quanto portati a basso internamente.
Ho settato il mode a mezzo passo (per motivi di risoluzione legati alle viti che utilizzo sulla macchina dove montare il motore).
Ho optato per resistori da 0,47 ohm che limitano la corrente di eccitazione a 1A, per rimanere ampiamente entro i dati di targa del motore.
Ho utilizzato per l'oscillatore interno un condensatore da 100pF in accordo con la durata dell'impulso di stepo come previsto da datasheet.
Ora, in base a quanto tu mi dici, dovrei riprodurre lo schema che abbiamo corretto nuovamente in breadboard e vedere come si comporta il circuito, ri-iniziando quindi tutta la sperimentazione da capo, corretto?
0
voti
andreadm ha scritto:Ora, in base a quanto tu mi dici, dovrei riprodurre lo schema che abbiamo corretto nuovamente in breadboard e vedere come si comporta il circuito, ri-iniziando quindi tutta la sperimentazione da capo, corretto?
Penso tu non abbia altra scelta se vuoi portare a termine il lavoro; il circuito deve essere prima provato, eventualmente modificato e successivamente montato su PCB.
Quando l'avrai montato su breadboard (lavorando con calma e massima attenzione), se ancora non funziona, fai delle foto e postale; potremo allora fare delle misure e stabilire cosa non va.
marco
36 messaggi
• Pagina 3 di 4 • 1, 2, 3, 4
Chi c’è in linea
Visitano il forum: Nessuno e 230 ospiti

Elettrotecnica e non solo (admin)
Un gatto tra gli elettroni (IsidoroKZ)
Esperienza e simulazioni (g.schgor)
Moleskine di un idraulico (RenzoDF)
Il Blog di ElectroYou (webmaster)
Idee microcontrollate (TardoFreak)
PICcoli grandi PICMicro (Paolino)
Il blog elettrico di carloc (carloc)
DirtEYblooog (dirtydeeds)
Di tutto... un po' (jordan20)
AK47 (lillo)
Esperienze elettroniche (marco438)
Telecomunicazioni musicali (clavicordo)
Automazione ed Elettronica (gustavo)
Direttive per la sicurezza (ErnestoCappelletti)
EYnfo dall'Alaska (mir)
Apriamo il quadro! (attilio)
H7-25 (asdf)
Passione Elettrica (massimob)
Elettroni a spasso (guidob)
Bloguerra (guerra)



