Ho acquistato un timer analogico modello Grasslin talento mini 211 per accendere e spegnere in automatico un impianto di areazione.
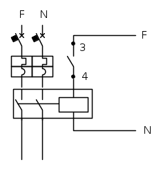
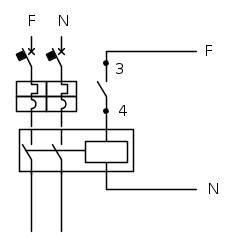
Attualmente l'impianto è collegato nel quadro elettrico con un normale interruttore din on/off. Questo interruttore è collegato sotto con il neutro a destra e fase a sinistra, sopra stessa cosa a destra il neutro e sinistra la fase.
Il timer ha sotto a sinistra il numero 1, destra il numero 2, sopra ha a sinistra il numero 3 e a destra il numero 4.
Avrei bisogno di sapere come devo collegarlo, se devo togliere l'attuale interruttore on/off oppure fare un ponte e collegare il timer.
Vi ringrazio
Fil

Elettrotecnica e non solo (admin)
Un gatto tra gli elettroni (IsidoroKZ)
Esperienza e simulazioni (g.schgor)
Moleskine di un idraulico (RenzoDF)
Il Blog di ElectroYou (webmaster)
Idee microcontrollate (TardoFreak)
PICcoli grandi PICMicro (Paolino)
Il blog elettrico di carloc (carloc)
DirtEYblooog (dirtydeeds)
Di tutto... un po' (jordan20)
AK47 (lillo)
Esperienze elettroniche (marco438)
Telecomunicazioni musicali (clavicordo)
Automazione ed Elettronica (gustavo)
Direttive per la sicurezza (ErnestoCappelletti)
EYnfo dall'Alaska (mir)
Apriamo il quadro! (attilio)
H7-25 (asdf)
Passione Elettrica (massimob)
Elettroni a spasso (guidob)
Bloguerra (guerra)





