amplificatore per auto tda 1552
Moderatori:
carloc,
g.schgor,
BrunoValente,
IsidoroKZ
0
voti
Ho trovato anche il tda8563q che è identico al tda8560q, che in questo caso fa anche al caso mio
3
voti
Molto carino anche il TDA8563, devo dire. Guardiamo insieme il DS allegato.
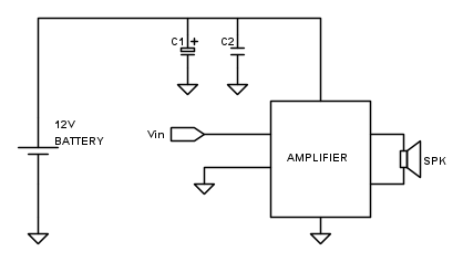
Beh, che dire, per l'assemblaggio direi di buttare giù uno schema di principio, valido per qualsiasi circuito integrato andremo a scegliere:
Come vedi, individuare il percorso delle correnti è piuttosto semplice, ma si tende a perdere di vista un dettaglio fondamentale, di cui parlavamo prima: la "MASSA".
Il triangolino che vedi nel disegno è spesso abusato, perché, per quanto il simbolo insista con la sua opinione, i punti di massa NON SONO equipotenziali.
Ora segui il ragionamento.
Quando l'amplificatore "tira" corrente dall'alimentazione, allo stesso tempo la "spinge" fuori dalla massa. Kirchhoff non mente, chiaro no?
"Spingendo" la corrente fuori dalla massa, inevitabilmente si creano delle cadute di tensione, perché i fili sono di rame e non di lega superconduttiva.
Queste cadute di tensione sono segnali, non dimentichiamolo mai. Segnali come l'ingresso, come l'uscita, come qualsiasi altro potenziale che "si muove nel tempo".
Ebbene, bisogna fare in modo che questi segnali abbiano la minima influenza sullo scopo vitale dell'amplificatore, che è... amplificare in segnale d'ingresso, e solo quello!
Osserviamo lo schema con l'aggiunta di qualche elemento parassita, nonché le correnti principali:
Condensatori di filtro C1 e C2
Come vedi, la corrente della batteria provvede a caricare i condensatori (tank e bypass, poi li vediamo), fornisce il bias all'ampli e continua a chiudere quel circuito fino a pochi Hz (!).
Per frequenze superiori, il grande anello della batteria non serve più a nulla, è del tutto incapace di gestire le fluttuazioni richieste dall'amplificatore, principalmente a causa dei parassiti Rbatt e Lbatt, che assieme al tank C1 formano un filtro passa basso "davvero basso" (pochi Hz).
Per fornire all'amplificatore il ripple di corrente richiesto abbiamo dunque bisogno del grosso condensatore C1, detto di tank.
Tipicamente va bene un elettrolitico da qualche migliaio di uF. Il ruolo di C1 è duplice: se da un lato funge da tank, contemporaneamente serve a filtrare ogni fluttuazione proveniente dalla linea di alimentazione (tutto ciò che accade a Rbatt e Lbatt).
Purtroppo però anche C1 presenta un limite in frequenza, dovuto principalmente ai propri parametri parassiti (ESR ed ESL); un grosso elettrolitico di buona qualità "va in crisi" tipicamente a pochi kHz. E' come se in serie a C1 ci fossero una resistenza (che ho indicato con R1) e una induttanza: alle alte frequenze C1 non conta più, diventa un cortocircuito, e domina il comportamento della ESL, che se ne infischia allegramente delle fluttuazioni di tensione.
Come fare per migliorare questo comportamento? Semplice, si aggiunge il condensatore C2, detto di bypass! Per C2 va benissimo qualcosa attorno al centinaio di nF, ma più importante della capacità è la tecnologia costruttiva: un elettrolitico non servirebbe a nulla, abbiamo appena detto che ad alta frequenza si comporta come un induttore. Serve dunque un condensatore che in alta frequenza sia... ancora un condensatore! A tale scopo sono ottimi i condensatori al poliestere, e ancor meglio i ceramici.
Mentre per C1 abbiamo la ERS R1, che è intrinseca, la resistenza parassita di C2, che ho indicato con R2, è dovuta principalmente al collegamento esterno. Dobbiamo quindi stare attenti a non vanificare la "bravura" di C2 con un collegamento mal fatto!
La resistenza Ralim
Il collegamento tra i condensatori di filtro e il terminale di alimentazione del circuito integrato introduce una resistenza parassita, che a sua volta introduce una caduta di tensione tra la tensione del gruppo tank e la linea di alimentazione dell'amplificatore. Tale tensione, di ampiezza proporzionale alla corrente assorbita dall'amplificatore, si ripercuote sulla linea di alimentazione interna al silicio, e quindi sull'uscita! Accade un po' quel che si vede quando accendendo il forno si abbassano le luci di casa: è chiaro che si tratta di un fenomeno dannoso e indesiderato.
In serie a Ralim appare poi inevitabilmente una induttanza parassita, Lalim (non indicata): al crescere della frequenza di lavoro, l'impedenza di Lalim si fa sempre più grande, peggiorando ulteriormente la situazione.
Per fortuna c'è un parametro che viene in nostro aiuto: si chiama PSRR (Power Supply Rejection Ratio), o SVRR (Supply Voltage Rejection Ratio). Esso indica la frazione di ripple d'alimentazione che si ripercuote sull'uscita. Il nostro circuito integrato sta sui 60 dB (pag. 2 del DS); trovi maggiori informazioni qui: http://en.wikipedia.org/wiki/Power_supply_rejection_ratio
Nel nostro caso, conti alla mano, per ogni volt di ripple sulla linea di alimentazione, troveremo un ripple all'uscita di:
dunque sono ben 20 mV!
E' dunque chiaro che il ripple sul terminale di alimentazione dell'integrato va manutenuto minimo, e libero da schifezze!
In certe condizioni, se il tank è mal dimensionato può mettersi a "giocare" con il PSRR, e dare origine a una oscillazione! Prima o poi scriverò un articolo su questo aspetto.
La resistenza RGND e la falsa massa
La resistenza RGND simboleggia la resistenza parassita tra il pin del circuito integrato e la "massa" comunemente detta. La corrente "spinta fuori" dal circuito integrato deve chiudere il proprio percorso attraverso le piste del circuito, e lo fa in maniera tanto più svelta al crescere della frequenza; significa che le basse frequenze chiudono percorsi anche grandi, dove la resistenza del circuito è minore; viceversa, ad alta frequenza vince il circuito a minor impedenza, e nel nostro caso a minore induttanza parassita.
E' per questo che, se il layout è ben fatto, le correnti ad alta frequenza non vanno verso la batteria, ma "prediligono" la strada che le porta verso C2!
Qual è il "danno" introdotto da RGND? Beh, basta osservare la linea fucsia di quella che io amo chiamare "finta massa". Quando in RGND scorre corrente, il pin di massa del chip si "alza", e tutti i circuiti interni si trovano riferiti a un potenziale che "balla" seguendo la corrente. Sgradevole, no?
Il riferimento di massa del segnale d'ingresso rimane invece... a massa! Questo significa che all'ingresso dell'amplificatore, sul silicio, ci sarà il segnale Vin (la musica), al quale è sovrapposto tutto il ripple generato da RGND! E' evidente che questo provoca distorsioni e rumore, ma in casi estremi si può arrivare all'instabilità (e avere l'amplificatore che "fischia" da solo!).
Come vedi, la comprensione del circuito passa attraverso l'analisi di parecchie fattori... e qui parliamo solo di un paio di condensatori!
Detto questo, passo la palla a te. Come puoi fare per mantenere sotto controllo i parametri parassiti, senza misurarli? Esiste una strategia per "collegare i fili" in modo da ridurre al minimo l'influenza dei parassiti, e far andare le correnti dove vogliamo noi?
Beh, che dire, per l'assemblaggio direi di buttare giù uno schema di principio, valido per qualsiasi circuito integrato andremo a scegliere:
Come vedi, individuare il percorso delle correnti è piuttosto semplice, ma si tende a perdere di vista un dettaglio fondamentale, di cui parlavamo prima: la "MASSA".
Il triangolino che vedi nel disegno è spesso abusato, perché, per quanto il simbolo insista con la sua opinione, i punti di massa NON SONO equipotenziali.
Ora segui il ragionamento.
Quando l'amplificatore "tira" corrente dall'alimentazione, allo stesso tempo la "spinge" fuori dalla massa. Kirchhoff non mente, chiaro no?
"Spingendo" la corrente fuori dalla massa, inevitabilmente si creano delle cadute di tensione, perché i fili sono di rame e non di lega superconduttiva.
Queste cadute di tensione sono segnali, non dimentichiamolo mai. Segnali come l'ingresso, come l'uscita, come qualsiasi altro potenziale che "si muove nel tempo".
Ebbene, bisogna fare in modo che questi segnali abbiano la minima influenza sullo scopo vitale dell'amplificatore, che è... amplificare in segnale d'ingresso, e solo quello!
Osserviamo lo schema con l'aggiunta di qualche elemento parassita, nonché le correnti principali:
Condensatori di filtro C1 e C2
Come vedi, la corrente della batteria provvede a caricare i condensatori (tank e bypass, poi li vediamo), fornisce il bias all'ampli e continua a chiudere quel circuito fino a pochi Hz (!).
Per frequenze superiori, il grande anello della batteria non serve più a nulla, è del tutto incapace di gestire le fluttuazioni richieste dall'amplificatore, principalmente a causa dei parassiti Rbatt e Lbatt, che assieme al tank C1 formano un filtro passa basso "davvero basso" (pochi Hz).
Per fornire all'amplificatore il ripple di corrente richiesto abbiamo dunque bisogno del grosso condensatore C1, detto di tank.
Tipicamente va bene un elettrolitico da qualche migliaio di uF. Il ruolo di C1 è duplice: se da un lato funge da tank, contemporaneamente serve a filtrare ogni fluttuazione proveniente dalla linea di alimentazione (tutto ciò che accade a Rbatt e Lbatt).
Purtroppo però anche C1 presenta un limite in frequenza, dovuto principalmente ai propri parametri parassiti (ESR ed ESL); un grosso elettrolitico di buona qualità "va in crisi" tipicamente a pochi kHz. E' come se in serie a C1 ci fossero una resistenza (che ho indicato con R1) e una induttanza: alle alte frequenze C1 non conta più, diventa un cortocircuito, e domina il comportamento della ESL, che se ne infischia allegramente delle fluttuazioni di tensione.
Come fare per migliorare questo comportamento? Semplice, si aggiunge il condensatore C2, detto di bypass! Per C2 va benissimo qualcosa attorno al centinaio di nF, ma più importante della capacità è la tecnologia costruttiva: un elettrolitico non servirebbe a nulla, abbiamo appena detto che ad alta frequenza si comporta come un induttore. Serve dunque un condensatore che in alta frequenza sia... ancora un condensatore! A tale scopo sono ottimi i condensatori al poliestere, e ancor meglio i ceramici.
Mentre per C1 abbiamo la ERS R1, che è intrinseca, la resistenza parassita di C2, che ho indicato con R2, è dovuta principalmente al collegamento esterno. Dobbiamo quindi stare attenti a non vanificare la "bravura" di C2 con un collegamento mal fatto!
La resistenza Ralim
Il collegamento tra i condensatori di filtro e il terminale di alimentazione del circuito integrato introduce una resistenza parassita, che a sua volta introduce una caduta di tensione tra la tensione del gruppo tank e la linea di alimentazione dell'amplificatore. Tale tensione, di ampiezza proporzionale alla corrente assorbita dall'amplificatore, si ripercuote sulla linea di alimentazione interna al silicio, e quindi sull'uscita! Accade un po' quel che si vede quando accendendo il forno si abbassano le luci di casa: è chiaro che si tratta di un fenomeno dannoso e indesiderato.
In serie a Ralim appare poi inevitabilmente una induttanza parassita, Lalim (non indicata): al crescere della frequenza di lavoro, l'impedenza di Lalim si fa sempre più grande, peggiorando ulteriormente la situazione.
Per fortuna c'è un parametro che viene in nostro aiuto: si chiama PSRR (Power Supply Rejection Ratio), o SVRR (Supply Voltage Rejection Ratio). Esso indica la frazione di ripple d'alimentazione che si ripercuote sull'uscita. Il nostro circuito integrato sta sui 60 dB (pag. 2 del DS); trovi maggiori informazioni qui: http://en.wikipedia.org/wiki/Power_supply_rejection_ratio
Nel nostro caso, conti alla mano, per ogni volt di ripple sulla linea di alimentazione, troveremo un ripple all'uscita di:

dunque sono ben 20 mV!
E' dunque chiaro che il ripple sul terminale di alimentazione dell'integrato va manutenuto minimo, e libero da schifezze!
In certe condizioni, se il tank è mal dimensionato può mettersi a "giocare" con il PSRR, e dare origine a una oscillazione! Prima o poi scriverò un articolo su questo aspetto.
La resistenza RGND e la falsa massa
La resistenza RGND simboleggia la resistenza parassita tra il pin del circuito integrato e la "massa" comunemente detta. La corrente "spinta fuori" dal circuito integrato deve chiudere il proprio percorso attraverso le piste del circuito, e lo fa in maniera tanto più svelta al crescere della frequenza; significa che le basse frequenze chiudono percorsi anche grandi, dove la resistenza del circuito è minore; viceversa, ad alta frequenza vince il circuito a minor impedenza, e nel nostro caso a minore induttanza parassita.
E' per questo che, se il layout è ben fatto, le correnti ad alta frequenza non vanno verso la batteria, ma "prediligono" la strada che le porta verso C2!
Qual è il "danno" introdotto da RGND? Beh, basta osservare la linea fucsia di quella che io amo chiamare "finta massa". Quando in RGND scorre corrente, il pin di massa del chip si "alza", e tutti i circuiti interni si trovano riferiti a un potenziale che "balla" seguendo la corrente. Sgradevole, no?
Il riferimento di massa del segnale d'ingresso rimane invece... a massa! Questo significa che all'ingresso dell'amplificatore, sul silicio, ci sarà il segnale Vin (la musica), al quale è sovrapposto tutto il ripple generato da RGND! E' evidente che questo provoca distorsioni e rumore, ma in casi estremi si può arrivare all'instabilità (e avere l'amplificatore che "fischia" da solo!).
Come vedi, la comprensione del circuito passa attraverso l'analisi di parecchie fattori... e qui parliamo solo di un paio di condensatori!
Detto questo, passo la palla a te. Come puoi fare per mantenere sotto controllo i parametri parassiti, senza misurarli? Esiste una strategia per "collegare i fili" in modo da ridurre al minimo l'influenza dei parassiti, e far andare le correnti dove vogliamo noi?
- Allegati
-
TDA8563Q.pdf- Datasheet TDA8563Q
- (113.9 KiB) Scaricato 113 volte
Alberto.
0
voti
Sinceramente una domanda del genere non me l'aspettavo 
Non so nemmeno se sono capace di rispondere xD ma comunque ci provo...
Da quello che ho capito quindi dobbiamo trovare un modo di rendere costante il potenziale della "massa"... Perdonami se dico una "bestemmia elettronica" ma si potrebbe fare con un'induttanza messa sul piedino di massa
?
perché da come ricordo, le induttanze sono componenti attivi, che si oppongono alle variazioni di corrente... Ma può darsi che sbaglio
Non so nemmeno se sono capace di rispondere xD ma comunque ci provo...
Da quello che ho capito quindi dobbiamo trovare un modo di rendere costante il potenziale della "massa"... Perdonami se dico una "bestemmia elettronica" ma si potrebbe fare con un'induttanza messa sul piedino di massa
perché da come ricordo, le induttanze sono componenti attivi, che si oppongono alle variazioni di corrente... Ma può darsi che sbaglio
0
voti

"Non farei mai parte di un club che accettasse la mia iscrizione" (G. Marx)
-

claudiocedrone
21,3k 4 7 9 - Master EY

- Messaggi: 15302
- Iscritto il: 18 gen 2012, 13:36
0
voti
No
, sul datasheet c'è solamente lo schema funzionale 
P.S. Perdonate la stupidaggine, ma le mie basi in elettronica sono pur sempre basi da autodidatta
, sul datasheet c'è solamente lo schema funzionale P.S. Perdonate la stupidaggine, ma le mie basi in elettronica sono pur sempre basi da autodidatta
0
voti
Comunque inizia ad esseci una speranza di poter montare tutto su PCB, ho trovato il bromografo, se riesco a procurarmi gli acidi potrei anche realizzare il PCB. Come si procede per realizzare lo schema?
0
voti
OK Fabioleo, allora, le alternative sono due (che poi, di fatto, le alternative sono sempre due o tre, mai di più
):
- Progetto e realizzazione di un PCB "in casa". Devi disegnarlo, inciderlo, forarlo, saldarci, etc...
- Millefori. Qui abbiamo detto che con una oculata disposizione delle masse possiamo ottenere qualcosa di dignitoso.
Per procedere, comunque, direi di approfondire un po' la questione teorica. il PCB ti risparmia un po' di problemi, ma realizzandolo su singola faccia hai poco più che un millefori per le mani... alla fine son pur sempre fili tirati per aria, non ci sono i benefici di un piano di massa, etc.
Sarebbe bello realizzare un doppia faccia, ma farlo in casa è un po' tragico.
Guarda anche qui eventualmente, per prendere un PCB pronto: http://www.thesoundblast.com/tda1553e.html
Si potrebbe fare un bel lavoro, farlo produrre da batchpcb.com, e magari realizzare 2-3 ampli multiuso.
Vedi tu, anche in base all'impegno economico che vuoi sostenere.
Siamo d'accordo che la valenza di questo progetto è prevalentemente didattica, se vuoi montare un ampli bello pronto (e perfettamente funzionante!) ci sono gli ottimi kit di cui parlavamo nei messaggi precedenti.
Allora, come già detto da claudiocedrone, gli induttori non sono componenti attivi, bensì reattivi. Direi che un po' di elettrotecnica in più si impone; qui nel forum potrai trovare davvero tanto materiale per imparare ciò che ti manca, poi se ti fa piacere possiamo continuare con l'analisi del circuito.
- Progetto e realizzazione di un PCB "in casa". Devi disegnarlo, inciderlo, forarlo, saldarci, etc...
- Millefori. Qui abbiamo detto che con una oculata disposizione delle masse possiamo ottenere qualcosa di dignitoso.
Per procedere, comunque, direi di approfondire un po' la questione teorica. il PCB ti risparmia un po' di problemi, ma realizzandolo su singola faccia hai poco più che un millefori per le mani... alla fine son pur sempre fili tirati per aria, non ci sono i benefici di un piano di massa, etc.
Sarebbe bello realizzare un doppia faccia, ma farlo in casa è un po' tragico.
Guarda anche qui eventualmente, per prendere un PCB pronto: http://www.thesoundblast.com/tda1553e.html
Si potrebbe fare un bel lavoro, farlo produrre da batchpcb.com, e magari realizzare 2-3 ampli multiuso.
Vedi tu, anche in base all'impegno economico che vuoi sostenere.
Siamo d'accordo che la valenza di questo progetto è prevalentemente didattica, se vuoi montare un ampli bello pronto (e perfettamente funzionante!) ci sono gli ottimi kit di cui parlavamo nei messaggi precedenti.
Non so nemmeno se sono capace di rispondere xD ma comunque ci provo...
Da quello che ho capito quindi dobbiamo trovare un modo di rendere costante il potenziale della "massa"... Perdonami se dico una "bestemmia elettronica" ma si potrebbe fare con un'induttanza messa sul piedino di massa ?
perché da come ricordo, le induttanze sono componenti attivi, che si oppongono alle variazioni di corrente... Ma può darsi che sbaglio
Allora, come già detto da claudiocedrone, gli induttori non sono componenti attivi, bensì reattivi. Direi che un po' di elettrotecnica in più si impone; qui nel forum potrai trovare davvero tanto materiale per imparare ciò che ti manca, poi se ti fa piacere possiamo continuare con l'analisi del circuito.
Alberto.
0
voti
Non so, quanto potrebbe venire a costare un PCB su batchpcb.com e come dovrei fare per farlo realizzare?
Chi c’è in linea
Visitano il forum: Nessuno e 138 ospiti

Elettrotecnica e non solo (admin)
Un gatto tra gli elettroni (IsidoroKZ)
Esperienza e simulazioni (g.schgor)
Moleskine di un idraulico (RenzoDF)
Il Blog di ElectroYou (webmaster)
Idee microcontrollate (TardoFreak)
PICcoli grandi PICMicro (Paolino)
Il blog elettrico di carloc (carloc)
DirtEYblooog (dirtydeeds)
Di tutto... un po' (jordan20)
AK47 (lillo)
Esperienze elettroniche (marco438)
Telecomunicazioni musicali (clavicordo)
Automazione ed Elettronica (gustavo)
Direttive per la sicurezza (ErnestoCappelletti)
EYnfo dall'Alaska (mir)
Apriamo il quadro! (attilio)
H7-25 (asdf)
Passione Elettrica (massimob)
Elettroni a spasso (guidob)
Bloguerra (guerra)






