Con il tuo circuito comunque posso collegarci lo schermo da 12Volt vero?
E non rischio di bruciare o di ridurre la vita del sintoamplificatore? per ora mi interessa quello
Moderatore:
IsidoroKZ

UltrasNinjas ha scritto: Magari prima provo con il solo transistor Tip31 e poi provo il tuo se riesco![]()
UltrasNinjas ha scritto:Con il tuo circuito comunque posso collegarci lo schermo da 12Volt vero?
E non rischio di bruciare o di ridurre la vita del sintoamplificatore? per ora mi interessa quello

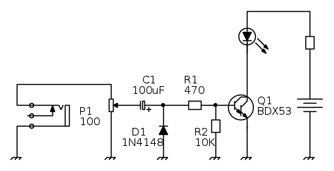
JAndrea ha scritto:Quel che in conclusione io ti domando è: "In un circuito del genere, secondo il mio punto di vista il transistor non dura molto, Sbaglio?"
marco438 ha scritto:Facendo quel circuito non impari nulla perche' molte delle soluzioni adottate hanno poco a che fare con i principi dell'elettronica; ti avevo in precedenza suggerito un circuito "serio" ma pare che non sia di tuo gradimento e non capisco perche'



UltrasNinjas ha scritto:Perché dal jack, o comunque dai cavi del subwoofer ne prendo uno solo e non tutti e 2 quindi non aggiungo resistenza in out,
UltrasNinjas ha scritto:perché ho visto che lui ha usato dei led da 12 V quindi va bene,
UltrasNinjas ha scritto: e perché ho capito più o meno come funziona.
Torna a Elettronica e spettacolo
Visitano il forum: Nessuno e 3 ospiti