Cos'è ElectroYou | Login Iscriviti

ElectroYou - la comunità dei professionisti del mondo elettrico

MOTORIZZAZIONE 12 V. POLTRONA RECLINABILE

Piccole automazioni, installazioni elettroniche e domotica
0
voti

[1] MOTORIZZAZIONE 12 V. POLTRONA RECLINABILE

Messaggioda Foto Utenteettorecastallo » 29 dic 2012, 2:43

Mi trovo a dover motorizzare una poltrona reclinabile con un motore 12 V.
ovviamente vanno inseriti i due interruttori finecorsa (che io presuppongo debbano essere deviatori)
c'è uno schema da scaricare da qualche sito con i due pulsanti "avanti" e "indietro" ?

:D

Grazie per ogni aiuto
Avatar utente
Foto Utenteettorecastallo
10 3
New entry
New entry
 
Messaggi: 57
Iscritto il: 13 ott 2011, 10:18

0
voti

[2] Re: MOTORIZZAZIONE 12 V. POLTRONA RECLINABILE

Messaggioda Foto Utenteattilio » 29 dic 2012, 12:23

I due fine corsa, possono essere dei semplici contatti N.C. (in serie alla logica di funzionamento) in modo che quando la poltrona si trova in una delle due posizioni di fine corsa, si inibisce il funzionamento del motore, che in caso contrario potrebbe andare sotto sforzo e danneggiarsi.

I pulsanti (di tipo N.O.) devono quanto meno prevedere un'interblocco elettrico e fare capo a due circuiti di marcia (salita e discesa) azionati da due relè.

Per applicazioni simili, si trovano già schedine di comando e pulsantiere preassemblate, lo schema è abbastanza semplice ed intuitivo anche se può essere affinato a piacimento.

Saluti
Ognuno sta solo sul cuor della terra
trafitto da un raggio di sole:
ed è subito sera


Salvatore Quasimodo
Avatar utente
Foto Utenteattilio
61,4k 8 12 13
free expert
 
Messaggi: 9167
Iscritto il: 21 gen 2007, 14:34

0
voti

[3] Re: MOTORIZZAZIONE 12 V. POLTRONA RECLINABILE

Messaggioda Foto Utenteettorecastallo » 29 dic 2012, 12:40

Grazie per la risposta immediata

Dato che macino pochissimo di elettrotecnica, potrei avere una bozza di schema oppure un indirizzo per reperire la scheda di cui parli ?

Grazie

O_/
Avatar utente
Foto Utenteettorecastallo
10 3
New entry
New entry
 
Messaggi: 57
Iscritto il: 13 ott 2011, 10:18

0
voti

[4] Re: MOTORIZZAZIONE 12 V. POLTRONA RECLINABILE

Messaggioda Foto Utenteg.schgor » 29 dic 2012, 14:53

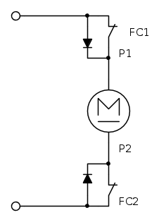
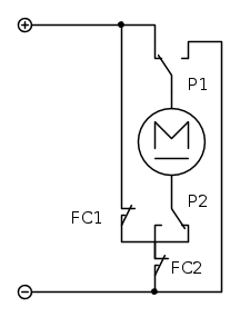
Ecco un possibile schema con 2 pulsanti (P1,P2),
con contatti di scambio. FC1 ed FC2 sono i rispettivi
finecorsa di marcia.
Avatar utente
Foto Utenteg.schgor
57,8k 9 12 13
G.Master EY
G.Master EY
 
Messaggi: 16971
Iscritto il: 25 ott 2005, 9:58
Località: MILANO

0
voti

[5] Re: MOTORIZZAZIONE 12 V. POLTRONA RECLINABILE

Messaggioda Foto Utentelelerelele » 29 dic 2012, 16:58

visto che stiamo parlando di motori in DC....

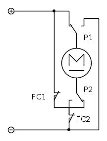
ritengo che un'altra soluzione per l'arresto di finecorsa, sia l'uso di un contatto singolo, in parallelo ad un diodo,



ogni finecorsa arresta il suo senso di marcia, ed il relativo diodo rende possibile la marcia in senso opposto, ma dipende da cosa serva a te.
Avatar utente
Foto Utentelelerelele
4.899 3 7 9
Master
Master
 
Messaggi: 5505
Iscritto il: 8 giu 2011, 8:57
Località: Reggio Emilia

0
voti

[6] Re: MOTORIZZAZIONE 12 V. POLTRONA RECLINABILE

Messaggioda Foto Utenteettorecastallo » 29 dic 2012, 19:10

g.schgor ha scritto:Ecco un possibile schema con 2 pulsanti (P1,P2),
con contatti di scambio. .................


Per cui i due pulsanti (con contatti di scambio) se vengono rilasciati, fermano il motore in qualsiasi punto si trova e successivamente si può azionare l'altro interruttore per il ritorno

:?:
................. oppure si deve arrivare sino all'interruttore finecorsa per far girare il motore in senso inverso ?

Grazie
Avatar utente
Foto Utenteettorecastallo
10 3
New entry
New entry
 
Messaggi: 57
Iscritto il: 13 ott 2011, 10:18

0
voti

[7] Re: MOTORIZZAZIONE 12 V. POLTRONA RECLINABILE

Messaggioda Foto Utenteattilio » 29 dic 2012, 19:32

Certo che no!
Se guardi bene lo schema di Foto Utenteg.schgor, vedrai che i contatti "normalmente chiusi" dei finecorsa consentono il funzionamento del circuito in salita e discesa finché uno dei due non viene raggiunto e commutato, a quel punto sarà possibile dare al motore solamente il comando contrario.
Ognuno sta solo sul cuor della terra
trafitto da un raggio di sole:
ed è subito sera


Salvatore Quasimodo
Avatar utente
Foto Utenteattilio
61,4k 8 12 13
free expert
 
Messaggi: 9167
Iscritto il: 21 gen 2007, 14:34

0
voti

[8] Re: MOTORIZZAZIONE 12 V. POLTRONA RECLINABILE

Messaggioda Foto Utenteettorecastallo » 29 dic 2012, 20:14

Grazie per aver risolto il dubbio ! :ok:

Ora sto pensando di introdurre due relè
a valle dei pulsanti....... sono indispensabili ?

Penso che con due relè il tutto abbia una durata maggiore ( o sbaglio)
Avatar utente
Foto Utenteettorecastallo
10 3
New entry
New entry
 
Messaggi: 57
Iscritto il: 13 ott 2011, 10:18

0
voti

[9] Re: MOTORIZZAZIONE 12 V. POLTRONA RECLINABILE

Messaggioda Foto UtenteCGIUSEPPE61 » 29 dic 2012, 23:48

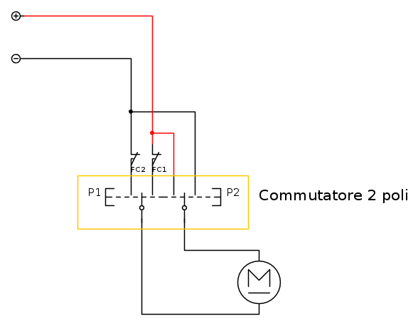
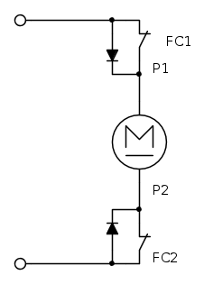
Foto Utenteettorecastallo Non è necessario installare nessun relè. Ho reso più comprensibile ( almeno lo spero ) lo schema già realizzato da Foto Utenteg.schgor. Praticamente ho inserito un commutatore ( es: 14060 Vimar Plana ) . Tenendo premuto P1 si avrà un senso di rotazione del motore fin quando si vuole ma limitato dall'intervento del finecorsa FC1. Stesso funzionamento si avrà tenendo premuto P2 ma con senso di rotazione inverso.

Saluti

Allego link del commutatore
https://docs.google.com/viewer?url=http ... .10074.dxf

Avatar utente
Foto UtenteCGIUSEPPE61
482 1 3 5
Expert EY
Expert EY
 
Messaggi: 578
Iscritto il: 2 feb 2009, 18:05

0
voti

[10] Re: MOTORIZZAZIONE 12 V. POLTRONA RECLINABILE

Messaggioda Foto Utenteg.schgor » 30 dic 2012, 8:04

Concordo sull'inutilità di aggiungere relè.
L'unica precauzione è la verifica che i pulsanti di comando
siano compatibili con la corrente del motore.
Avatar utente
Foto Utenteg.schgor
57,8k 9 12 13
G.Master EY
G.Master EY
 
Messaggi: 16971
Iscritto il: 25 ott 2005, 9:58
Località: MILANO

Prossimo

Torna a Automazione civile

Chi c’è in linea

Visitano il forum: Nessuno e 20 ospiti