Il motore funziona in continua 12 V.
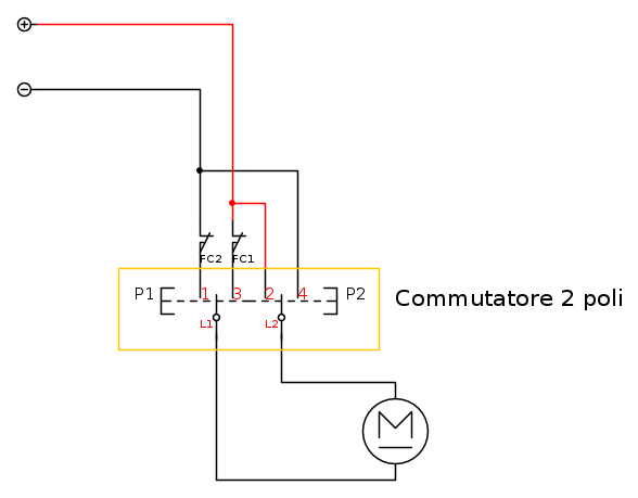
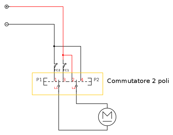
per cui non dovrebbero esserci grossi problemi per i pulsanti indicati
L'unico problema per un "profano" è la connessione - per cui mi sono permesso di inserire nello schema i riferimenti numerici dei contatti sul retro della pulsantiera indicata
Vi prego di correggermi se ho sbagliato
MOTORIZZAZIONE 12 V. POLTRONA RECLINABILE
0
voti
- Allegati
-
- SCHEMA CON COMM.JPG (16.92 KiB) Osservato 5780 volte
-

ettorecastallo
10 3 - New entry

- Messaggi: 57
- Iscritto il: 13 ott 2011, 10:18
0
voti
ettorecastallo ha scritto:Vi prego di correggermi se ho sbagliato
Dovresti usare fidocadj per i disegni.
Puoi scaricarlo da qui.
Usarlo è facilissimo.
Copia il disegno che vuoi modificare, cliccando su "visualizza sorgente fidocadj", che trovi sotto il disegno stesso.
A questo punto copia il sorgente con CTRL+A e CTRL+C.
Apri Fidocadj e premi CTRL+V e come per magia ti compare il disegno.
A questo punto puoi modificarlo tramite l'interfaccia "paint-style", davvero semplice da usare.
Quando hai finito copia il tutto, da Fidocadj con CTRL+A e CTRL+C, vieni qui, sul forum, e clicca su rispondi.
In alto a destra troverai il tastino "fcd". Cliccalo e ti compariranno i tag
- Codice: Seleziona tutto
[fcd][/fcd]
a questo punto premi CTRL+V e avrai incollato il tuo disegno.
- Codice: Seleziona tutto
[fcd]Incolla qui il disegno[/fcd]
Pietro.
-

PietroBaima
90,7k 7 12 13 - G.Master EY

- Messaggi: 12206
- Iscritto il: 12 ago 2012, 1:20
- Località: Londra
0
voti
Ti allego, disegno con relativi numeri per la connessione al commutatore e link del commutatore in 3D.
Saluti
https://docs.google.com/viewer?url=http ... 0.7983.dxf
Saluti
https://docs.google.com/viewer?url=http ... 0.7983.dxf
-

CGIUSEPPE61
482 1 3 5 - Expert EY

- Messaggi: 578
- Iscritto il: 2 feb 2009, 18:05
0
voti
Grazie per l'aiuto veramente indispensabile per molti, come me, che sono poco esperti.
Credevo che i relè fossero "quasi" indispensabili, dato che in quasi tutti i circuiti trovati in internet erano presenti
stessa cosa per i diodi abbinati agli interruttori finecorsa.
Ma veramente possono essere esclusi senza problemi ?
spero di non aver creato scompiglio !!!!
Credevo che i relè fossero "quasi" indispensabili, dato che in quasi tutti i circuiti trovati in internet erano presenti
stessa cosa per i diodi abbinati agli interruttori finecorsa.
spero di non aver creato scompiglio !!!!
-

ettorecastallo
10 3 - New entry

- Messaggi: 57
- Iscritto il: 13 ott 2011, 10:18
0
voti
ettorecastallo ha scritto:Il motore funziona in continua 12 V.
per cui non dovrebbero esserci grossi problemi per i pulsanti indicati
Scusa, ma non è un ragionamento corretto.
Non è la tensione che conta, ma la corrente.
Quindi dovresti dire che potenza ha il tuo motore
per ricavare quanti amper può assorbire
(per verificare che i pulsanti ed i finecorsa siano compatibili)
Ove la potenza del motore fosse troppo elevata
occorre utilizzare teleruttori (non relè qualsiasi).
0
voti
OK adesso ho compreso !
Il motore è quello che normalmente comanda il tergicristallo della vecchia panda fiat:
sulla targhetta dello stesso è riportato:
12 V. - 1,5 A
e per i diodi abbinati ai finecorsa ?
Il motore è quello che normalmente comanda il tergicristallo della vecchia panda fiat:
sulla targhetta dello stesso è riportato:
12 V. - 1,5 A
e per i diodi abbinati ai finecorsa ?
-

ettorecastallo
10 3 - New entry

- Messaggi: 57
- Iscritto il: 13 ott 2011, 10:18
0
voti
Condivido quanto detto da
g.schgor .
ettorecastallo Per tua info i contatti del commutatore sono da 10A max.
Saluti
Saluti
-

CGIUSEPPE61
482 1 3 5 - Expert EY

- Messaggi: 578
- Iscritto il: 2 feb 2009, 18:05
0
voti
I diodi di ricircolo, supponendo che tu intenda questa funzione, in questo caso sono del tutto inutili.
Ognuno sta solo sul cuor della terra
trafitto da un raggio di sole:
ed è subito sera
Salvatore Quasimodo
trafitto da un raggio di sole:
ed è subito sera
Salvatore Quasimodo
0
voti
Perfetto ! credo di aver risolto tutti i problemi che mi assillavano con il motore 12V. in corrente continua.
------ e se si dovesse usare un motore 220 V. asincrono (con un condensatore) ?
un motore ex lavatrice da 1,6 A.
Il circuito cambierebbe molto ? 
------ e se si dovesse usare un motore 220 V. asincrono (con un condensatore) ?
un motore ex lavatrice da 1,6 A.
-

ettorecastallo
10 3 - New entry

- Messaggi: 57
- Iscritto il: 13 ott 2011, 10:18
1
voti
Come? Passeresti da un motore in continua da 18W (che mi sembra poco)
ad uno in alternata da 350W (che mi sembra esagerato)?
Credo tu debba chiarire prima che potenza ti serve
(non scegliere il motore che ti fa comodo)
ad uno in alternata da 350W (che mi sembra esagerato)?
Credo tu debba chiarire prima che potenza ti serve
(non scegliere il motore che ti fa comodo)
Chi c’è in linea
Visitano il forum: Nessuno e 1 ospite

Elettrotecnica e non solo (admin)
Un gatto tra gli elettroni (IsidoroKZ)
Esperienza e simulazioni (g.schgor)
Moleskine di un idraulico (RenzoDF)
Il Blog di ElectroYou (webmaster)
Idee microcontrollate (TardoFreak)
PICcoli grandi PICMicro (Paolino)
Il blog elettrico di carloc (carloc)
DirtEYblooog (dirtydeeds)
Di tutto... un po' (jordan20)
AK47 (lillo)
Esperienze elettroniche (marco438)
Telecomunicazioni musicali (clavicordo)
Automazione ed Elettronica (gustavo)
Direttive per la sicurezza (ErnestoCappelletti)
EYnfo dall'Alaska (mir)
Apriamo il quadro! (attilio)
H7-25 (asdf)
Passione Elettrica (massimob)
Elettroni a spasso (guidob)
Bloguerra (guerra)
pigreco]=π

