da
ettorecastallo » 31 dic 2012, 19:22
g.schgor ha scritto:.........ma se vuoi che il motore si fermi devi anche toglierli
l'alimentazione, quindi ci vuole, come detto, un altro
teleruttore).
Scusami se non ho capito......
pensavo che la corrente fosse fornita al relè dal "commutatore a 2 poli" di volta in volta a secondo del senso voluto.
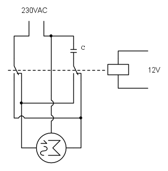
questo circuito potrebbe essere la prima parte?
come eventualmente andrebbe integrato al nostro?
Allora vanno inseriti altri 2 relè o un relè doppio ?Qualcuno potrebbe integrare il circuito con questi ultimi elementi:
1) -Commutatore 2 poli per il comando su-giù
2) - 2 finecorsa
3) - teleruttore per togliere l'alimentazione (come da indicazione di "G.Schgor")
Grazie a chi vuol dare questo ulteriore aiuto 