gli altri che erano piu semplici li ho fatti correttamente.
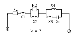
il primo è questo, mi blocco quando devo calcolare la V,
mi aiutate? grazie
I= 2A
Xl1=Xl2=Xl3= 4 ohm
R1=R2= 3 ohm
Xc= 5 ohm
V = ?
Moderatori:
g.schgor,
IsidoroKZ


e fare il parallelo con
.

Torna a Elettrotecnica generale
Visitano il forum: Nessuno e 109 ospiti