Cos'è ElectroYou | Login Iscriviti

ElectroYou - la comunità dei professionisti del mondo elettrico

Thèvenin con generatori pilotati

Circuiti, campi elettromagnetici e teoria delle linee di trasmissione e distribuzione dell’energia elettrica

Moderatori: Foto Utenteg.schgor, Foto UtenteIsidoroKZ

0
voti

[1] Thèvenin con generatori pilotati

Messaggioda Foto UtenteArya89 » 10 gen 2013, 22:55

Salve ragazzi ho questo esercizio di cui devo calcolare la corrente del resistore R_4 con l'aiuto di Thèvenin ma ho qualche problema a calcolare la resistenza equivalente una volta spento il GDC e sostituito con un aperto. Dopo aver stabilito che le 3 resistenze del circuito sono in serie, poi come devo comportarmi essendoci la presenza di un generatore di tensione controllato in corrente? Grazie a tutti :))
L'esercizio è questo
Avatar utente
Foto UtenteArya89
80 5
Frequentatore
Frequentatore
 
Messaggi: 149
Iscritto il: 7 gen 2013, 10:54

0
voti

[2] Re: Thèvenin con generatori pilotati

Messaggioda Foto UtenteMatteo1991 » 10 gen 2013, 23:30

Mi viene in mente la seguente soluzione:


Applichi (idealmente) un generatore di tensione ausiliario di f.e.m. = 1V, risolvi nuovamente la rete e trovi I_ingresso.
Di conseguenza la resistenza tra A e B è ;-) :
R=\frac{Vcc}{I ingresso}
Ultima modifica di Foto UtenteMatteo1991 il 10 gen 2013, 23:50, modificato 1 volta in totale.
Avatar utente
Foto UtenteMatteo1991
406 2 4 12
Frequentatore
Frequentatore
 
Messaggi: 280
Iscritto il: 28 giu 2012, 16:38

1
voti

[3] Re: Thèvenin con generatori pilotati

Messaggioda Foto UtenteRenzoDF » 10 gen 2013, 23:45

Nuova regola, d'ora in avanti, chi omette i segni dei generatori (o qualsiasi altro parametro circuitale) si becca un voto negativo :!: :mrgreen:
"Il circuito ha sempre ragione" (Luigi Malesani)
Avatar utente
Foto UtenteRenzoDF
55,9k 8 12 13
G.Master EY
G.Master EY
 
Messaggi: 13189
Iscritto il: 4 ott 2008, 9:55

1
voti

[4] Re: Thèvenin con generatori pilotati

Messaggioda Foto UtenteMatteo1991 » 10 gen 2013, 23:48

Sono d'accordo ;-)
Avatar utente
Foto UtenteMatteo1991
406 2 4 12
Frequentatore
Frequentatore
 
Messaggi: 280
Iscritto il: 28 giu 2012, 16:38

1
voti

[5] Re: Thèvenin con generatori pilotati

Messaggioda Foto UtenteArya89 » 10 gen 2013, 23:50

Come potrei calcolare tale corrente?

RenzoDF ha scritto:Nuova regola, d'ora in avanti, chi omette i segni dei generatori (o qualsiasi altro parametro circuitale) si becca un voto negativo :!: :mrgreen:

Io sono nuova, devo ancora far pratica pardon :-P
Avatar utente
Foto UtenteArya89
80 5
Frequentatore
Frequentatore
 
Messaggi: 149
Iscritto il: 7 gen 2013, 10:54

1
voti

[6] Re: Thèvenin con generatori pilotati

Messaggioda Foto UtenteLele_u_biddrazzu » 11 gen 2013, 0:14

Per calcolare la resistenza equivalente potresti procedere così...



\begin{aligned}V_{p} & =\left(2+R_{1}+R_{2}\right)i_{1}\\
 & =\left(2+R_{1}+R_{2}\right)\left(I_{p}-\frac{V_{p}}{R_{3}}\right)
\end{aligned}

...manipolando opportunamente l'equazione, si ottiene...

R_{eq}=\frac{V_{p}}{I_{p}}=\frac{2+R_{1}+R_{2}}{\frac{2+R_{1}+R_{2}}{R_{3}}+1}
Emanuele Lorina

- Chi lotta contro i mostri deve fare attenzione a non diventare lui stesso un mostro. E se tu riguarderai a lungo in un abisso, anche l'abisso vorrà guardare dentro di te (F. Nietzsche)
- Tavole della legge by admin
Avatar utente
Foto UtenteLele_u_biddrazzu
8.154 3 8 13
Master EY
Master EY
 
Messaggi: 1288
Iscritto il: 23 gen 2007, 16:13
Località: Modena

0
voti

[7] Re: Thèvenin con generatori pilotati

Messaggioda Foto UtenteMatteo1991 » 11 gen 2013, 0:31

Vorrei cogliere l'occasione per chiarire un dubbio:
ipotizzando che il generatore pilotato fosse un "generatore di corrente pilotato in corrente", pilotato dalla propria corrente ?% , si verrebbe a creare una situazione simile a questa:


essendo
I=2I
affinché ciò sia valido è necessario che
I=0
Posso affermare che in tal caso si ha un circuito aperto (non passa corrente) ? :roll:
Avatar utente
Foto UtenteMatteo1991
406 2 4 12
Frequentatore
Frequentatore
 
Messaggi: 280
Iscritto il: 28 giu 2012, 16:38

0
voti

[8] Re: Thèvenin con generatori pilotati

Messaggioda Foto UtenteArya89 » 11 gen 2013, 11:34

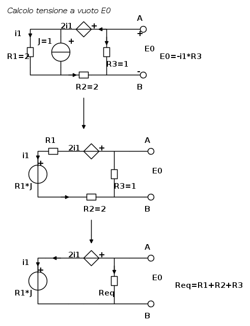
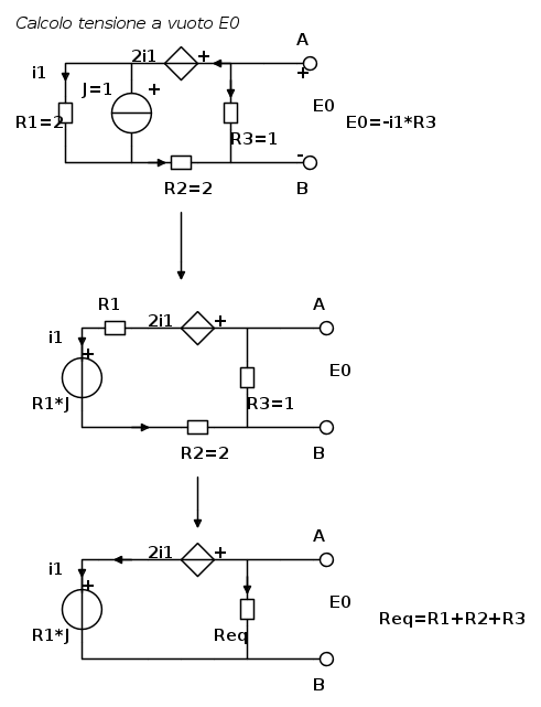
Lele ma la resistenza equivalente è quella relativa a tutto il circuito cioè è la resistenza equivalente di Thèvenin finale giusto? Poi Nel calcolo della tensione a vuoto nemmeno mi trovo :(
Il circuito è questo:


Matteo1991 ha scritto:Vorrei cogliere l'occasione per chiarire un dubbio:

Ottima domanda!!
Avatar utente
Foto UtenteArya89
80 5
Frequentatore
Frequentatore
 
Messaggi: 149
Iscritto il: 7 gen 2013, 10:54

1
voti

[9] Re: Thèvenin con generatori pilotati

Messaggioda Foto UtenteRenzoDF » 11 gen 2013, 11:47

Matteo1991 ha scritto:... ipotizzando che il generatore pilotato fosse un "generatore di corrente pilotato in corrente", pilotato dalla propria corrente
essendo
I=2I
affinché ciò sia valido è necessario che
I=0
Posso affermare che in tal caso si ha un circuito aperto (non passa corrente) ? :roll:

Si, senza ombra di dubbio! :ok:
"Il circuito ha sempre ragione" (Luigi Malesani)
Avatar utente
Foto UtenteRenzoDF
55,9k 8 12 13
G.Master EY
G.Master EY
 
Messaggi: 13189
Iscritto il: 4 ott 2008, 9:55

1
voti

[10] Re: Thèvenin con generatori pilotati

Messaggioda Foto UtenteRenzoDF » 11 gen 2013, 11:55

Arya89 ha scritto:... ma la resistenza equivalente è quella relativa a tutto il circuito cioè è la resistenza equivalente di Thèvenin finale giusto? Poi Nel calcolo della tensione a vuoto nemmeno mi trovo :(
Il circuito è questo:

Sbagli sia nella prima semplificazione, sia nella seconda.

Nella prima, in quanto la corrente attraverso il generatore R1*J non è pari a i1, nella seconda in quanto, "guardando" la rete dai morsetti A B i tre resistori R1, R2 e R3 non possono essere considerati in serie.

Prova a risolvere usando Millman al fine di calcolarti i1 dalla relazione per la tensione ai morsetti del GIT

R_1i_1=\frac{J-\frac{2 i _ 1 }{ R _ 2 + R _ 3 }}{\frac{1}{R_1}+\frac{1}{R_2+R_3}}}

BTW per quanto riguarda i segni sui generatori, vorrei solo ricordare che per i GIC si usa una freccia per indicare il verso della corrente, non un segno +, segno che invece sarebbe corretto usare per indicare il verso della fem per un GIT.
"Il circuito ha sempre ragione" (Luigi Malesani)
Avatar utente
Foto UtenteRenzoDF
55,9k 8 12 13
G.Master EY
G.Master EY
 
Messaggi: 13189
Iscritto il: 4 ott 2008, 9:55

Prossimo

Torna a Elettrotecnica generale

Chi c’è in linea

Visitano il forum: Nessuno e 58 ospiti