Ciao a tutti,
sto riparando una cassa amplificata di un impianto musicale per un amico.
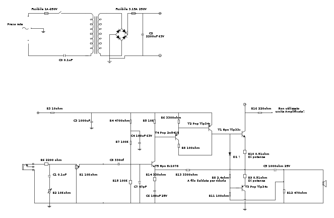
Appena dopo l'alimentazione mi sono ritrovato in serie al neutro 220 V un condensatore
della IC Tipo Mrw da 0.1uF non funzionante.
Prima di rimpiazzarlo mi stavo chiedendo che utilità potesse avere questo condensatore.
Mi sta bene per l'eliminazione dei disturbi a bassa frequenza (se non sbaglio Xc=-31830ohm a 50hz) ma non mi va ad influire troppo anche sulla tensione di rete?ed inoltre i distrubi ad alta frequenza li lasciamo passare tutti? Che ne pensate? (Non sono certo qualcuno abbia modificato il circuito.(NB non ho ancora messo giù tutto lo schema del circuito).
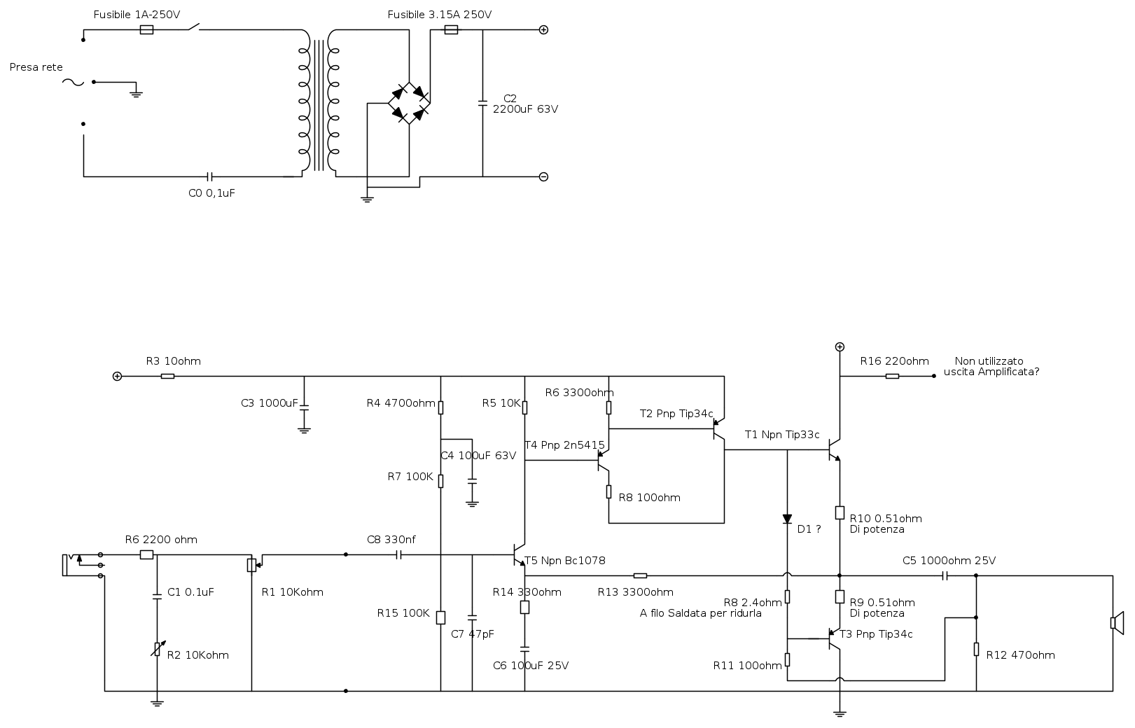
Altra questione, il mio amico mi diceva di avere il volume molto basso (i trasistor sono tutti ok, testati con tester provadiodi dopo averli smontati [Posso fidarmi del risultato??], e anche i vari condensatori e resistenze).
Una rapida occhiata mi ha dato il dubbio che la resistenza in ingresso sia alta (ripeto non ho ancora tirato giù lo schema) infatti appena dopo l'entrata con jack mono si trova una resistenza da 2.2k e poi un potenziometro da 10k (a parte poi il pot dei toni con filtro). L'uscita del pot va poi alla base di un BC1070 per il tramite di un condensatore e cosi alle basi degli altri transistor di potenza. La domanda è: la resistenza non sarà troppo alta? L'ingresso arriva dall'uscita di un mixer, ma non ho la più pallida idea di che tensione di picco possa arrivare e come valutare la resistenza. Qualcuno sa darmi una mano?
Grazie
Condensatore di Filtraggio Cassa Amplificata
Moderatori:
carloc,
g.schgor,
BrunoValente,
IsidoroKZ
33 messaggi
• Pagina 1 di 4 • 1, 2, 3, 4
0
voti
0
voti
Non credo sia possibile rispondere ad alcune delle domande senza uno schema.
Finiscilo e postalo usando FidoCadJ; poi se ne riparla.
Finiscilo e postalo usando FidoCadJ; poi se ne riparla.
marco
1
voti
Condensatore in serie al neutro? Non mi torna. Puoi fare uno schema della parte di alimentatore in cui c'e` quel condensatore con un po' di componenti attorno, in modo che si capisca la funzione?
Invece per il volume basso puo` darsi che il segnale in ingresso non sia sufficiente, o equivalentemente, il guadagno non sia sufficiente, ma direi di non toccare le impedenze.
Il tester o il provatransistor sono di solito un metodo abbastanza affidabile per vedere se un transistore sta bene di salute.
Invece per il volume basso puo` darsi che il segnale in ingresso non sia sufficiente, o equivalentemente, il guadagno non sia sufficiente, ma direi di non toccare le impedenze.
Il tester o il provatransistor sono di solito un metodo abbastanza affidabile per vedere se un transistore sta bene di salute.
Per usare proficuamente un simulatore, bisogna sapere molta più elettronica di lui
Plug it in - it works better!
Il 555 sta all'elettronica come Arduino all'informatica! (entrambi loro malgrado)
Se volete risposte rispondete a tutte le mie domande
Plug it in - it works better!
Il 555 sta all'elettronica come Arduino all'informatica! (entrambi loro malgrado)
Se volete risposte rispondete a tutte le mie domande
0
voti
Romolus ha scritto:...mi sono ritrovato in serie al neutro 220 V un condensatore
della IC Tipo Mrw da 0.1uF non funzionante...
Un po anomalo in serie.
0
voti

"Non farei mai parte di un club che accettasse la mia iscrizione" (G. Marx)
-

claudiocedrone
21,3k 4 7 9 - Master EY

- Messaggi: 15302
- Iscritto il: 18 gen 2012, 13:36
0
voti
Sto Procedendo all'estrazione dello schema elettrico, non appena ho finito ve lo posto.
Per il neutro e fase era solo per intenderci, non cambia nulla infatti.
Per il neutro e fase era solo per intenderci, non cambia nulla infatti.
0
voti
Ho finito lo schema finalmente.
Domani se riesco lo fidocaddo e ve lo mostro
Domani se riesco lo fidocaddo e ve lo mostro
0
voti
Ciao A tutti, ho finalmente finito lo schema, ve lo posto subito ditemi cosa ne pensate.
Per il condensatore in serie ingresso rete penso sia configurato come filtro con il trasformatore.
Ho misurato il primario ed è 2.69H (la frequeza di risonanza dovrebbe essere intorno ai 2000Hz???? non mi torna).
Inoltre non mi è chiara la resistenza R13 qualcuno sa illuminarmi.
Il D1 era illeggibile ma comunque piccolo.
Le resistenze R10 e R9 sono indispensabili?
Per concludere il poco volume riscontrato si può migliorare? ed inoltre come posso studiare
il circuito in modo semplice senza dover per forza fare la conversione dello stesso per piccolo segnale?
Grazie
Per il condensatore in serie ingresso rete penso sia configurato come filtro con il trasformatore.
Ho misurato il primario ed è 2.69H (la frequeza di risonanza dovrebbe essere intorno ai 2000Hz???? non mi torna).
Inoltre non mi è chiara la resistenza R13 qualcuno sa illuminarmi.
Il D1 era illeggibile ma comunque piccolo.
Le resistenze R10 e R9 sono indispensabili?
Per concludere il poco volume riscontrato si può migliorare? ed inoltre come posso studiare
il circuito in modo semplice senza dover per forza fare la conversione dello stesso per piccolo segnale?
Grazie
0
voti
Non penso proprio che sia un condensatore quello che sta in serie al trasformatore.
Ma che tensione leggi ai capi di C2?
Aspettiamo il responso di chi ne sa più di me.
Ma che tensione leggi ai capi di C2?
Aspettiamo il responso di chi ne sa più di me.
33 messaggi
• Pagina 1 di 4 • 1, 2, 3, 4
Chi c’è in linea
Visitano il forum: Nessuno e 59 ospiti

Elettrotecnica e non solo (admin)
Un gatto tra gli elettroni (IsidoroKZ)
Esperienza e simulazioni (g.schgor)
Moleskine di un idraulico (RenzoDF)
Il Blog di ElectroYou (webmaster)
Idee microcontrollate (TardoFreak)
PICcoli grandi PICMicro (Paolino)
Il blog elettrico di carloc (carloc)
DirtEYblooog (dirtydeeds)
Di tutto... un po' (jordan20)
AK47 (lillo)
Esperienze elettroniche (marco438)
Telecomunicazioni musicali (clavicordo)
Automazione ed Elettronica (gustavo)
Direttive per la sicurezza (ErnestoCappelletti)
EYnfo dall'Alaska (mir)
Apriamo il quadro! (attilio)
H7-25 (asdf)
Passione Elettrica (massimob)
Elettroni a spasso (guidob)
Bloguerra (guerra)






