Mi scuso in anticipo per la scarsa qualità dei circuti costruiti con FidoCadJ, sono un principiante e ho ancora molto da imparare ....
Oggi volevo provorvi questo circuito elettrico ; ci sto sbattendo la testa da tanto e non riesco a trovare la Iequivalente (Corrente equivalente di Norton). Vi illustrerò tutti i miei passaggi fino a quando non riesco più a continuare :
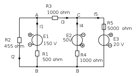
Circuito originario.
Il mio obiettivo è calcolare la I4 (Quella che scorre nel ramo con E2) : vado a tracciare il circuito finale di Norton .
PS: Il prof. ci ha detto che le polarità di Ieq. vanno messe quando la andremo a calcolare, giusto ?
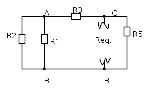
Calcolo la Req. rendendo il circuito passivo ...
Calcoli :



Calcolo la Ieq....
Ho messo un cortocircuito da C ---->B (questo perché ho viste le polarità del generatore con tensione più alta ).
Ho ipotizzato che in teoria Sul ramo della Ieq. arrivano due correnti Ieqx e Ieqy.. Giusto come ragionamento ???
<---- (giusta ?)Qui mi blocco... Mi potete aiutare a trovare Ieq. e ha fare il circuito finale di Norton ; grazie


Elettrotecnica e non solo (admin)
Un gatto tra gli elettroni (IsidoroKZ)
Esperienza e simulazioni (g.schgor)
Moleskine di un idraulico (RenzoDF)
Il Blog di ElectroYou (webmaster)
Idee microcontrollate (TardoFreak)
PICcoli grandi PICMicro (Paolino)
Il blog elettrico di carloc (carloc)
DirtEYblooog (dirtydeeds)
Di tutto... un po' (jordan20)
AK47 (lillo)
Esperienze elettroniche (marco438)
Telecomunicazioni musicali (clavicordo)
Automazione ed Elettronica (gustavo)
Direttive per la sicurezza (ErnestoCappelletti)
EYnfo dall'Alaska (mir)
Apriamo il quadro! (attilio)
H7-25 (asdf)
Passione Elettrica (massimob)
Elettroni a spasso (guidob)
Bloguerra (guerra)








