Cos'è ElectroYou | Login Iscriviti

ElectroYou - la comunità dei professionisti del mondo elettrico

Problema con vecchio alimentatore

Elettronica lineare e digitale: didattica ed applicazioni

Moderatori: Foto Utentecarloc, Foto Utenteg.schgor, Foto UtenteBrunoValente, Foto UtenteIsidoroKZ

0
voti

[21] Re: Problema con vecchio alimentatore

Messaggioda Foto Utenteenrico123 » 19 gen 2013, 16:53

Ho testato le tensioni: in uscita dal trasformatore ho preso i due fili neri sottili, che ritornano alla scheda (dove sono i diodi), non quelli che vanno al transistor posteriore. La tensione è 40.3V alternata. Ho provato anche quando non funzionava (lampada spenta), ed era uguale (magari variando di qualche decimo, ma sostanzialmente identica), quindi il problema dovrebbe essere a valle...

Ai capi del condensatore grande, invece, non sono riuscito a misurarla perché, solamente toccando con un puntale (uno solo!) del tester su un piedino del condensatore si avevano delle piccole scintille (sono sicuro di non aver cortocircuitato nulla, non toccavo altro che il condensatore).
Ho riprovato e si è rotto il fusibile :roll: non so se riesco a trovarne uno uguale, altrimenti mi tocca aspettare lunedì!

Intanto, magari, proverò a capire qualcosa sullo schema e sui collegamenti della scheda!

Ah, i link erano semplicemente i seguenti:

circuito integrato:
http://www.ebay.it/itm/MC1723CG-Semiconductor-x-1-pieces-/160937653641?pt=UK_BOI_Electrical_Components_Supplies_ET&hash=item2578a1b589

transistor:
http://www.ebay.it/itm/si-n-50v-15a-117w-BD-142-BD142-/280953662816?pt=Componenti_elettronici_attivi&hash=item416a24ad60
Avatar utente
Foto Utenteenrico123
10 3
New entry
New entry
 
Messaggi: 56
Iscritto il: 1 mar 2007, 15:35

0
voti

[22] Re: Problema con vecchio alimentatore

Messaggioda Foto Utentemarco438 » 19 gen 2013, 16:59

enrico123 ha scritto:Ai capi del condensatore grande, invece, non sono riuscito a misurarla perché, solamente toccando con un puntale (uno solo!) del tester su un piedino del condensatore si avevano delle piccole scintille

Il condensatore potrebbe essere in corto e quindi da cambiare; sei in grado di fare la sostituzione?

P.S. Riguardo l'integrato, qui costa meno e arriva prima e, visto che hanno anche i transistor, puoi risparmiare sulle spese di spedizione.
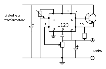
Riguardo poi lo schema, fai riferimento a quello che segue che ho disegnato sulla base delle foto; manca un trimmer che non ho capito come sia collegato, ma e' una cosa di secondaria importanza perche' dovrebbe servire solo a stabilire la massima tensione.


Se non capisci qualcosa dello schema, chiedi; altrimenti perdi tempo inutilmente.
marco
Avatar utente
Foto Utentemarco438
37,1k 7 11 13
-EY Legend-
-EY Legend-
 
Messaggi: 16323
Iscritto il: 24 mar 2010, 15:09
Località: Versilia

0
voti

[23] Re: Problema con vecchio alimentatore

Messaggioda Foto Utenteenrico123 » 19 gen 2013, 18:10

Grazie ancora per i consigli!

Si, nessun problema a dissaldare/risaldare componenti! C'è modo per capire se il condensatore è guasto? Non capisco perché ha scintillato e bruciato il fusibile collegando un solo puntale del tester!

Ho provato a vedere lo schema, mi pare ci siano delle differenze, tra l'altro il meno, di fatto, non credo che sia a massa (tra il meno e la massa c'è tensione!).

Mi sono cimentato in un'opera molto artigianale :D non so se può aiutare a capire la situazione. La notazione è molto... allegra :D per cui ditemi se c'è qualcosa di poco chiaro!

Senza titolo-1.jpg
Senza titolo-1.jpg (163.35 KiB) Osservato 3606 volte
Ultima modifica di Foto Utentemarco438 il 20 gen 2013, 10:47, modificato 2 volte in totale.
Motivazione: Ridimensionata immagine e corretto termini. Si dice tensione e non voltaggio
Avatar utente
Foto Utenteenrico123
10 3
New entry
New entry
 
Messaggi: 56
Iscritto il: 1 mar 2007, 15:35

0
voti

[24] Re: Problema con vecchio alimentatore

Messaggioda Foto Utentemarco438 » 19 gen 2013, 18:23

Ho eliminato il messaggio precedente; avevo visto male e senza occhiali.
Piu' tardi guardo con calma quel tuo circuito.
Sei in grado (hai il ricambio) di sostituire il condensatore? Almeno potremmo procedere con altre misurazioni.
marco
Avatar utente
Foto Utentemarco438
37,1k 7 11 13
-EY Legend-
-EY Legend-
 
Messaggi: 16323
Iscritto il: 24 mar 2010, 15:09
Località: Versilia

0
voti

[25] Re: Problema con vecchio alimentatore

Messaggioda Foto UtenteKagliostro » 19 gen 2013, 18:43

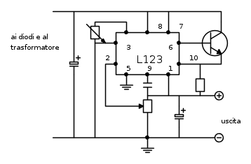
Così si vede tutto in contemporanea ;-)

Senza titolo-1.jpg
Senza titolo-1.jpg (59.81 KiB) Osservato 3656 volte


K
Ultima modifica di Foto UtenteRenzoDF il 20 gen 2013, 0:11, modificato 1 volta in totale.
Motivazione: Usare il pulsante "Inserisci in linea con il testo", grazie.
Avatar utente
Foto UtenteKagliostro
6.396 4 5 7
Master
Master
 
Messaggi: 4830
Iscritto il: 19 set 2012, 11:32

0
voti

[26] Re: Problema con vecchio alimentatore

Messaggioda Foto Utentemarco438 » 19 gen 2013, 23:54

Ho analizzato la scheda che, per configurazione, non si discosta molto dallo schema postato; probabilmente la vedi diversa per la posizione dei componenti e per la presenza di qualche elemento (resistenze e trimmer) in piu'.
In ogni caso, occorre fare delle misure per stabilire dove sia il difetto ma bisogna prima ripristinare il circuito sostituendo il condensatore e il fusibile.
Comunicami quando sei pronto.
marco
Avatar utente
Foto Utentemarco438
37,1k 7 11 13
-EY Legend-
-EY Legend-
 
Messaggi: 16323
Iscritto il: 24 mar 2010, 15:09
Località: Versilia

0
voti

[27] Re: Problema con vecchio alimentatore

Messaggioda Foto Utenteenrico123 » 20 gen 2013, 14:23

No, non ho un condensatore come quello, ma domani posso acquistarlo (insieme ad una buona scatolina di fusibili :D ). E' possibile fare qualche verifica per vedere se è guasto o è meglio sostituirlo direttamente?

Unico dubbio sulle caratteristiche: si tratta di un 2000 microfarad da 25V, giusto? (si vedono bene le scritte su questa foto: http://www.electroyou.it/phpBB2/download/file.php?id=21426)
E' normale che sia così grande o devo chiedere qualcosa in particolare al negozio?

Grazie ancora per l'aiuto e buona domenica!
Avatar utente
Foto Utenteenrico123
10 3
New entry
New entry
 
Messaggi: 56
Iscritto il: 1 mar 2007, 15:35

0
voti

[28] Re: Problema con vecchio alimentatore

Messaggioda Foto Utentemarco438 » 20 gen 2013, 14:48

Non avevo notato i valori del condensatore; ma non avevi detto che dal trasformatore escono 40Vac?
In ogni caso lo metterei da 2200 (da 2000 non so se lo trovi) e almeno 50V lavoro.
marco
Avatar utente
Foto Utentemarco438
37,1k 7 11 13
-EY Legend-
-EY Legend-
 
Messaggi: 16323
Iscritto il: 24 mar 2010, 15:09
Località: Versilia

0
voti

[29] Re: Problema con vecchio alimentatore

Messaggioda Foto Utenteedgar » 20 gen 2013, 15:24

marco438 ha scritto:Non avevo notato i valori del condensatore; ma non avevi detto che dal trasformatore escono 40Vac?
In ogni caso lo metterei da 2200 (da 2000 non so se lo trovi) e almeno 50V lavoro.

E' quasi certamente un trasformatore con secondario a presa centrale e lui ha misurato gli estremi del secondario.
I 4 diodi sono in parallelo a coppie, anzichè collegati a ponte. Un condensatore da almeno 35 V sicuramente male non fa
Avatar utente
Foto Utenteedgar
10,0k 4 5 8
Master
Master
 
Messaggi: 5229
Iscritto il: 15 set 2012, 22:59

0
voti

[30] Re: Problema con vecchio alimentatore

Messaggioda Foto Utenteclaudiocedrone » 20 gen 2013, 21:55

:-) Comunque sia gli conviene prendere un 2200 uF da 50 V, tanto il costo è praticamente uguale, inoltre è sicuro che da 2000 uF non lo troverebbe mai e nemmeno identico come forma e dimensioni, quello è un condensatore piuttosto "vintage" che anche ammesso che qualche negozio ce l'avesse in magazzino sarebbe completamente essiccato ed inutilizzabile, a me capitò qualche anno fa quando cercavo degli elettrolitici da 500 V per rimpiazzare quelli di un ampli valvolare e quando feci presente al venditore che quei "cosi" che mi aveva dato erano da discarica :mrgreen: (uno aveva addirittura tracce evidenti di fuoriuscita di elettrolita dallo sfiato)... me li dette ugualmente gratis e io li ho poi smontati e ho riutilizzato i contenitori di alluminio per farne schermi per ECC 83. O_/
"Non farei mai parte di un club che accettasse la mia iscrizione" (G. Marx)
Avatar utente
Foto Utenteclaudiocedrone
21,3k 4 7 9
Master EY
Master EY
 
Messaggi: 15302
Iscritto il: 18 gen 2012, 13:36

PrecedenteProssimo

Torna a Elettronica generale

Chi c’è in linea

Visitano il forum: Nessuno e 45 ospiti