Ciao a tutti... Vorrei farvi una domanda per cui non ho trovato risposta..
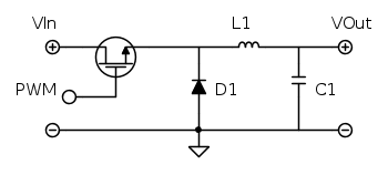
Considerando un convertitore buck...
...mi chiedevo, poiché il source del mosfet non è collegato a massa e non so che tensione c'è, che tensione bisogna applicare sul gate per controllarlo??
Convertitore buck
Moderatori:
carloc,
g.schgor,
BrunoValente,
IsidoroKZ
6 messaggi
• Pagina 1 di 1
0
voti
Ciao
Slyder.
Ti consiglio di cominciare con una lettura introduttiva a questi alimentatori:
http://www.ariparma.it/sites/default/fi ... tching.pdf
Ti consiglio di cominciare con una lettura introduttiva a questi alimentatori:
http://www.ariparma.it/sites/default/fi ... tching.pdf
0
voti
Slyder ha scritto:poiché il source del mosfet non è collegato a massa e non so che tensione c'è, che tensione bisogna applicare sul gate per controllarlo
Non essendo esperto di convertitori switching espongo il mio piccolo ragionamento.
Supponendo che il condensatore sia collegato a GND
La tensione al capo di C1 potrebbe (o prima dell'accensione del circuito lo è) essere 0V.
Da li in poi la
applicata al Gate del MOSFET dovrebbe essere fondamentale per il funzionamento del transistore e di conseguenza del convertitore.0
voti
mrc ha scritto:CiaoSlyder.
Ti consiglio di cominciare con una lettura introduttiva a questi alimentatori:
http://www.ariparma.it/sites/default/fi ... tching.pdf
Ok, però quello che non capisco io era che poiché il source del mosfet non è collegato ad esempio a massa, che tipo di segnale devo applicare sul gate per essere sicuro che vada in conduzione po in interdizione??
0
voti
Slyder ha scritto:però quello che non capisco io era che poiché il source del mosfet non è collegato ad esempio a massa, che tipo di segnale devo applicare sul gate per essere sicuro che vada in conduzione po in interdizione??
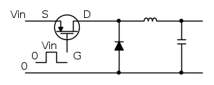
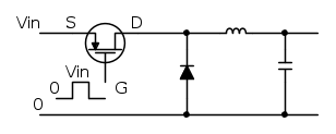
Supponendo che Q1 abbia una
, e
, quale è il valore di tensione (riferita a GND) necessario che bisogna applicare tra Gate e Source (quindi Vin) per accendere minimamente il transistore, e quale per spegnerlo?0
voti
Slyder ha scritto:Ok, però quello che non capisco io era che poiché il source del mosfet non è collegato ad esempio a massa, che tipo di segnale devo applicare sul gate per essere sicuro che vada in conduzione po in interdizione??
Ciao.
Provo a risponderti.
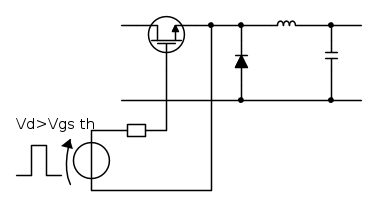
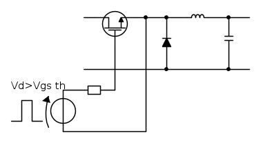
Quello che hai disegnato è un NMOS e perché lui conduca ha bisogno che la tensione Vgs sia maggiore della Vgs di soglia. Quindi che il potenziale di gate si più grande del potenziale di source di almeno Vgsth.
Per questo motivo, l'unico modo per accenderlo è fornire questa tensione. Concettualmente è questo:
Ovviamente il generatore di onda quadra che ti accende il MOS NON deve essere riferito al riferimento negativo del BUCK.
Questo è il classico problema di dover accendere "un interruttore" di tipo N sul ramo alto di un ponte/mezzo ponte H. Esistono molti modi per poter ottenere questa funzione (alimentazioni separate, condensatore di boostrap, integrati specifici).
Oppure la cosa diventa molto più semplice se al posto di usare un NMOS usi un PMOS. Qui per accenderlo devi abbassare il gate rispetto al source di Vghth.
Quindi qui puoi tranquillamente utilizzare un segnale riferito al meno del BUCK.
Ciao
Stefano
"perché un uomo è grande, GRANDE davvero, quando ritorna bambino di nuovo". Zecchino d'oro '87
6 messaggi
• Pagina 1 di 1
Chi c’è in linea
Visitano il forum: Nessuno e 208 ospiti

Elettrotecnica e non solo (admin)
Un gatto tra gli elettroni (IsidoroKZ)
Esperienza e simulazioni (g.schgor)
Moleskine di un idraulico (RenzoDF)
Il Blog di ElectroYou (webmaster)
Idee microcontrollate (TardoFreak)
PICcoli grandi PICMicro (Paolino)
Il blog elettrico di carloc (carloc)
DirtEYblooog (dirtydeeds)
Di tutto... un po' (jordan20)
AK47 (lillo)
Esperienze elettroniche (marco438)
Telecomunicazioni musicali (clavicordo)
Automazione ed Elettronica (gustavo)
Direttive per la sicurezza (ErnestoCappelletti)
EYnfo dall'Alaska (mir)
Apriamo il quadro! (attilio)
H7-25 (asdf)
Passione Elettrica (massimob)
Elettroni a spasso (guidob)
Bloguerra (guerra)









