chiedo il vostro aiuto perché da un po' di tempo sto armeggiando con un armadio automatismi anni '70, e sto cercando di capire il suo funzionamento, ma entrando più nel dettaglio della parte elettronica a transistor.
Vi inserisco uno spaccato di una scheda ingressi, cercando di capire grazie a Voi se il ragionamento che faccio è giusto oppure è frutto della mia immaginazione.
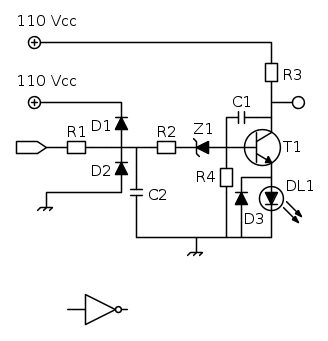
Questo è un pezzettino di scheda:
Questo schema è una parte di una scheda ingressi che serve ad implementare la funzione logica NOT, di questo sono sicuro perché ho una vecchia documentazione ciò di cui non capisco è parte del contorno.
Vi dico il mio ragionamento ditemi se sbaglio, il segnale arriva a +110V dall'ingrersso posto prima di R1 qui riduciamo la corrente per poterla mandare alla base del transistor (non resistenze da 1/4 di Watt ma più grandi), successivamente il condensatore C2 fa come da softstart si carica a questo punto con R2 riduciamo di nuovo la corrente e abbassiamo di conseguenza la tensione che poi regolarizziamo attraverso il diodo zener da qui comandiamo il transistor T1 che va in saturazione portandomi il transistor ON e quindi passando corrente si accende il LED DL1 e Vout va a 0, se il segnale di ingresso va a 0 su Vout avrò 1.
Secondo me hanno messo i diodi DI,D2 dopo R1 in controfase per prevenire il circuito da sovratensioni, anche il diodo D2 in parallelo al led DL1 credo sia stato inserito per proteggere il circuito da sovratensioni come sulle bobine dei relè, ditemi se sbaglio. La resistenza R3 serve per limitare la corrente sul transistor e sul Led, invece R4 serve per tenere la base del transistor stabile nel caso di leggere sovratensioni.
Non capisco a cosa serva il condensatore C1, questo proprio mi è ignoto non credo che c'entri con l'effetto Miller in quanto non è un sistema amplificatore, ma il transistor funziona solamente ON/OFF.
Vorrei che qualcuno mi spieghi se sto sbagliando qualcosa e soprattuto a cosa serve il condensatore C1.


Elettrotecnica e non solo (admin)
Un gatto tra gli elettroni (IsidoroKZ)
Esperienza e simulazioni (g.schgor)
Moleskine di un idraulico (RenzoDF)
Il Blog di ElectroYou (webmaster)
Idee microcontrollate (TardoFreak)
PICcoli grandi PICMicro (Paolino)
Il blog elettrico di carloc (carloc)
DirtEYblooog (dirtydeeds)
Di tutto... un po' (jordan20)
AK47 (lillo)
Esperienze elettroniche (marco438)
Telecomunicazioni musicali (clavicordo)
Automazione ed Elettronica (gustavo)
Direttive per la sicurezza (ErnestoCappelletti)
EYnfo dall'Alaska (mir)
Apriamo il quadro! (attilio)
H7-25 (asdf)
Passione Elettrica (massimob)
Elettroni a spasso (guidob)
Bloguerra (guerra)

fosse abbastanza piccola da non dare problemi.




