Vedo solo ora la tua ultima richiesta.
Per il pericolo di un guasto ad un finecorsa (abbastanza raro)
si può rimediare mettendone 2 (in serie) oppure stabilire
un tempo massimo di corsa: se entro quel tempo non interviene
il finecorsa viene comunque dato il comando d'arresto da parte
di un relè temporizzatore.
Sono però precauzioni che normalmente non sono adottate,
prevedendo piuttosto un intervento di protezione salvamotore
nel caso questo si bloccasse all'estremo della corsa.
MOTORIZZAZIONE 12 V. POLTRONA RECLINABILE
0
voti
Questo è più semplificato.
-

StefanoSunda
2.880 3 6 10 - Master

- Messaggi: 1962
- Iscritto il: 16 set 2010, 19:29
0
voti
Oppure con i relè aux.
-

StefanoSunda
2.880 3 6 10 - Master

- Messaggi: 1962
- Iscritto il: 16 set 2010, 19:29
0
voti
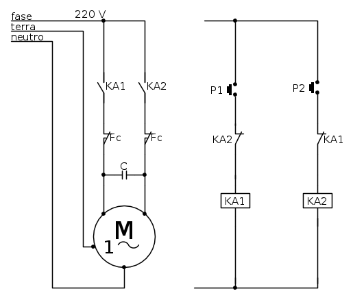
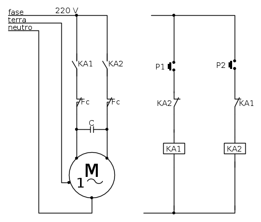
Sostituisce lo schema del post 52, mi sono dimenticato di interbloccare i pulsanti.
-

StefanoSunda
2.880 3 6 10 - Master

- Messaggi: 1962
- Iscritto il: 16 set 2010, 19:29
1
voti
Scusa
StefanoSunda, puoi spiegare come alimenti
i 2 avvolgimenti del motore e cos'è il collegamento di "terra"?
i 2 avvolgimenti del motore e cos'è il collegamento di "terra"?
0
voti
Ciao Giovanni, ho pensato che l’alimentazione venga da una presa, il collegamento di terra è il filo G/V.puoi spiegare come alimenti
i 2 avvolgimenti del motore e cos'è il collegamento di "terra"?
Nei sistemi dove il motore è usato per i due sensi di marcia, gli avvolgimenti sono uguali, mentre negli altri casi esiste l’avvolgimento di lavoro e di avviamento, che differiscono tra loro. L’inserzione del condensatore è corretta in questo caso.
-

StefanoSunda
2.880 3 6 10 - Master

- Messaggi: 1962
- Iscritto il: 16 set 2010, 19:29
0
voti
Grazie a tutti per l'aiuto prestatomi
......... e per la pazienza.
Ho utilizzato la soluzione 12 v. sia per il sollevamento che per lo schienale-reggigambe
Spesa totale (recuperando tutto dal demolitore, compresi gli interruttori alzavetro): 50 € !!
Ora devo solo rendere esteticamente apprezzabile
il telecontrollo a filo con gli interruttori "su-giù" !!!
......... e per la pazienza.
Ho utilizzato la soluzione 12 v. sia per il sollevamento che per lo schienale-reggigambe
Spesa totale (recuperando tutto dal demolitore, compresi gli interruttori alzavetro): 50 € !!
Ora devo solo rendere esteticamente apprezzabile
il telecontrollo a filo con gli interruttori "su-giù" !!!
-

ettorecastallo
10 3 - New entry

- Messaggi: 57
- Iscritto il: 13 ott 2011, 10:18
1
voti
Beh, fai delle fotografie, così vediamo cosa hai combinato.
Ciao.
Paolo.
Ciao.
Paolo.
"Houston, Tranquillity Base here. The Eagle has landed." - Neil A.Armstrong
-------------------------------------------------------------
PIC Experience - http://www.picexperience.it
-------------------------------------------------------------
PIC Experience - http://www.picexperience.it
-

Paolino
32,6k 8 12 13 - G.Master EY

- Messaggi: 4226
- Iscritto il: 20 gen 2006, 11:42
- Località: Vigevano (PV)
0
voti
Dato che la parte estetica non è ultima, invece dei pulsanti consigliati nei precedenti post (andrebbero benissimo per tapparelle elettriche o porte basculanti) ho preferito una pulsantiera diffusissima per i letti e le poltrone motorizzate sul mercato, come pezzo di ricambio cercando in internet "pulsantiera a filo" e "immagini"
Allego delle indicazioni, per chi volesse utilizzare la stessa pulsantiera:
Allego delle indicazioni, per chi volesse utilizzare la stessa pulsantiera:
- Allegati
-
- SCHEMA PULSANTIERA.JPG (18.76 KiB) Osservato 6826 volte
-
- PULSANTIERA.JPG (49.61 KiB) Osservato 6826 volte
-
- BASETTA PULSANTIERA.JPG (360.5 KiB) Osservato 6826 volte
-

ettorecastallo
10 3 - New entry

- Messaggi: 57
- Iscritto il: 13 ott 2011, 10:18
Chi c’è in linea
Visitano il forum: Nessuno e 18 ospiti

Elettrotecnica e non solo (admin)
Un gatto tra gli elettroni (IsidoroKZ)
Esperienza e simulazioni (g.schgor)
Moleskine di un idraulico (RenzoDF)
Il Blog di ElectroYou (webmaster)
Idee microcontrollate (TardoFreak)
PICcoli grandi PICMicro (Paolino)
Il blog elettrico di carloc (carloc)
DirtEYblooog (dirtydeeds)
Di tutto... un po' (jordan20)
AK47 (lillo)
Esperienze elettroniche (marco438)
Telecomunicazioni musicali (clavicordo)
Automazione ed Elettronica (gustavo)
Direttive per la sicurezza (ErnestoCappelletti)
EYnfo dall'Alaska (mir)
Apriamo il quadro! (attilio)
H7-25 (asdf)
Passione Elettrica (massimob)
Elettroni a spasso (guidob)
Bloguerra (guerra)



