Scusate se il titolo non è il più azzeccato, ma ultimamente mi stanno venendo una marea di dubbi su tutto.
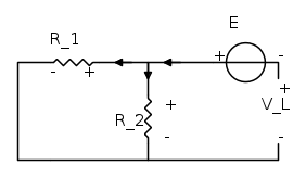
Se ho questo circuito
i resistori vengono passivati? Nel senso, non arriva corrente nei due resistori, giusto? E la tensione di V_L sarà proprio uguale a quella di E?
Grazie mille in anticipo
Generatore in serie a circuito aperto
Moderatori:
carloc,
g.schgor,
BrunoValente,
IsidoroKZ
6 messaggi
• Pagina 1 di 1
0
voti

"Non farei mai parte di un club che accettasse la mia iscrizione" (G. Marx)
-

claudiocedrone
21,3k 4 7 9 - Master EY

- Messaggi: 15302
- Iscritto il: 18 gen 2012, 13:36
0
voti
claudiocedrone ha scritto::-) Ehm, cosa è V_L ? Se il circuito è aperto non circola alcuna corrente, c'è solo la ddp ai capi del generatore pari ad E![]()
In realtà al posto di quel circuito aperto c'era un generatore di corrente I_L con una tensione V_L; quando lascio acceso un generatore alla volta per applicare la sovrapposizione degli effetti, ne esce un circuito aperto.
Quindi mi confermi che non circola corrente in nessun ramo del circuito in questo modo?
Cioè I_1 = I_2 = 0 e V_L = -E ?
Grazie mille!! :)
-

tigerjack89
23 4 - New entry

- Messaggi: 59
- Iscritto il: 31 ago 2012, 16:09
0
voti
In realtà quello è un circuito semplificato ottenuto da un altro più complesso con 3 generatori; ecco perché applico la sovrapposizione degli effetti :)
-

tigerjack89
23 4 - New entry

- Messaggi: 59
- Iscritto il: 31 ago 2012, 16:09
0
voti
Se hai un generatore di corrente in serie ad un generatore di tensione la corrente che circola nel loro proprio ramo e quella del generatore di corrente, applicando poi un partitore di corrente conosci la corrente che circola nelle resistenze e quindi la caduta di tensione su di esse e poi se vuoi conoscere la tensione ai capi del generatore di corrente basta una semplice LKT nella prima maglia.....


6 messaggi
• Pagina 1 di 1
Chi c’è in linea
Visitano il forum: Nessuno e 45 ospiti

Elettrotecnica e non solo (admin)
Un gatto tra gli elettroni (IsidoroKZ)
Esperienza e simulazioni (g.schgor)
Moleskine di un idraulico (RenzoDF)
Il Blog di ElectroYou (webmaster)
Idee microcontrollate (TardoFreak)
PICcoli grandi PICMicro (Paolino)
Il blog elettrico di carloc (carloc)
DirtEYblooog (dirtydeeds)
Di tutto... un po' (jordan20)
AK47 (lillo)
Esperienze elettroniche (marco438)
Telecomunicazioni musicali (clavicordo)
Automazione ed Elettronica (gustavo)
Direttive per la sicurezza (ErnestoCappelletti)
EYnfo dall'Alaska (mir)
Apriamo il quadro! (attilio)
H7-25 (asdf)
Passione Elettrica (massimob)
Elettroni a spasso (guidob)
Bloguerra (guerra)

