Cos'è ElectroYou | Login Iscriviti

ElectroYou - la comunità dei professionisti del mondo elettrico

Problema con vecchio alimentatore

Elettronica lineare e digitale: didattica ed applicazioni

Moderatori: Foto Utentecarloc, Foto Utenteg.schgor, Foto UtenteBrunoValente, Foto UtenteIsidoroKZ

0
voti

[51] Re: Problema con vecchio alimentatore

Messaggioda Foto Utenteenrico123 » 23 gen 2013, 17:57

Ho ricontrollato il tutto, i valori che ho dato sono corretti.

Visto che quei pin sono collegati al potenziometro esterno ho verificato il funzionamento:

tra i pin 5 e 4 ci sono 4.6kOhm per qualsiasi posizione del trimmer;
tra i pin 5 e 3 ci sono invece 1.4kOhm con potenziometro al minimo e 4.6kOhm quando è al max.


Non so, se è ragionevole che sia colpa solo dell'integrato magari posso provare a cambiarlo, o è possibile che "a cascata" si siano guastati più componenti? Considerate che, prima d'ora, l'alimentatore funzionava bene, guadagnandosi anche qualche complimento per l'inaspettata precisione del trimmer della tensione (con quelli economici ci si può giocare l'enalotto...).

Per il discorso di rinnovare la scheda, invece, ho visto lo schema, forse ho capito male ma mi mancano un po' di collegamenti con l'esterno :mrgreen:
Io ho 3 fili dal trimmer, 3 dal transistor e 2 dal trasformatore, nello schema vedo solo 4 connessioni con l'esterno... Il transistor va tolto? Resta invariata la possibilità di regolare la tensione col trimmer?
Considerate inoltre che costruirei la scheda in maniera "casalinga", non ho l'attrezzatura per fare le piste. Per altri circuitini che avevo costruito usai dei fili in rame (recuperati, su consiglio del solito negozio dove prendo i componenti, da un cavo telefonico) saldati per fare i collegamenti. Non sono il massimo della bellezza, ma funzionano :D
Avatar utente
Foto Utenteenrico123
10 3
New entry
New entry
 
Messaggi: 56
Iscritto il: 1 mar 2007, 15:35

0
voti

[52] Re: Problema con vecchio alimentatore

Messaggioda Foto Utentemarco438 » 23 gen 2013, 18:44

Foto Utenteenrico123 sei tu che devi decidere che strada intraprendere.
La riparazione del vecchio, a parte altri guai che potrebbero venir fuori dopo, comporta la sostituzione dell'integrato, del transistor di potenza (al 70%), e dei due trimmer.
Farlo nuovo, comporta forse qualche lira in piu' di spesa ma, secondo il mio parere, sarebbe la soluzione migliore. In fondo quello che costa in un alimentatore e' il trasformatore: si tratterebbe di comprare un transistor, un regolatore e qualche resistenza (consiglierei anche un ponte di diodi).
In quest'ultima ipotesi , consiglio questo circuito;



Il tutto puo' essere assemblato su una piccola millefori ed i collegamenti, come hai detto, con spezzoni di filo telefonico.
marco
Avatar utente
Foto Utentemarco438
37,1k 7 11 13
-EY Legend-
-EY Legend-
 
Messaggi: 16323
Iscritto il: 24 mar 2010, 15:09
Località: Versilia

0
voti

[53] Re: Problema con vecchio alimentatore

Messaggioda Foto UtenteIsidoroKZ » 23 gen 2013, 19:10

Perche' vuoi fargli mettere un ponte raddrizzatore? Ha un trasformatore a presa centrale, meglio che rimanga con quella topologia.

Il circuito che hai suggerito a me non piace perche' in caso di cortocircuito il transistore non e` protetto. Se si una un L200 piu` un transistore si puo` avere anche la protezione da cortocircuito e correnti di uscita elevate.

Bisogna poi vedere qual e` la massima corrente erogabile dal trasformatore: Foto Utenteenrico123 puoi misurare la tensione di uscita del trasformatore, fra i due fili che arrivano ai diodi, e pesare il solo trasformatore con una bilancia da cucina?
Per usare proficuamente un simulatore, bisogna sapere molta più elettronica di lui
Plug it in - it works better!
Il 555 sta all'elettronica come Arduino all'informatica! (entrambi loro malgrado)
Se volete risposte rispondete a tutte le mie domande
Avatar utente
Foto UtenteIsidoroKZ
121,2k 1 3 8
G.Master EY
G.Master EY
 
Messaggi: 21059
Iscritto il: 17 ott 2009, 0:00

0
voti

[54] Re: Problema con vecchio alimentatore

Messaggioda Foto Utentemarco438 » 23 gen 2013, 19:12

IsidoroKZ ha scritto:Perche' vuoi fargli mettere un ponte raddrizzatore? Ha un trasformatore a presa centrale, meglio che rimanga con quella topologia.

Hai ragione, ma del trasformatore mi ero proprio dimenticato.
marco
Avatar utente
Foto Utentemarco438
37,1k 7 11 13
-EY Legend-
-EY Legend-
 
Messaggi: 16323
Iscritto il: 24 mar 2010, 15:09
Località: Versilia

0
voti

[55] Re: Problema con vecchio alimentatore

Messaggioda Foto UtenteCandy » 23 gen 2013, 19:15

Foto UtenteIsidoroKZ ha scritto:Se si una un L200 piu` un transistore si puo` avere anche la protezione da cortocircuito e correnti di uscita elevate.

Non hoaperto il pdf linkato. Con quale circuito si potrebbe fare?
Avatar utente
Foto UtenteCandy
32,5k 7 10 13
CRU - Account cancellato su Richiesta utente
 
Messaggi: 10123
Iscritto il: 14 giu 2010, 22:54

0
voti

[56] Re: Problema con vecchio alimentatore

Messaggioda Foto UtenteIsidoroKZ » 23 gen 2013, 19:23

Ci vuole un integrato che abbia il sense di corrente esterno all'integrato stesso. In questo modo si fa passare la corrente del transistore dentro la stessa resistenza di sense, e se si supera una determinata soglia la protezione interviene, limitando anche la corrente nel transistore.
Per usare proficuamente un simulatore, bisogna sapere molta più elettronica di lui
Plug it in - it works better!
Il 555 sta all'elettronica come Arduino all'informatica! (entrambi loro malgrado)
Se volete risposte rispondete a tutte le mie domande
Avatar utente
Foto UtenteIsidoroKZ
121,2k 1 3 8
G.Master EY
G.Master EY
 
Messaggi: 21059
Iscritto il: 17 ott 2009, 0:00

0
voti

[57] Re: Problema con vecchio alimentatore

Messaggioda Foto UtenteCandy » 23 gen 2013, 19:49

Ho visto ora il circuito. No, io avevo immagino tu ti riferissi ad una soluzione per evitare danni qualora il transistor di by-pass vada in corto. Avevo inteso male io.
Avatar utente
Foto UtenteCandy
32,5k 7 10 13
CRU - Account cancellato su Richiesta utente
 
Messaggi: 10123
Iscritto il: 14 giu 2010, 22:54

0
voti

[58] Re: Problema con vecchio alimentatore

Messaggioda Foto UtenteKagliostro » 23 gen 2013, 20:05

So che è un passo in più da fare e che con una millefori risolvi per il meglio in modo semplice

era solo per fati vedere a cosa serviva il file .pdf che ti avevo allegato assieme al link del progettino e per farti capire che non si tratterebbe poi di un grande sforzo

Metodo Stira ed Ammira:

http://www.webalice.it/mrardj/ferrodastiro.html

http://www.youtube.com/watch?v=bk6WJpGyc4I

in rete trovi una miriade di esempi sul come applicare questo sistema, ognuno con le sue picole differenze

Ma nulla toglie al fatto che la millefori sia più immediata

Ciao

K
Avatar utente
Foto UtenteKagliostro
6.396 4 5 7
Master
Master
 
Messaggi: 4830
Iscritto il: 19 set 2012, 11:32

0
voti

[59] Re: Problema con vecchio alimentatore

Messaggioda Foto Utenteenrico123 » 23 gen 2013, 20:06

Cerco di seguire i vostri discorsi anche se ci riesco solo in parte!

Comunque il trasformatore ha, in uscita, 3 fili: 2 sottili vanno alla scheda (dove ci sono i diodi) e uno più spesso va al transistor montato sulla carcassa.


IsidoroKZ ha scritto:Bisogna poi vedere qual e` la massima corrente erogabile dal trasformatore: Foto Utenteenrico123 puoi misurare la tensione di uscita del trasformatore, fra i due fili che arrivano ai diodi, e pesare il solo trasformatore con una bilancia da cucina?


La tensione (alternata) è 41.9V! Ho pesato il trasformatore ed è poco meno di 1kg (sui 950 grammi).
Ricordo inoltre che la corrente in uscita è data per 2.5A (così è riportato sull'esterno del case).


Se mi dite che, a livello funzionale, fare una nuova scheda è preferibile, non sono i pochi euro (immagino) di differenza a far propendere per una opzione anziché l'altra. Solo non ho ancora ben capito come vanno realizzati i collegamenti (ad es. con il trimmer esterno) e se il transistor va mantenuto!

Grazie ancora per la pazienza! ;-)

Edit: si grazie per la segnalazione Foto UtenteKagliostro, magari posso provare a cimentarmi ;-)
Avevo letto (superficialmente) in passato della cosa, ma poi avevo scelto la via più semplice.
Dovrebbe esistere anche una pasta per tracciare le piste sulle basette millefori, è vero? Il negoziante all'epoca mi dissuase dicendo che il costo non era irrisorio e che avrei potuto risolvere con il filo unico in rame.
Avatar utente
Foto Utenteenrico123
10 3
New entry
New entry
 
Messaggi: 56
Iscritto il: 1 mar 2007, 15:35

0
voti

[60] Re: Problema con vecchio alimentatore

Messaggioda Foto UtenteKagliostro » 23 gen 2013, 20:30

Ha fatto bene il negoziante a sconsigliarti la pasta

Per il tuo scopo non la vedo neanche adatta, oltre che dispendiosa

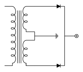
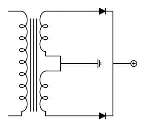
il trasformatore ha, probabilmente, due avvolgimenti con presa centrale

il filo più grosso dovrebbe essere il centrale

se misuri la tensione tra quello e gli altri due dovresti trovare, su ognuno,

metà della tensione che hai misurato

Di solito la presa centrale va collegata a massa

una cosa tipo questa per intenderci



K

p.s.: Non vorrei confondermi con altri integrati, ma mi pare di ricordare che l'LM338T sia autoprotetto dai cortocircuiti
Avatar utente
Foto UtenteKagliostro
6.396 4 5 7
Master
Master
 
Messaggi: 4830
Iscritto il: 19 set 2012, 11:32

PrecedenteProssimo

Torna a Elettronica generale

Chi c’è in linea

Visitano il forum: Nessuno e 179 ospiti