Problema con vecchio alimentatore
Moderatori:
carloc,
g.schgor,
BrunoValente,
IsidoroKZ
1
voti
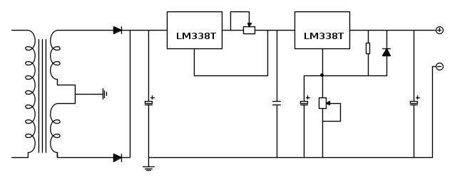
Cosi` va. I punti critici sono l'elevata caduta di tensione del primo regolatore e il fatto che tutta la corrente di uscita passa attraverso il potenziometro di regolazione della corrente.
Per usare proficuamente un simulatore, bisogna sapere molta più elettronica di lui
Plug it in - it works better!
Il 555 sta all'elettronica come Arduino all'informatica! (entrambi loro malgrado)
Se volete risposte rispondete a tutte le mie domande
Plug it in - it works better!
Il 555 sta all'elettronica come Arduino all'informatica! (entrambi loro malgrado)
Se volete risposte rispondete a tutte le mie domande
0
voti
Quindi improponibile a meno di non usare un grosso reostato a filo ?
o quello si potrebbe sostituire con un transistor ed un potenziometro normale ?
K
o quello si potrebbe sostituire con un transistor ed un potenziometro normale ?
K
-

Kagliostro
6.396 4 5 7 - Master

- Messaggi: 4831
- Iscritto il: 19 set 2012, 11:32
0
voti
Il problema, secondo me, è che per fare la prova servirebbe una resistenza da 10ohm da 50-60W o più
la si collega e si controlla che il trasformatore non scaldi tenendolo per un po' sotto controllo
diciamo una mezzora, se non vi sono riscaldamenti anomali del trasformatore lo si lascia collegato per qualche ora e si ricontrolla che non sia caldo
se tutto è come dovrebbe si è sicuri che un paio di Ampere si possono prelevare
Meglio fare la prova con un fusibile sul primario
Ora procurarsi una resistenza del genere potrebbe essere non propriamente facile ed anche un po dispendioso (8-9 euro)
A meno di non arrangiarsi con del filo di costantana prelevato da qualche vecchia stufetta elettrica
Qualcuno ha un'idea più semplice ?
K
la si collega e si controlla che il trasformatore non scaldi tenendolo per un po' sotto controllo
diciamo una mezzora, se non vi sono riscaldamenti anomali del trasformatore lo si lascia collegato per qualche ora e si ricontrolla che non sia caldo
se tutto è come dovrebbe si è sicuri che un paio di Ampere si possono prelevare
Meglio fare la prova con un fusibile sul primario
Ora procurarsi una resistenza del genere potrebbe essere non propriamente facile ed anche un po dispendioso (8-9 euro)
A meno di non arrangiarsi con del filo di costantana prelevato da qualche vecchia stufetta elettrica
Qualcuno ha un'idea più semplice ?
K
-

Kagliostro
6.396 4 5 7 - Master

- Messaggi: 4831
- Iscritto il: 19 set 2012, 11:32
0
voti

"Non farei mai parte di un club che accettasse la mia iscrizione" (G. Marx)
-

claudiocedrone
21,3k 4 7 9 - Master EY

- Messaggi: 15302
- Iscritto il: 18 gen 2012, 13:36
0
voti
"Non farei mai parte di un club che accettasse la mia iscrizione" (G. Marx)
-

claudiocedrone
21,3k 4 7 9 - Master EY

- Messaggi: 15302
- Iscritto il: 18 gen 2012, 13:36
0
voti
Il trasformatore lo consideriamo da 20v e lo dotiamo dei due diodi come da progetto
per il condensatore non vedo utilità nel montarlo
Una lampada da 24 V 55W assorbe 2.75A
una da 24 V 40W assorbe 2A
Per cui vedrei meglio la cosa con una da 40W o due da 20W in parallelo
Basterebbe trovarle senza spendere
K
per il condensatore non vedo utilità nel montarlo
Una lampada da 24 V 55W assorbe 2.75A
una da 24 V 40W assorbe 2A
Per cui vedrei meglio la cosa con una da 40W o due da 20W in parallelo
Basterebbe trovarle senza spendere
K
-

Kagliostro
6.396 4 5 7 - Master

- Messaggi: 4831
- Iscritto il: 19 set 2012, 11:32
1
voti
claudiocedrone ha scritto::-) Due lampadine da autocarro più una da autovettura in serie fanno 60V...
Ma devono lavorare con la stessa corrente nominale.
Per usare proficuamente un simulatore, bisogna sapere molta più elettronica di lui
Plug it in - it works better!
Il 555 sta all'elettronica come Arduino all'informatica! (entrambi loro malgrado)
Se volete risposte rispondete a tutte le mie domande
Plug it in - it works better!
Il 555 sta all'elettronica come Arduino all'informatica! (entrambi loro malgrado)
Se volete risposte rispondete a tutte le mie domande
0
voti
Mi hanno segnalato un'altra svista sul mio schema
mancava il punto di giunzione tra due collegamenti che altrimenti sembravano solo intersecarsi anzichè essere connessi
Ringrazio e provvedo, ecco la versione corretta
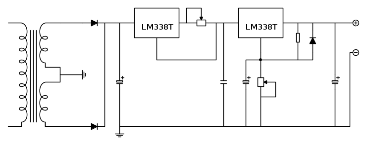
Con l'occasione posto lo schemino di come intendevo io venisse fatta la prova
da notare che avevo risposto frettolosamente ed i calcoli precedenti non erano corretti
una lampada da 24 V 55W presenta una resistenza di 10.5ohm
con la tensione del trasformatore a 20V ed una lampada di quel tipo, si avrebbe un assorbimento di 1.9A, per cui una lampada dovrebbe bastare
Le lampade da 12v 55W (molto più facili da trovare) presentano una resistenza di 2.62ohm quindi in questo caso ne servirebbero 4 in serie
Almeno secondo i miei calcoli
K
mancava il punto di giunzione tra due collegamenti che altrimenti sembravano solo intersecarsi anzichè essere connessi
Ringrazio e provvedo, ecco la versione corretta
Con l'occasione posto lo schemino di come intendevo io venisse fatta la prova
da notare che avevo risposto frettolosamente ed i calcoli precedenti non erano corretti
una lampada da 24 V 55W presenta una resistenza di 10.5ohm
con la tensione del trasformatore a 20V ed una lampada di quel tipo, si avrebbe un assorbimento di 1.9A, per cui una lampada dovrebbe bastare
Le lampade da 12v 55W (molto più facili da trovare) presentano una resistenza di 2.62ohm quindi in questo caso ne servirebbero 4 in serie
Almeno secondo i miei calcoli
K
-

Kagliostro
6.396 4 5 7 - Master

- Messaggi: 4831
- Iscritto il: 19 set 2012, 11:32
3
voti
Kagliostro ha scritto:una lampada da 24 V 55W presenta una resistenza di 10.5ohm
con la tensione del trasformatore a 20V ed una lampada di quel tipo, si avrebbe un assorbimento di 1.9A, per cui una lampada dovrebbe bastare
La resistenza di una lampada dipende dalla temperatura e quindi dalla tensione applicata. Piu` o meno si ha una espressione del genere

dove R(V) e` la resistenza della lampada alla tensione V, R0 e` la resistenza alla tensione V0, tipicamente si prendono i valori nominali, in questo caso 24 V e 10.5Ω.
A 20V la resistenza e` solo di 9.7Ω circa e la corrente assorbita e` di poco superiore a 2A
Per usare proficuamente un simulatore, bisogna sapere molta più elettronica di lui
Plug it in - it works better!
Il 555 sta all'elettronica come Arduino all'informatica! (entrambi loro malgrado)
Se volete risposte rispondete a tutte le mie domande
Plug it in - it works better!
Il 555 sta all'elettronica come Arduino all'informatica! (entrambi loro malgrado)
Se volete risposte rispondete a tutte le mie domande
Chi c’è in linea
Visitano il forum: Nessuno e 141 ospiti

Elettrotecnica e non solo (admin)
Un gatto tra gli elettroni (IsidoroKZ)
Esperienza e simulazioni (g.schgor)
Moleskine di un idraulico (RenzoDF)
Il Blog di ElectroYou (webmaster)
Idee microcontrollate (TardoFreak)
PICcoli grandi PICMicro (Paolino)
Il blog elettrico di carloc (carloc)
DirtEYblooog (dirtydeeds)
Di tutto... un po' (jordan20)
AK47 (lillo)
Esperienze elettroniche (marco438)
Telecomunicazioni musicali (clavicordo)
Automazione ed Elettronica (gustavo)
Direttive per la sicurezza (ErnestoCappelletti)
EYnfo dall'Alaska (mir)
Apriamo il quadro! (attilio)
H7-25 (asdf)
Passione Elettrica (massimob)
Elettroni a spasso (guidob)
Bloguerra (guerra)


