Grazie a tutti
OBiettivi : Calcolo di I2 (con il teorema di Norton) e calcolo della Vab.
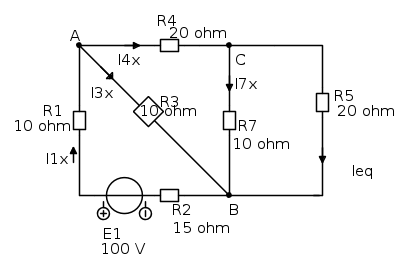
Circuito originario :
Calcolo la Req.






Calcolo la Icc (Il prof. la chiama : "Ieq") :
Elimino la Resistenza (R5) in parallelo e rifaccio il circuito :
Per trovare Ieq dovrò fare :

Quindi inizio a fare un po' di calcoletti










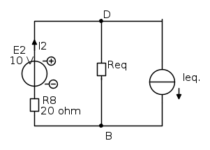
Circuito finale di Norton :
Quindi...
I2 = (E2-Eeq)//R8+Req.) = (10-3.565)/(27.3651) =6.435/27.3651 = 0.235 A[/tex]QUindi torno al circuito originario calcolo la Vab....


Com è possibile che I6 > I2 ???? Cosa ho sbagliato ??

Elettrotecnica e non solo (admin)
Un gatto tra gli elettroni (IsidoroKZ)
Esperienza e simulazioni (g.schgor)
Moleskine di un idraulico (RenzoDF)
Il Blog di ElectroYou (webmaster)
Idee microcontrollate (TardoFreak)
PICcoli grandi PICMicro (Paolino)
Il blog elettrico di carloc (carloc)
DirtEYblooog (dirtydeeds)
Di tutto... un po' (jordan20)
AK47 (lillo)
Esperienze elettroniche (marco438)
Telecomunicazioni musicali (clavicordo)
Automazione ed Elettronica (gustavo)
Direttive per la sicurezza (ErnestoCappelletti)
EYnfo dall'Alaska (mir)
Apriamo il quadro! (attilio)
H7-25 (asdf)
Passione Elettrica (massimob)
Elettroni a spasso (guidob)
Bloguerra (guerra)







