problema con correnti di maglia
Moderatori:
g.schgor,
IsidoroKZ
7 messaggi
• Pagina 1 di 1
0
voti
Salve,
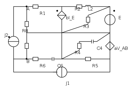
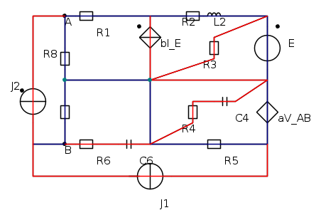
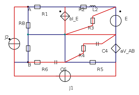
ho un problema nell'applicare il metodo delle correnti di maglia in questo circuito
in particolare quello che in questa figura è evidenziato il rosso è un unico nodo?
e se si come faccio a trovare un percorso per arrivare da A a B senza passare da un gic e senza formare percorsi chiusi?
Grazie mille!!
ho un problema nell'applicare il metodo delle correnti di maglia in questo circuito
in particolare quello che in questa figura è evidenziato il rosso è un unico nodo?
e se si come faccio a trovare un percorso per arrivare da A a B senza passare da un gic e senza formare percorsi chiusi?
Grazie mille!!
1
voti
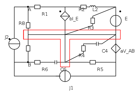
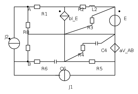
è un nodo unico
la seconda domanda non l'ho capita bene
Se intendi l'albero
Ho preso un albero a caso, probabilmente ci sono alberi migliori.
la seconda domanda non l'ho capita bene
Se intendi l'albero
Ho preso un albero a caso, probabilmente ci sono alberi migliori.
0
voti
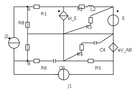
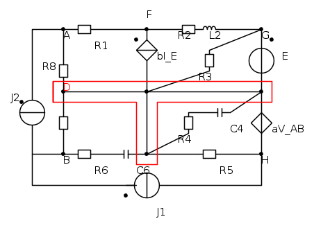
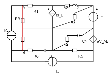
Grazie della risposta, si intendevo l'albero...
ma nell'albero che hai disegnato (che suppongo sia il blu) non crei il seguente percorso chiuso
dato che comunque la linea rossa appartiene allo stesso nodo??
io avevo pensato ad un albero simile
avendo indicato nel modo che segue i nodi
però resta il problema di come raggiungere il nodo B (o, alternativamente, il nodo H).
Grazie ancora ...
ma nell'albero che hai disegnato (che suppongo sia il blu) non crei il seguente percorso chiuso
dato che comunque la linea rossa appartiene allo stesso nodo??
io avevo pensato ad un albero simile
avendo indicato nel modo che segue i nodi
però resta il problema di come raggiungere il nodo B (o, alternativamente, il nodo H).
Grazie ancora ...
0
voti
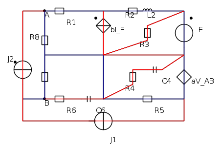
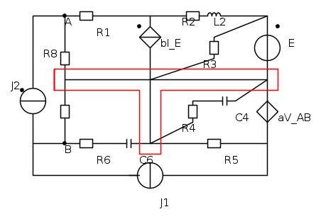
Consideri i verdi come nodi separati, aggiungerai anche un ramo, ma non credo che ci siano problemi
Ricorda che la definizione di nodo è terminale di un ramo (numerato) e la definizione di ramo è segmento di linea (orientato).
Quindi puoi mettere quanti nodi ti pare e di conseguenza avrai un certo numero di rami.
Altra cosa il ramo 4 ha gli estremi allo stesso potenziale, quindi non ci scorre corrente.
0
voti
Non riesco a capire il problema dell'esercizio, basta mettere le corde sui generatori di corrente e fare l'albero.
7 messaggi
• Pagina 1 di 1
Torna a Elettrotecnica generale
Chi c’è in linea
Visitano il forum: Nessuno e 56 ospiti

Elettrotecnica e non solo (admin)
Un gatto tra gli elettroni (IsidoroKZ)
Esperienza e simulazioni (g.schgor)
Moleskine di un idraulico (RenzoDF)
Il Blog di ElectroYou (webmaster)
Idee microcontrollate (TardoFreak)
PICcoli grandi PICMicro (Paolino)
Il blog elettrico di carloc (carloc)
DirtEYblooog (dirtydeeds)
Di tutto... un po' (jordan20)
AK47 (lillo)
Esperienze elettroniche (marco438)
Telecomunicazioni musicali (clavicordo)
Automazione ed Elettronica (gustavo)
Direttive per la sicurezza (ErnestoCappelletti)
EYnfo dall'Alaska (mir)
Apriamo il quadro! (attilio)
H7-25 (asdf)
Passione Elettrica (massimob)
Elettroni a spasso (guidob)
Bloguerra (guerra)











