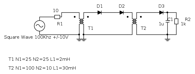
Ciao vorrei analizzare questo circuito in maniera teorica (tensioni e correnti):
Qualcuno potrebbe darmi una mano?
perché i diodi D1 e D2 rimangono sempre in conduzione?
Grazie se vi servono altre info fatemi sapere
circuito con 2 trasformatori
Moderatori:
carloc,
g.schgor,
BrunoValente,
IsidoroKZ
18 messaggi
• Pagina 1 di 2 • 1, 2
0
voti
Ciao,
Una domanda.
Questo comportamento lo hai notato analizzando il circuito in funzionamento, o lo hai dedotto tu?
Ciao.
Una domanda.
perché i diodi D1 e D2 rimangono sempre in conduzione?
Questo comportamento lo hai notato analizzando il circuito in funzionamento, o lo hai dedotto tu?
Ciao.
0
voti
l'ho notato simulando il circuito.
I due trasformatori potrebbero darsi fastidio? Cosa succederebbe se ne mettessi altri in parallelo a T2?
Edit Guerra: usa il tasto RISPONDI, non CITA
I due trasformatori potrebbero darsi fastidio? Cosa succederebbe se ne mettessi altri in parallelo a T2?
Edit Guerra: usa il tasto RISPONDI, non CITA
Ultima modifica di
Guerra il 30 gen 2013, 12:39, modificato 1 volta in totale.
Motivazione: eliminazione citazione
Motivazione: eliminazione citazione
0
voti
Certo che col tempo le cose cambiano
ai miei tempi i trasformatori funzionavano solo in alternata e non in continua ......
K
ai miei tempi i trasformatori funzionavano solo in alternata e non in continua ......
K
-

Kagliostro
6.396 4 5 7 - Master

- Messaggi: 4830
- Iscritto il: 19 set 2012, 11:32
0
voti
"Non farei mai parte di un club che accettasse la mia iscrizione" (G. Marx)
-

claudiocedrone
21,3k 4 7 9 - Master EY

- Messaggi: 15302
- Iscritto il: 18 gen 2012, 13:36
0
voti
"Non farei mai parte di un club che accettasse la mia iscrizione" (G. Marx)
-

claudiocedrone
21,3k 4 7 9 - Master EY

- Messaggi: 15302
- Iscritto il: 18 gen 2012, 13:36
0
voti
Ma veramente non l'ho realizzato era un'idea e volevo sapere se potessero esserci dei problemi... in simulazione ho visto un ringing sull'uscita del primo trafo come se fosse una risposta al gradino di un lc risonante. 

0
voti
Giusto per farti rendere conto meglio, in pratica il circuito come lo hai disegnato è... così !

"Non farei mai parte di un club che accettasse la mia iscrizione" (G. Marx)
-

claudiocedrone
21,3k 4 7 9 - Master EY

- Messaggi: 15302
- Iscritto il: 18 gen 2012, 13:36
0
voti
claudiocedrone ha scritto:Giusto per farti rendere conto meglio, in pratica il circuito come lo hai disegnato è... così !
le masse sarebbero separate... (fin lì ci arrivo) non sapevo come rappresentarle

18 messaggi
• Pagina 1 di 2 • 1, 2
Chi c’è in linea
Visitano il forum: Nessuno e 234 ospiti

Elettrotecnica e non solo (admin)
Un gatto tra gli elettroni (IsidoroKZ)
Esperienza e simulazioni (g.schgor)
Moleskine di un idraulico (RenzoDF)
Il Blog di ElectroYou (webmaster)
Idee microcontrollate (TardoFreak)
PICcoli grandi PICMicro (Paolino)
Il blog elettrico di carloc (carloc)
DirtEYblooog (dirtydeeds)
Di tutto... un po' (jordan20)
AK47 (lillo)
Esperienze elettroniche (marco438)
Telecomunicazioni musicali (clavicordo)
Automazione ed Elettronica (gustavo)
Direttive per la sicurezza (ErnestoCappelletti)
EYnfo dall'Alaska (mir)
Apriamo il quadro! (attilio)
H7-25 (asdf)
Passione Elettrica (massimob)
Elettroni a spasso (guidob)
Bloguerra (guerra)



Obsoleto 