Sono uno studente di elettrotecnica e sto approfondendo l'argomento riguardante il rifasamento di carichi induttivi. Dopo la teoria e un po' di esercizi sto cercando ora di applicarmi nella pratica svolgendo una piccola esperienza.
Di preciso vorrei rifasare la linea di alimentazione dell'avvolgimento primario di un trasformatore monofase funzionante a vuoto, le cui caratteristiche sono:
V1=230V
V2=24 V
Sn=40VA
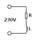
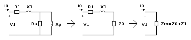
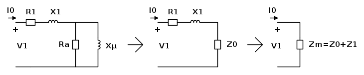
Il circuito equivalente del primario
Questa è la procedura seguita per il dimensionamento:
1. Misuro corrente assorbita dal primario:
I=0,09A
2. Calcolo potenza apparente assorbita dal primario:
S = V*I = 230V*0,09A = 20,7VA
3. Misuro resistenza avvolgimento primario mediante ohmetro (tutto scollegato):
R = 54Ω
4. Calcolo modulo dell'impedenza dell'avvolgimento:
|Z| = V/I = 230V/0,09A = 2556Ω
5. Calcolo reattanza induttiva dell'avvolgimento:
Se |Z| = sqrt(R^2 + Xl^2) -> Xl = sqrt(Z^2 - R^2) quindi:
Xl = sqrt(2556Ω^2 - 54Ω^2) = 2555Ω
L'impedenza vettoriale vale quindi:
Z = R + jXl = 54 + j2555Ω
7. L'angolo di sfasamento tra tensione - corrente vale:
φ = arctan(Xl/R) = arctan(2555Ω/54Ω) = 88,79°
il circuito è quindi quasi puramente induttivo dato che la componente resistiva risulta essere quasi trascurabile
8. Determinazione potenze in gioco:
attiva P = S * cosφ = 20,7VA * cos 88,79° = 0,437W
reattiva Q = S * sinφ = 20,7VA * sin 88,79°= 20,695var
9. Calcolo capacità da inserire in parallelo all'avvolgimento per un rifasamento completo:
C = Q/(2*π*f*V^2) = 20,695var/(2*π*50Hz*230V^2) = 1,25µF
10. Test finale:
Inserisco in parallelo un condensatore con C = 1,5µF aspettandomi di ottenere una potenza apparente finale prossima a quella attiva: S = P = 0,437VA (circa),
corrispondente ad una corrente I = S/V = 0.437/230V = 1,9mA
Misuro quindi i valori effettivi nella pratica:
corrente finale assorbita: I = 0,045A
potenza apparente finale: S = V*I = 230V*0,045A = 10,35VA !!
Ma questi valori sono decisamente lontani da quelli teorici!!
Qualcuno mi aiuta a capire dove ho sbagliato? ho ripetuto la prova da capo per ben 3 volte riguardando pure la teoria da capo sul rifasamento...
Conto su di voi esperti

Elettrotecnica e non solo (admin)
Un gatto tra gli elettroni (IsidoroKZ)
Esperienza e simulazioni (g.schgor)
Moleskine di un idraulico (RenzoDF)
Il Blog di ElectroYou (webmaster)
Idee microcontrollate (TardoFreak)
PICcoli grandi PICMicro (Paolino)
Il blog elettrico di carloc (carloc)
DirtEYblooog (dirtydeeds)
Di tutto... un po' (jordan20)
AK47 (lillo)
Esperienze elettroniche (marco438)
Telecomunicazioni musicali (clavicordo)
Automazione ed Elettronica (gustavo)
Direttive per la sicurezza (ErnestoCappelletti)
EYnfo dall'Alaska (mir)
Apriamo il quadro! (attilio)
H7-25 (asdf)
Passione Elettrica (massimob)
Elettroni a spasso (guidob)
Bloguerra (guerra)














, infatti non avevo proprio considerato le perdite nel ferro per induzione anche perché non ho ancora approfondito l'argomento dei trasformatori.