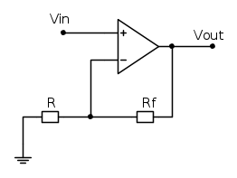
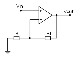
Allora cominciamo a scrivere la formula come la scriverebbe un elettronico.
Se chiamiamo le resistenze così:
dove si è nominata Rf per ricordarsi che quella è la resistenza a cavallo del feedback e l'altra è stata nominata genericamente R, si ha che:

Questo si chiama amplificatore non invertente.
Si vede che l'amplificatore non invertente non può amplificare meno di uno (a meno di stranezze le R non possono essere negative), cioè non può attenuare.
Vedrai che se pongo Rf=R ottengo un amplificatore che guadagna 2, mentre se metto Rf=0 (e R un circuito aperto, cioè infinita) ottengo che Av=1.
Esiste anche un altro tipo di amplificatore, l'amplificatore invertente.
Per capirlo però devo spiegarti il principio di sovrapposizione degli effetti, anche se ti converrebbe studiare un minimo di elettrotecnica, per capire qualcosa in più.
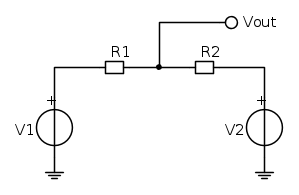
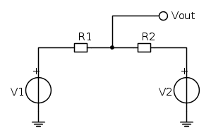
Supponiamo di prendere il nostro partitore di tensione e di caricarlo con due tensioni di ingresso, chiamiamole V1 e V2.
Lo schema diventa questo:
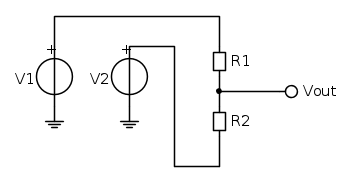
O meglio, evidenziando i generatori di tensione, lo schema è questo:
Questo secondo schema è preferibile perché ho evidenziato che c'è un generatore che impone una tensione, chiamata V1 o V2 rispetto a massa.
Stilisticamente è ancora meglio questo
Adesso la legge del partitore non si può più applicare, così com'è.
Dobbiamo ricorrere ad un trucco:
La rete elettrica è lineare. Come ti ricorderai da matematica, una funzione lineare è una funzione che gode di questa proprietà:

In pratica la soluzione è composta dalla somma dei singoli contributi, considerati separatamente.
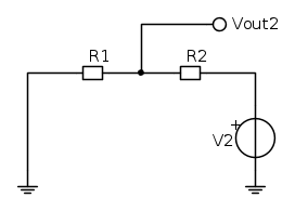
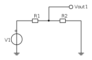
Posso quindi considerare un solo generatore per volta, prima V1, poi V2, azzerando la variabile indipendente dell'altro per fare il calcolo.
Azzeriamo V2 e teniamo solo V1.
Adesso posso applicare il partitore e la tensione Vout1 risulta essere:

Adesso consideriamo il secondo contributo, tenendo solo V2:
Adesso, per come è fatta la rete, abbiamo che

Ora abbiamo trovato i singoli contributi per la sovrapposizione degli effetti.
La soluzione complessiva è data dalla loro somma:

Appena ti sarà chiaro questo procediamo!

Elettrotecnica e non solo (admin)
Un gatto tra gli elettroni (IsidoroKZ)
Esperienza e simulazioni (g.schgor)
Moleskine di un idraulico (RenzoDF)
Il Blog di ElectroYou (webmaster)
Idee microcontrollate (TardoFreak)
PICcoli grandi PICMicro (Paolino)
Il blog elettrico di carloc (carloc)
DirtEYblooog (dirtydeeds)
Di tutto... un po' (jordan20)
AK47 (lillo)
Esperienze elettroniche (marco438)
Telecomunicazioni musicali (clavicordo)
Automazione ed Elettronica (gustavo)
Direttive per la sicurezza (ErnestoCappelletti)
EYnfo dall'Alaska (mir)
Apriamo il quadro! (attilio)
H7-25 (asdf)
Passione Elettrica (massimob)
Elettroni a spasso (guidob)
Bloguerra (guerra)





pigreco]=π




- evidentemente mi son perso qualche concetto :P











(per k = numero dello step) e che
sarà sempre negativo (e sempre più piccolo, tendente anch'esso a 0).