Ho scritto perché tra gli appunti non riesco a trovare nemmeno un esercizio sui sistemi trifase svolto e tra le varie cose che ho trovato nel forum (ho letto anche i due articoli molto interessanti dell'amministratore a riguardo) e non solo, mi sembra che il livello di elaborazione sia fin troppo alto per quello che devo fare
Dovrei svolgere questo esercizio e tutta una serie molto simili a questo, ma i libri mi aiutano veramente poco.
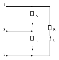
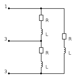
Posso dirvi che ho trovato la Z relativa al bipolo RL e la zeta del condensatore che dovrebbe essere:
Z(1)=30+30j
Z(2)=-5J
Successivamente ho trasformato la disposizione a triangolo in una a stella posizionando tre bipoli Z(1)/3 rispettivamente sulle linee 1, 2, 3 come consiglia il libro.
Successivamente ho separato le varie fasi e trovato la Z equivalente alle varie fasi.
Sapendo il valore di V1 e potendo trovare V2 e V3 con lo sfasamento, come posso trovare i valori di N e Ie?

Elettrotecnica e non solo (admin)
Un gatto tra gli elettroni (IsidoroKZ)
Esperienza e simulazioni (g.schgor)
Moleskine di un idraulico (RenzoDF)
Il Blog di ElectroYou (webmaster)
Idee microcontrollate (TardoFreak)
PICcoli grandi PICMicro (Paolino)
Il blog elettrico di carloc (carloc)
DirtEYblooog (dirtydeeds)
Di tutto... un po' (jordan20)
AK47 (lillo)
Esperienze elettroniche (marco438)
Telecomunicazioni musicali (clavicordo)
Automazione ed Elettronica (gustavo)
Direttive per la sicurezza (ErnestoCappelletti)
EYnfo dall'Alaska (mir)
Apriamo il quadro! (attilio)
H7-25 (asdf)
Passione Elettrica (massimob)
Elettroni a spasso (guidob)
Bloguerra (guerra)





