Cos'è ElectroYou | Login Iscriviti

ElectroYou - la comunità dei professionisti del mondo elettrico

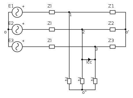
Corrente di cortocircuito sistema trifase

Circuiti, campi elettromagnetici e teoria delle linee di trasmissione e distribuzione dell’energia elettrica

Moderatori: Foto Utenteg.schgor, Foto UtenteIsidoroKZ

0
voti

[1] Corrente di cortocircuito sistema trifase

Messaggioda Foto Utentetipu91 » 7 feb 2013, 18:23

salve,
ho un problema con questo esercizio:

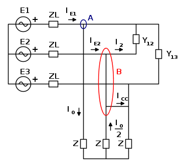
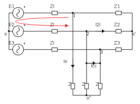
"Per il circuito trifase di figura, determinare la corrente I_{cc} nel cortocircuito e la tensione V_{o'o"} tra i punti o' e o". Calcolare inoltre la potenza attiva e reattiva assorbita dall'intero sistema (carichi+linea) e la batteria di condensatori in grado di rifasare il complesso dei carichi a cos\varphi_r=0,9".
i dati sono: V_{12}=380 V, \bar{Z}_l=0,5+j0,8\Omega, \bar{Z}=4+j3\Omega, \bar{Z}_1=3+j4\Omega, \bar{Z}_25+j3\Omega e \bar{Z}_3=6+j6\Omega.

il mio problema è proprio trovare il modo di calcolare I_{cc}:
partirei calcolandomi i valori delle tensioni dei generatori prendendo a fase nulla quello sulla linea 1
E_1=\frac{V_{12}}{\sqrt{3}}=220 V
E_2=E_1\alpha^{2}
E_3=E_1\alpha

N.B. il problema non dice niente riguardo alla terna di generatori, ma nei problemi di questa scheda (che ho io :D ) sono tutte terne simmetriche dirette!!

adesso provo a fare delle considerazioni riguardo al cortocircuito:
-il tratto cortocircuitato rende equipotenziali i nodi 2 e 3, giusto?!
-di conseguenza le impedenze sui tratti 2-o" e 3-o" sono in parallelo, giusto?!
ecco, da adesso non saprei come comportarmi :cry:
Avatar utente
Foto Utentetipu91
1.015 6 13
Expert EY
Expert EY
 
Messaggi: 229
Iscritto il: 12 nov 2012, 18:46
Località: Pisa

0
voti

[2] Re: Corrente di cortocircuito sistema trifase

Messaggioda Foto UtenteMassi79 » 7 feb 2013, 22:30

L'avevo fatto due mesi fa questo esrcizio
Puoi fare un altro parallelo.
Poi dopo con altre riduzioni serie e parallelo puoi usare Millman.
Avatar utente
Foto UtenteMassi79
84 1 9
Frequentatore
Frequentatore
 
Messaggi: 134
Iscritto il: 21 dic 2012, 18:46

1
voti

[3] Re: Corrente di cortocircuito sistema trifase

Messaggioda Foto UtenteMassi79 » 7 feb 2013, 23:03

Scusate il doppio post.
Pensavo di non fare in tempo a scrivere la soluzione.


Avatar utente
Foto UtenteMassi79
84 1 9
Frequentatore
Frequentatore
 
Messaggi: 134
Iscritto il: 21 dic 2012, 18:46

1
voti

[4] Re: Corrente di cortocircuito sistema trifase

Messaggioda Foto Utentetipu91 » 8 feb 2013, 0:16

grazie mille... ecco cosa mi era sfuggito #-o #-o se lo sa il rizzo..... :mrgreen: :mrgreen: :mrgreen: :mrgreen:
Avatar utente
Foto Utentetipu91
1.015 6 13
Expert EY
Expert EY
 
Messaggi: 229
Iscritto il: 12 nov 2012, 18:46
Località: Pisa

0
voti

[5] Re: Corrente di cortocircuito sistema trifase

Messaggioda Foto UtenteRenzoDF » 8 feb 2013, 1:19

Siamo sicuri che quelle due correnti di cortocircuito nelle due reti del post [3] siano le stesse?
"Il circuito ha sempre ragione" (Luigi Malesani)
Avatar utente
Foto UtenteRenzoDF
55,9k 8 12 13
G.Master EY
G.Master EY
 
Messaggi: 13189
Iscritto il: 4 ott 2008, 9:55

0
voti

[6] Re: Corrente di cortocircuito sistema trifase

Messaggioda Foto UtenteMassi79 » 8 feb 2013, 10:19

No, non è la stessa.
Quando ho fatto il disegno non c'avevo neanche pensato, ero concentrato sulle riduzioni.
Avatar utente
Foto UtenteMassi79
84 1 9
Frequentatore
Frequentatore
 
Messaggi: 134
Iscritto il: 21 dic 2012, 18:46

3
voti

[7] Re: Corrente di cortocircuito sistema trifase

Messaggioda Foto UtenteRenzoDF » 8 feb 2013, 16:51

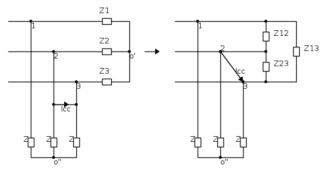
Il metodo semplificativo esposto da Foto UtenteMassi79 in [3] è quello che è venuto in mente anche a me vedendo quella rete ma, in attesa della suddetta soluzione, tanto per provare a cercare una metodologia alternativa, provo a seguire una diversa strada; parto trasformando la stella squilibrata in triangolo con le note relazioni

{{Y}_{hk}}=\frac{{{Y}_{h}}{{Y}_{k}}}{\sum\limits_{i}{{{Y}_{i}}}}

al fine di ottenere la seguente rete semplificata



a questo punto indicando per semplicità di scrittura l'ammettenza totale della stella equilibrata inferiore con

{{Y}_{0}}=\frac{2}{3Z}

e l'ammettenza totale fra fase 1 e fase 23 con

{{Y}_{T}}={{Y}_{0}}+{{Y}_{12}}+{{Y}_{13}}=\frac{2}{3Z}+\frac{1}{{{Z}_{1}}+{{Z}_{2}}||{{Z}_{3}}}=\frac{2}{3Z}+\frac{1}{{{Z}_{1}}+{{Z}_{2}}||{{Z}_{3}}}

applico il "teorema dell'idraulico" per calcolare la ddp fra i nodi A e B ...

{{V}_{AB}}=\frac{{{E}_{1}}{{Y}_{L}}({{Y}_{L}}+{{Y}_{L}})-\left( {{E}_{2}}{{Y}_{L}}+{{E}_{3}}{{Y}_{L}} \right){{Y}_{L}}}{\left( {{Y}_{L}}+{{Y}_{L}}+{{Y}_{T}} \right)\left( {{Y}_{L}}+{{Y}_{T}} \right)-Y_{T}^{2}}=\frac{3{{E}_{1}}}{2+3\frac{{{Y}_{T}}}{{{Y}_{L}}}}=\frac{3{{E}_{1}}}{2+3{{Z}_{L}}{{Y}_{T}}}

al fine di potere calcolare le seguenti correnti

{{I}_{0}}={{V}_{AB}}{{Y}_{0}}\quad \quad {{I}_{2}}=-{{V}_{AB}}{{Y}_{0}}\quad \quad {{I}_{E1}}={{V}_{AB}}{{Y}_{T}}\quad \quad {{I}_{E2}}=\frac{({{E}_{2}}-{{E}_{3}})}{2{{Z}_{L}}}-\frac{{{I}_{E1}}}{2}

e quindi la corrente nel corto via KCL al taglio B

{{I}_{cc}}={{I}_{E2}}-{{I}_{2}}+\frac{{{I}_{0}}}{2}

... per quanto riguarda i calcoli mi sono fatto aiutare dall'insostituibile SpeQ

2013-02-08_160501.gif
2013-02-08_160501.gif (22.74 KiB) Osservato 10210 volte

... tutti da ricontrollare, confrontandoli con i risultati che spero Foto Utentetipu91 e Foto UtenteMassi79 andranno a postare a breve.
"Il circuito ha sempre ragione" (Luigi Malesani)
Avatar utente
Foto UtenteRenzoDF
55,9k 8 12 13
G.Master EY
G.Master EY
 
Messaggi: 13189
Iscritto il: 4 ott 2008, 9:55

0
voti

[8] Re: Corrente di cortocircuito sistema trifase

Messaggioda Foto Utentetipu91 » 8 feb 2013, 17:09

grazie mille Foto UtenteRenzoDF per la risposta... ora mi rimetto a fare il problema con i tuoi consigli e posto la soluzione, così possiamo confrontarle, dato che non uso il "teorema dell'idraulico" (che è veramente geniale, ma non ho ancora avuto modo di studiarlo accuratamente :cry: ) spero di trovare lo stesso risultato!!

PS se ti puo far piacere, anche se non avevo dubbi, il risultato è giusto :ok: infatti deve tornare I_{cceff}\approx200 =D>
Avatar utente
Foto Utentetipu91
1.015 6 13
Expert EY
Expert EY
 
Messaggi: 229
Iscritto il: 12 nov 2012, 18:46
Località: Pisa

0
voti

[9] Re: Corrente di cortocircuito sistema trifase

Messaggioda Foto Utentetipu91 » 8 feb 2013, 17:41

allora, sono giunto anche io al risultato (sorprendente): I_{cceff}\approx200A :ok:
ora però c'è il trucco: in termini fasoriali non mi torna come Foto UtenteRenzoDF :mrgreen: :mrgreen: se mi date un pochino di tempo posto i miei passaggi!!!
Avatar utente
Foto Utentetipu91
1.015 6 13
Expert EY
Expert EY
 
Messaggi: 229
Iscritto il: 12 nov 2012, 18:46
Località: Pisa

3
voti

[10] Re: Corrente di cortocircuito sistema trifase

Messaggioda Foto Utentetipu91 » 8 feb 2013, 18:50

Allora, prima di tutto premetto due cose: lavorerò soprattutto con le impedenze e soprattutto non sono sicuro del mio procedimento :oops: (anche se il risultato in parte mi conforta)

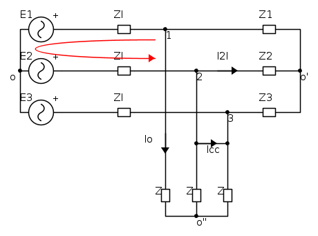
il primo passaggio che faccio è lo stesso di Foto UtenteRenzoDF: trasformo il carico a fondo linea (quello squilibrato) nel'equivalente a triangolo



così facendo ci accorgiamo che l'impedenza \bar{Z}_{23} viene cortocircuitata, quindi basta calcolarsi le due restanti impedenze:

\bar{Z}_{hk}=Z_h+Z_k+\frac{Z_hZ_k}{Z_i}

\bar{Z}_{12}=10,7+j9,2\Omega

\bar{Z}_{13}=11,8+j16,7\Omega

nel frattempo possiamo anche notare che nel carico equilibrato (in basso) le impedenze sulle linee 2 e 3 sono in parallelo, quindi si procede col calcolo dell'impedenza equivalente (prima il parallelo e poi la serie con l'impedenza sulla linea 1):

\bar{Z}_p=\frac{\bar{Z}}{2}

\bar{Z}_{eq}=\bar{Z}+\bar{Z}_{eq}=6+j4,5\Omega

il circuito che otteniamo è il seguente:



con questa nuova configurazione del circuito possiamo notare che le impedenze \bar{Z}_{eq}, \bar{Z}_{12} e \bar{Z}_{13} sono tutte in parallelo tra i nodi A e B, quindi calcoliamone l'equivalente:

\bar{Z}_{tot}=(\frac{1}{\bar{Z}_{eq}}+\frac{1}{\bar{Z}_{12}}+\frac{1}{\bar{Z}_{13}})^{-1}=3+j2,6\Omega

arrivando al circuito sul quale possiamo applicare Millman:



\dot{V}_{ko}=\frac{\frac{\dot{E}_1}{\bar{Z}_l \bar{Z}_{tot}}+\frac{\dot{E}_2}{\bar{Z}_l}+\frac{\dot{E}_3}{\bar{Z}_l}}{\frac{1}{\bar{Z}_l \bar{Z}_{tot}}+\frac{1}{\bar{Z}_l}+\frac{1}{\bar{Z}_l}}=-81,3+j6,2 V

a questo punto posso calcolare le correnti nei generatori:

\dot{I}_1=\frac{\dot{E}_1 - \dot{V}_{ko}}{\bar{Z}_l \bar{Z}_{tot}}=43-j44 A

\dot{I}_2=\frac{\dot{E}_2 - \dot{V}_{ko}}{\bar{Z}_l}=-192,3-84,7 A

\dot{I}_3=\frac{\dot{E}_3 - \dot{V}_{ko}}{\bar{Z}_l}=149,3+j128,7 A

adesso non resta che procedere a ritroso nel circuito originale. Prima di tutto calcolo la tensione \dot{V}_{ab} con una circuitazione:



\dot{V}_{ab}=\dot{E}_1 - \dot{E}_2 - (\bar{Z}_l \dot{I}_1) + (\bar{Z}_l \dot{I}_2)=244-j18,5 V

e le varie correnti risultano essere:

\dot{I}_o=\frac{\dot{V}_{ab}}{\bar{Z}_{eq}}=24,5-j21,5 A

\dot{I}_o=\frac{\dot{V}_{ab}}{\bar{Z}_{eq}}=24,5-j21,5 A

\dot{I}_{2l}=\frac{-\dot{V}_{ab}}{\bar{Z}_{12}}=-12,3+j12,3 A

concludendo:

\dot{I}_{cc}=\dot{I}_2 - \dot{I}_{2l} + \frac{\dot{I}_o}{2}=-167,7-j107,7 A

\rightarrow I_{cc}=199,35 A\approx 200 A (COME NELLE SOLUZIONI DELL'ESERCIZIO)

PS i calcoli sono stati svolti con SCILAB, ma non so come postare lo script.. come potrei fare???
Avatar utente
Foto Utentetipu91
1.015 6 13
Expert EY
Expert EY
 
Messaggi: 229
Iscritto il: 12 nov 2012, 18:46
Località: Pisa

Prossimo

Torna a Elettrotecnica generale

Chi c’è in linea

Visitano il forum: Nessuno e 51 ospiti