Salve gente.
vorrei chiedervi una manina per un circuito da presentare all'esame di maturità.
Vorrei fare un sensore del livello dell'acqua in un serbatoio e trasmettere il segnale con un antenna a un ricevitore, dove andrà in un PIC che lo farà visualizzare su un Display LCD.
Se qualcuno mi vuole dare una mano presto aggiungerò uno schema a blocchi
Sensore per livello dell'acqua con visualizzazzione su Lcd
Moderatori:
carloc,
g.schgor,
BrunoValente,
IsidoroKZ
42 messaggi
• Pagina 1 di 5 • 1, 2, 3, 4, 5
0
voti
vorrei qualche consiglio durante il processo di progettazione per evitare esplosioni inaspettate

0
voti
Ho intenzione di usare come sensore un sensore di umidità HIH 4000 series
http://www.cyfronika.com.pl/dok/hih.pdf
in pratica lo alimento con 5v e mi manda all'uscita una tensione di 4v circa se l'umidità e al 100%(ovvero e in acqua) e 1v circa se l'umidita e dello 0%
http://www.cyfronika.com.pl/dok/hih.pdf
in pratica lo alimento con 5v e mi manda all'uscita una tensione di 4v circa se l'umidità e al 100%(ovvero e in acqua) e 1v circa se l'umidita e dello 0%
0
voti
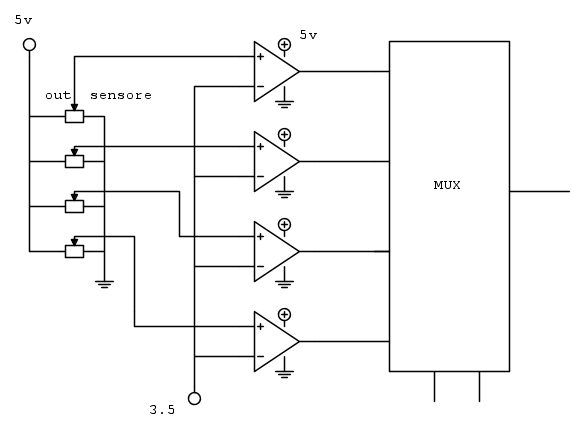
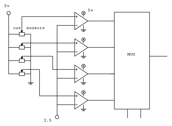
Allora iniziamo, ho intenzione di usare 4 sensori, 2 per ogni recipiente in modo da dirmi quando ogni recipiente è vuoto,a meta e pieno.
Ecco il circuito che parte dal sensore e va nei comparatore, in modo da convertirmi la tensione alternata in uscita dal sensore in una tensione continua, per poi andare nel multiplexer
Ecco il circuito che parte dal sensore e va nei comparatore, in modo da convertirmi la tensione alternata in uscita dal sensore in una tensione continua, per poi andare nel multiplexer
Ultima modifica di
piccoli il 10 feb 2013, 19:04, modificato 1 volta in totale.
0
voti
Trasmettere segnali in radiofrequenza non è banale. Salterei l'ostacolo impiegando direttamente dei moduli preconfezionati per usarli come ponte di un segnale seriale half-duplex anche a bassissimo baud-rate, tanto i dati da scambiar esono pochi. Potresti anche pensare di di usare una trasmissione monodirezionale, senza alcuna forma di diagnostica, sperando che il ricevitore sia in zona e pronto.
Però, se il progetto si riferisce a piccole distanze, vedo meglio l'uso di un bus: bal mitico RS485 a qualunque altro.
Il bus RS485 è documentatissimo e l'hardware utile ha costi ridicoli, (praticamente impossibile non riuescire). Altri invece non saprei dire io.
Però a me sembra un progetto troppo ambizioso ed ho come la sensazione che finirà tutto nello scatolone dei belle intenzioni mai concretizzate.
Però, se il progetto si riferisce a piccole distanze, vedo meglio l'uso di un bus: bal mitico RS485 a qualunque altro.
Il bus RS485 è documentatissimo e l'hardware utile ha costi ridicoli, (praticamente impossibile non riuescire). Altri invece non saprei dire io.
Però a me sembra un progetto troppo ambizioso ed ho come la sensazione che finirà tutto nello scatolone dei belle intenzioni mai concretizzate.
-

Candy
32,5k 7 10 13 - CRU - Account cancellato su Richiesta utente
- Messaggi: 10123
- Iscritto il: 14 giu 2010, 22:54
0
voti
Hai già riflettuto come convertirai il segnale di ogni sonda di livello in digitale per trasmetterlo?
Hai già pensato a che sonda usare per rilevare in proporzionale i livelli?
Hai già pensato a come riconoscere dalla centralina display quale sonda sta inviando l'informazione?
Hai già usato dei sistemi analogici con convertitori DAC e sai come giungere ad una informazione digitale utile?
Hai già pensato a che sonda usare per rilevare in proporzionale i livelli?
Hai già pensato a come riconoscere dalla centralina display quale sonda sta inviando l'informazione?
Hai già usato dei sistemi analogici con convertitori DAC e sai come giungere ad una informazione digitale utile?
-

Candy
32,5k 7 10 13 - CRU - Account cancellato su Richiesta utente
- Messaggi: 10123
- Iscritto il: 14 giu 2010, 22:54
42 messaggi
• Pagina 1 di 5 • 1, 2, 3, 4, 5
Chi c’è in linea
Visitano il forum: Nessuno e 38 ospiti

Elettrotecnica e non solo (admin)
Un gatto tra gli elettroni (IsidoroKZ)
Esperienza e simulazioni (g.schgor)
Moleskine di un idraulico (RenzoDF)
Il Blog di ElectroYou (webmaster)
Idee microcontrollate (TardoFreak)
PICcoli grandi PICMicro (Paolino)
Il blog elettrico di carloc (carloc)
DirtEYblooog (dirtydeeds)
Di tutto... un po' (jordan20)
AK47 (lillo)
Esperienze elettroniche (marco438)
Telecomunicazioni musicali (clavicordo)
Automazione ed Elettronica (gustavo)
Direttive per la sicurezza (ErnestoCappelletti)
EYnfo dall'Alaska (mir)
Apriamo il quadro! (attilio)
H7-25 (asdf)
Passione Elettrica (massimob)
Elettroni a spasso (guidob)
Bloguerra (guerra)



