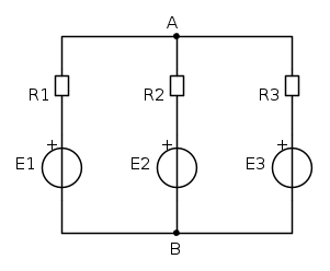
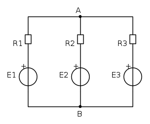
Sono certo che ad elettrotecnica il teorema di Millman è stato trattato e da certamente una soluzione rapida al problema, anche se sarebbe conveniente ricondursi a configurazioni circuitali già note, in modo da risolvere i circuiti vedendoli come composti da blocchi elementari. Questo, nel tempo, mi ha convinto che possa essere il modo più efficiente. Naturalmente da un punto di vista assolutamente soggettivo. Ognuno adotta il metodo con il quale si trova meglio.
- Sovrapposizione degli effetti
- Teorema di Thevenin e di Norton
- Teorema di Millman
- Partitore di tensione e di corrente per resistenze e conduttanze
se hai bisogno di una mano, fischia

Elettrotecnica e non solo (admin)
Un gatto tra gli elettroni (IsidoroKZ)
Esperienza e simulazioni (g.schgor)
Moleskine di un idraulico (RenzoDF)
Il Blog di ElectroYou (webmaster)
Idee microcontrollate (TardoFreak)
PICcoli grandi PICMicro (Paolino)
Il blog elettrico di carloc (carloc)
DirtEYblooog (dirtydeeds)
Di tutto... un po' (jordan20)
AK47 (lillo)
Esperienze elettroniche (marco438)
Telecomunicazioni musicali (clavicordo)
Automazione ed Elettronica (gustavo)
Direttive per la sicurezza (ErnestoCappelletti)
EYnfo dall'Alaska (mir)
Apriamo il quadro! (attilio)
H7-25 (asdf)
Passione Elettrica (massimob)
Elettroni a spasso (guidob)
Bloguerra (guerra)
pigreco]=π



, come faresti?
