Thread sugli operazionali
Moderatori:
carloc,
g.schgor,
BrunoValente,
IsidoroKZ
1
voti
risolto il tutto?
-

PietroBaima
90,7k 7 12 13 - G.Master EY

- Messaggi: 12207
- Iscritto il: 12 ago 2012, 1:20
- Località: Londra
1
voti
Mi sembra giusto.
A domani e buona serata!
A domani e buona serata!
-

PietroBaima
90,7k 7 12 13 - G.Master EY

- Messaggi: 12207
- Iscritto il: 12 ago 2012, 1:20
- Località: Londra
0
voti
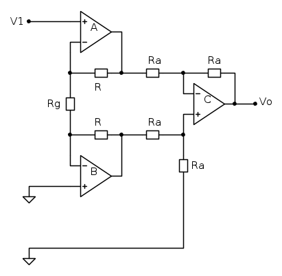
Cominciamo con il terzo esercizio:
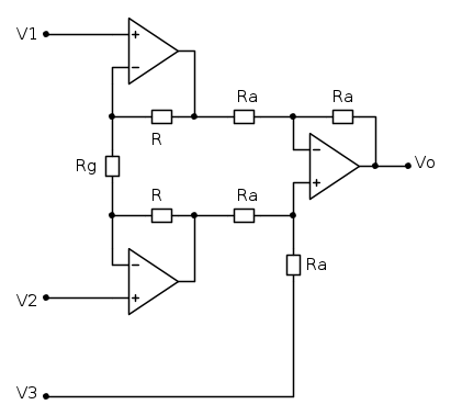
Portiamo a 0V V2 e V3, chiamiamo gli opamp per evitare confusione:
Se B+ è 0, è lecito pensare a questo, inseguendo B- B+?
Inoltre C+ non è anch'egli 0V visto che la tensione è imposta da V3 che è 0V? A quel punto anche C- dovrebbe tendere a 0... ma allora che contributo può dare V1?
Sono confuso
Portiamo a 0V V2 e V3, chiamiamo gli opamp per evitare confusione:
Se B+ è 0, è lecito pensare a questo, inseguendo B- B+?
Inoltre C+ non è anch'egli 0V visto che la tensione è imposta da V3 che è 0V? A quel punto anche C- dovrebbe tendere a 0... ma allora che contributo può dare V1?
Sono confuso

1
voti
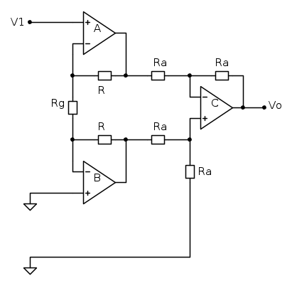
Poi considera separatemente i due operazionali di ingresso A e B(non puoi dividerli) e quello di uscita C
-

PietroBaima
90,7k 7 12 13 - G.Master EY

- Messaggi: 12207
- Iscritto il: 12 ago 2012, 1:20
- Località: Londra
0
voti
Questo dovrebbe essere il contributo di V1:




------------




------------





2
voti
Impara un po' a circuiteggiare
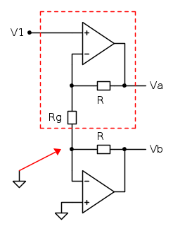
Dentro il rettangolo tratteggiato c'è un amplificatore non invertente, vero che l'avevi visto?
Dentro il rettangolo tratteggiato c'è un amplificatore non invertente, vero che l'avevi visto?
-

PietroBaima
90,7k 7 12 13 - G.Master EY

- Messaggi: 12207
- Iscritto il: 12 ago 2012, 1:20
- Località: Londra
1
voti
Mentre dentro questo rettangolo rosso c'è un amplificatore invertente, vero che l'avevi visto?
-

PietroBaima
90,7k 7 12 13 - G.Master EY

- Messaggi: 12207
- Iscritto il: 12 ago 2012, 1:20
- Località: Londra
1
voti
Dopo che mi hai fatto notare il primo, il secondo l'ho subito individuato :P
Mi sto scrivendo un po' di appunti, non sai come sia ridotta la mia scrivania da quando abbiamo cominciato
Mi sto scrivendo un po' di appunti, non sai come sia ridotta la mia scrivania da quando abbiamo cominciato
1
voti
invece penso, presuntuosamente, di saperlo,
, più o meno come la mia quando studiavo sul Chua, un bel libro di elettrotecnica e non solo ...
-

PietroBaima
90,7k 7 12 13 - G.Master EY

- Messaggi: 12207
- Iscritto il: 12 ago 2012, 1:20
- Località: Londra
Chi c’è in linea
Visitano il forum: Nessuno e 72 ospiti

Elettrotecnica e non solo (admin)
Un gatto tra gli elettroni (IsidoroKZ)
Esperienza e simulazioni (g.schgor)
Moleskine di un idraulico (RenzoDF)
Il Blog di ElectroYou (webmaster)
Idee microcontrollate (TardoFreak)
PICcoli grandi PICMicro (Paolino)
Il blog elettrico di carloc (carloc)
DirtEYblooog (dirtydeeds)
Di tutto... un po' (jordan20)
AK47 (lillo)
Esperienze elettroniche (marco438)
Telecomunicazioni musicali (clavicordo)
Automazione ed Elettronica (gustavo)
Direttive per la sicurezza (ErnestoCappelletti)
EYnfo dall'Alaska (mir)
Apriamo il quadro! (attilio)
H7-25 (asdf)
Passione Elettrica (massimob)
Elettroni a spasso (guidob)
Bloguerra (guerra)
pigreco]=π







