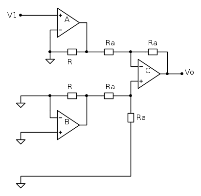
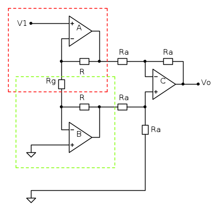
Quello che ti ho fatto risolvere, senza dirtelo naturalmente, è un
amplificatore da strumentazione.
Questo circuito è piuttosto importante in elettronica.
Quando si fa una misura di una differenza è molto meglio acquisire direttamente la differenza, piuttosto che i due segnali e poi farne la differenza dopo. In questo modo si minimizza molto l'errore di misura.
In pratica, sei hai un microcontrollore ARM, per fare un esempio vicino al tuo campo (e ai regali appena ricevuti

) è molto meglio acquisire, con l'ADC a bordo del device, direttamente la differenza di due segnali, piuttosto che acquisirli separatamente e poi farne la differenza in digitale, perché, così facendo, il dato acquisito potrà essere più preciso.
Chiedi anche a
DirtyDeeds, è il suo lavoro !
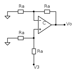
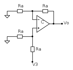
V3, in elettronica,è utilizzato per aggiungere una tensione che viene chiamata
offset. E', sostanzialmente, una tensione che si aggiunge all'uscita per questioni di comodità. Molte volte fa comodo traslare tutto il segnale in alto o in basso aggiungendo una continua, per renderlo compatibile con i circuiti che sono posti a valle dell'amplificatore da strumentazione.
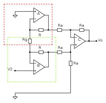
L'amplificatore, inoltre, non
carica l'ingresso. Voglio dire che, quando V1 e V2 vengono collegati ai punti di prelievo del segnale, fanno vedere al circuito a monte una impedenza molto alta. Questo fa si che lo strumento di misura non disturbi la misura stessa.
qui hai un esempio di data sheet di un amplificatore da strumentazione, già integrato: il
INA 121 della BURR-BROWN.
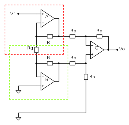
Come vedi, in definitiva, tutto il circuito si comporta come un amplificatore non invertente, con 2R e Rg come resistenze al posto di R ed Rf, quindi, oltre che fare la differenza, posso anche amplificare.