Cos'è ElectroYou | Login Iscriviti

ElectroYou - la comunità dei professionisti del mondo elettrico

Thread sugli operazionali

Elettronica lineare e digitale: didattica ed applicazioni

Moderatori: Foto Utentecarloc, Foto Utenteg.schgor, Foto UtenteBrunoValente, Foto UtenteIsidoroKZ

3
voti

[171] Re: Thread sugli operazionali

Messaggioda Foto UtenteIsidoroKZ » 10 feb 2013, 1:44

elegos ha scritto:Se B+ è 0, è lecito pensare a questo, inseguendo B- B+?



Come ti ha fatto notare Foto UtentePietroBaima questo non e` lecito. Sembrerebbe che si possa fare, perche' viene da dire che c'e` un cortocircuito virtuale, ma questa e` una espressione non corretta, che e` meglio lasciar perdere.

Se l'operazionale e` in linearita` (l'uscita fa tutto quello che puo' cosi` che) V- insegue V+, ma e` l'uscita con la retroazione che tira l'ingresso invertente alla tensione di quello non invertente, non qualche misterioso collegamento fra i due ingressi.
Per usare proficuamente un simulatore, bisogna sapere molta più elettronica di lui
Plug it in - it works better!
Il 555 sta all'elettronica come Arduino all'informatica! (entrambi loro malgrado)
Se volete risposte rispondete a tutte le mie domande
Avatar utente
Foto UtenteIsidoroKZ
121,2k 1 3 8
G.Master EY
G.Master EY
 
Messaggi: 21059
Iscritto il: 17 ott 2009, 0:00

2
voti

[172] Re: Thread sugli operazionali

Messaggioda Foto Utenteelegos » 10 feb 2013, 1:48



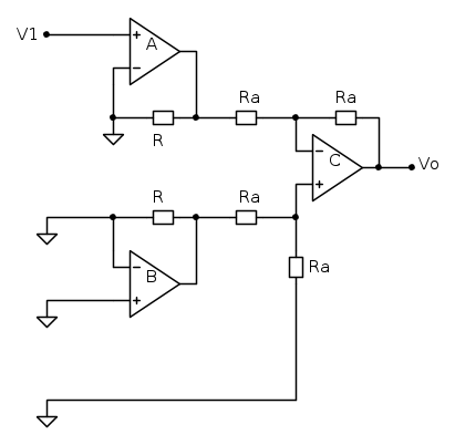
A_{out} = \left(1+\frac{R}{R_g}\right)V_1

B_{out} = -\frac{R}{R_g}V_1

C_+ = \frac12B_{out} = -\frac12\frac{R}{R_g}V_1

C_-=\frac12C_{out}+\frac12A_{out}

C_- = C_+ = -\frac12\frac{R}{R_g}V_1

-\frac12\frac{R}{R_g}V_1 = \frac12C_{out}+\frac12A_{out}

C_{out} = -\frac{R}{R_g}V_1-A_{out}=-\frac{R}{R_g}V_1-\left(1+\frac{R}{R_g}\right)V_1

\boxed{C_{out}=\left(-1-2\frac{R}{R_g}\right)V_1}

Incrocio le dita :mrgreen:

P.S.
Grazie Foto UtenteIsidoroKZ per la spiegazione :)
Avatar utente
Foto Utenteelegos
335 3 6
Frequentatore
Frequentatore
 
Messaggi: 183
Iscritto il: 29 gen 2013, 19:43
Località: Milano

1
voti

[173] Re: Thread sugli operazionali

Messaggioda Foto UtentePietroBaima » 10 feb 2013, 1:54

avanti col prossimo (bravo!)
Generatore codice per articoli:
nomi
Sul forum:
[pigreco]=π
[ohm]=Ω
[quadrato]=²
[cubo]=³
Avatar utente
Foto UtentePietroBaima
90,7k 7 12 13
G.Master EY
G.Master EY
 
Messaggi: 12207
Iscritto il: 12 ago 2012, 1:20
Località: Londra

1
voti

[174] Re: Thread sugli operazionali

Messaggioda Foto Utenteelegos » 10 feb 2013, 2:01

Avatar utente
Foto Utenteelegos
335 3 6
Frequentatore
Frequentatore
 
Messaggi: 183
Iscritto il: 29 gen 2013, 19:43
Località: Milano

1
voti

[175] Re: Thread sugli operazionali

Messaggioda Foto UtentePietroBaima » 10 feb 2013, 2:03

certo, anche perché potevi non fare calcoli perché il circuito è simmetrico, quindi cambia solo il segno ;-)

Vai con V3 e dagli il colpo di grazia.
Generatore codice per articoli:
nomi
Sul forum:
[pigreco]=π
[ohm]=Ω
[quadrato]=²
[cubo]=³
Avatar utente
Foto UtentePietroBaima
90,7k 7 12 13
G.Master EY
G.Master EY
 
Messaggi: 12207
Iscritto il: 12 ago 2012, 1:20
Località: Londra

2
voti

[176] Re: Thread sugli operazionali

Messaggioda Foto Utenteelegos » 10 feb 2013, 2:15

Se non prendo un abbaglio, mandando a 0V V1 e V2 dovremmo avere un circuito equivalente di questo tipo:



Che poi sarebbe un amplificatore non invertente con tale formula:

C_+ = \frac12V_3

C_{out} = 2C_+

\boxed{C_{out} = V_3}

Quindi in definitiva la formula completa dovrebbe essere la seguente:

V_o = C_{out1}+C_{out3}+C_{out3}

\boxed{V_o = -(1+2\frac{R}{R_g})V_1 + (1+2\frac{R}{R_g})V_2+V_3}
Avatar utente
Foto Utenteelegos
335 3 6
Frequentatore
Frequentatore
 
Messaggi: 183
Iscritto il: 29 gen 2013, 19:43
Località: Milano

1
voti

[177] Re: Thread sugli operazionali

Messaggioda Foto UtentePietroBaima » 10 feb 2013, 2:21

Sì, bravo !

Vo si può scrivere come:

\boxed{V_o = (V_2-V_1)(1+\frac{2R}{R_g})+V_3}

Secondo te, a cosa può servire un circuito del genere?
Generatore codice per articoli:
nomi
Sul forum:
[pigreco]=π
[ohm]=Ω
[quadrato]=²
[cubo]=³
Avatar utente
Foto UtentePietroBaima
90,7k 7 12 13
G.Master EY
G.Master EY
 
Messaggi: 12207
Iscritto il: 12 ago 2012, 1:20
Località: Londra

0
voti

[178] Re: Thread sugli operazionali

Messaggioda Foto Utenteelegos » 10 feb 2013, 2:27

Sinceramente non lo so...

Si può dire sicuramente che a prescindere da V1 e V2, il segnale è sempre aumentato di V3. Poi a V2 si sottrae V1, considerando il prodotto con il rapporto delle resistenze... ma pensando alla mia idea originale non credo di capire dove vuoi arrivare :-(
Avatar utente
Foto Utenteelegos
335 3 6
Frequentatore
Frequentatore
 
Messaggi: 183
Iscritto il: 29 gen 2013, 19:43
Località: Milano

4
voti

[179] Re: Thread sugli operazionali

Messaggioda Foto UtentePietroBaima » 10 feb 2013, 2:43

Quello che ti ho fatto risolvere, senza dirtelo naturalmente, è un amplificatore da strumentazione.

Questo circuito è piuttosto importante in elettronica.
Quando si fa una misura di una differenza è molto meglio acquisire direttamente la differenza, piuttosto che i due segnali e poi farne la differenza dopo. In questo modo si minimizza molto l'errore di misura.

In pratica, sei hai un microcontrollore ARM, per fare un esempio vicino al tuo campo (e ai regali appena ricevuti :mrgreen: ) è molto meglio acquisire, con l'ADC a bordo del device, direttamente la differenza di due segnali, piuttosto che acquisirli separatamente e poi farne la differenza in digitale, perché, così facendo, il dato acquisito potrà essere più preciso.

Chiedi anche a Foto UtenteDirtyDeeds, è il suo lavoro !

V3, in elettronica,è utilizzato per aggiungere una tensione che viene chiamata offset. E', sostanzialmente, una tensione che si aggiunge all'uscita per questioni di comodità. Molte volte fa comodo traslare tutto il segnale in alto o in basso aggiungendo una continua, per renderlo compatibile con i circuiti che sono posti a valle dell'amplificatore da strumentazione.

L'amplificatore, inoltre, non carica l'ingresso. Voglio dire che, quando V1 e V2 vengono collegati ai punti di prelievo del segnale, fanno vedere al circuito a monte una impedenza molto alta. Questo fa si che lo strumento di misura non disturbi la misura stessa.

qui hai un esempio di data sheet di un amplificatore da strumentazione, già integrato: il INA 121 della BURR-BROWN.

Come vedi, in definitiva, tutto il circuito si comporta come un amplificatore non invertente, con 2R e Rg come resistenze al posto di R ed Rf, quindi, oltre che fare la differenza, posso anche amplificare.
Generatore codice per articoli:
nomi
Sul forum:
[pigreco]=π
[ohm]=Ω
[quadrato]=²
[cubo]=³
Avatar utente
Foto UtentePietroBaima
90,7k 7 12 13
G.Master EY
G.Master EY
 
Messaggi: 12207
Iscritto il: 12 ago 2012, 1:20
Località: Londra

1
voti

[180] Re: Thread sugli operazionali

Messaggioda Foto Utenteelegos » 10 feb 2013, 2:55

E' ancora un po' nebuloso, ma mi fido della spiegazione :P

Ora tocca all'ultimo esercizio. Forse è perché tardi, oppure perché non capisco proprio, non mi è troppo chiaro l'equivalente di Thevenin. Domani riprovo con calma, comunque non mi piacciono quelle connessioni che collegano i due opamp :P
Avatar utente
Foto Utenteelegos
335 3 6
Frequentatore
Frequentatore
 
Messaggi: 183
Iscritto il: 29 gen 2013, 19:43
Località: Milano

PrecedenteProssimo

Torna a Elettronica generale

Chi c’è in linea

Visitano il forum: Nessuno e 152 ospiti