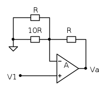
Se ti ridisegni la rete così (è uguale a prima, ho solo spostato una resistenza), non noti nulla?
Thread sugli operazionali
Moderatori:
carloc,
g.schgor,
BrunoValente,
IsidoroKZ
2
voti
Non c'è problema. Tanto sono in multitasking
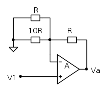
Se ti ridisegni la rete così (è uguale a prima, ho solo spostato una resistenza), non noti nulla?
Se ti ridisegni la rete così (è uguale a prima, ho solo spostato una resistenza), non noti nulla?
-

PietroBaima
90,7k 7 12 13 - G.Master EY

- Messaggi: 12207
- Iscritto il: 12 ago 2012, 1:20
- Località: Londra
1
voti
elegos ha scritto:Ora... chiaramente= 0.
E qui ti volevo
Pensa bene a cosa succede.
Cosa hai calcolato?
Cosa succede in uscita?
-

PietroBaima
90,7k 7 12 13 - G.Master EY

- Messaggi: 12207
- Iscritto il: 12 ago 2012, 1:20
- Località: Londra
2
voti
Una nota per inciso, adesso diventiamo un po' più precisi:
Non scrivere
ma
. Così evidenzi che è una tensione. Oltre che essere più corretto, identifichi anche meglio cosa stai calcolando.
Non scrivere
ma
. Così evidenzi che è una tensione. Oltre che essere più corretto, identifichi anche meglio cosa stai calcolando.-

PietroBaima
90,7k 7 12 13 - G.Master EY

- Messaggi: 12207
- Iscritto il: 12 ago 2012, 1:20
- Località: Londra
2
voti
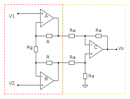
Io però per analizzare l'amplificatore da strumentazione a 3 op amp non utilizzerei la sovrapposizione degli effetti, ma lo considererei diviso in questi due blocchi:
It's a sin to write
instead of
(Anonimo).
...'cos you know that
ain't
, right?
You won't get a sexy tan if you write
in lieu of
.
Take a log for a fireplace, but don't take
for
arithm.
instead of
(Anonimo)....'cos you know that
ain't
, right?You won't get a sexy tan if you write
in lieu of
.Take a log for a fireplace, but don't take
for
arithm.-

DirtyDeeds
55,9k 7 11 13 - G.Master EY

- Messaggi: 7012
- Iscritto il: 13 apr 2010, 16:13
- Località: Somewhere in nowhere
1
voti
Vuoi dire:

?
Ma a parte le convenzioni, mi sembra che ci sia un 10 di troppo da qualche parte.
Ci sei quasi, controlla bene

?
Ma a parte le convenzioni, mi sembra che ci sia un 10 di troppo da qualche parte.
Ci sei quasi, controlla bene
-

PietroBaima
90,7k 7 12 13 - G.Master EY

- Messaggi: 12207
- Iscritto il: 12 ago 2012, 1:20
- Località: Londra
0
voti
Quello che ho fatto (magari ho sbagliato i calcoli) è stato di fare la sovrapposizione di tre effetti:
1. il contributo di Vo (partitore) -> Vo R/10R
2. il contributo di V(Aout) (partitore) -> V(Aout) 10R/R
3. il contributo di V(A-) (partitore) -> V1 10R/R
1. il contributo di Vo (partitore) -> Vo R/10R
2. il contributo di V(Aout) (partitore) -> V(Aout) 10R/R
3. il contributo di V(A-) (partitore) -> V1 10R/R
Bomba de caporal elettronico
1
voti
Controlla bene la 1.
-

PietroBaima
90,7k 7 12 13 - G.Master EY

- Messaggi: 12207
- Iscritto il: 12 ago 2012, 1:20
- Località: Londra
Chi c’è in linea
Visitano il forum: Nessuno e 51 ospiti

Elettrotecnica e non solo (admin)
Un gatto tra gli elettroni (IsidoroKZ)
Esperienza e simulazioni (g.schgor)
Moleskine di un idraulico (RenzoDF)
Il Blog di ElectroYou (webmaster)
Idee microcontrollate (TardoFreak)
PICcoli grandi PICMicro (Paolino)
Il blog elettrico di carloc (carloc)
DirtEYblooog (dirtydeeds)
Di tutto... un po' (jordan20)
AK47 (lillo)
Esperienze elettroniche (marco438)
Telecomunicazioni musicali (clavicordo)
Automazione ed Elettronica (gustavo)
Direttive per la sicurezza (ErnestoCappelletti)
EYnfo dall'Alaska (mir)
Apriamo il quadro! (attilio)
H7-25 (asdf)
Passione Elettrica (massimob)
Elettroni a spasso (guidob)
Bloguerra (guerra)
pigreco]=π





