R/R forse? E' questo che non comprendo, a livello logico. Come faccio a priori a sapere quali resistenze prendere in considerazione, qualora ce ne siano ben due "dall'altra parte" della tensione in oggetto? Devo forse considerare il circuito come due partitori separati? Che io ho considerato questo:
Quello che ho sbagliato è la parte in arancione. Per motivi di logistica, non posso colorare i collegamenti in più colori. Consideriamo quindi la parte arancione (V(Aout)). Da come mi hai suggerito dovrei prendere in considerazione il partitore V(Aout) -> R -> R -> 0V e non V(Aout) -> R -> 10R -> 0V. O forse entrambi.
Ora che ci penso... si potrebbe prendere in considerazione questo partitore? V(Aout) -> R -> R//10R -> 0V?
Thread sugli operazionali
Moderatori:
carloc,
g.schgor,
BrunoValente,
IsidoroKZ
1
voti
Andiamo con calma e ordine.
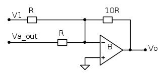
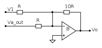
Come prima cosa isoliamo il circuito che ci interessa, dallo schema più completo:
In pratica, tu hai questo circuito, da analizzare:
rispondi alle domande:
Come prima cosa isoliamo il circuito che ci interessa, dallo schema più completo:
In pratica, tu hai questo circuito, da analizzare:
rispondi alle domande:
- Cos'è questo circuito?
- Qual è la sua funzione di trasferimento?
-

PietroBaima
90,7k 7 12 13 - G.Master EY

- Messaggi: 12207
- Iscritto il: 12 ago 2012, 1:20
- Località: Londra
0
voti
E' un amplificatore invertente, ma con due sorgenti di tensione differenti.
Azz, dovrei forse trattarlo come due amplificatori invertenti differenti? xD
Azz, dovrei forse trattarlo come due amplificatori invertenti differenti? xD
Bomba de caporal elettronico
1
voti
elegos ha scritto:E' un amplificatore invertente, ma con due sorgenti di tensione differenti.
Azz, dovrei forse trattarlo come due amplificatori invertenti differenti? xD
Sì, con la sovrapposizione degli effetti. Scoprirai che è un sommatore invertente, di cui avevamo già parlato. Comunque, don't worry, un po' per volta acquisirai esperienza!
Adesso calcolami la funzione di trasferimento
-

PietroBaima
90,7k 7 12 13 - G.Master EY

- Messaggi: 12207
- Iscritto il: 12 ago 2012, 1:20
- Località: Londra
1
voti
elegos ha scritto:E' questo che non comprendo, a livello logico. Come faccio a priori a sapere quali resistenze prendere in considerazione
eh, proprio lì è l'esperienza. Tu puoi considerare tutte le resistenze che vuoi, puoi applicare la sovrapposizione degli effetti dove vuoi, puoi spezzettare il circuito come vuoi.
Il problema è se conviene farlo o no, se conviene considerare prima una cosa e poi l'altra, se conviene applicare il partitore di tensione o un'altra cosa...
-

PietroBaima
90,7k 7 12 13 - G.Master EY

- Messaggi: 12207
- Iscritto il: 12 ago 2012, 1:20
- Località: Londra
Chi c’è in linea
Visitano il forum: Nessuno e 47 ospiti

Elettrotecnica e non solo (admin)
Un gatto tra gli elettroni (IsidoroKZ)
Esperienza e simulazioni (g.schgor)
Moleskine di un idraulico (RenzoDF)
Il Blog di ElectroYou (webmaster)
Idee microcontrollate (TardoFreak)
PICcoli grandi PICMicro (Paolino)
Il blog elettrico di carloc (carloc)
DirtEYblooog (dirtydeeds)
Di tutto... un po' (jordan20)
AK47 (lillo)
Esperienze elettroniche (marco438)
Telecomunicazioni musicali (clavicordo)
Automazione ed Elettronica (gustavo)
Direttive per la sicurezza (ErnestoCappelletti)
EYnfo dall'Alaska (mir)
Apriamo il quadro! (attilio)
H7-25 (asdf)
Passione Elettrica (massimob)
Elettroni a spasso (guidob)
Bloguerra (guerra)



pigreco]=π

