Cos'è ElectroYou | Login Iscriviti

ElectroYou - la comunità dei professionisti del mondo elettrico

Layout PCB

Elettronica lineare e digitale: didattica ed applicazioni

Moderatori: Foto Utentecarloc, Foto Utenteg.schgor, Foto UtenteBrunoValente, Foto UtenteIsidoroKZ

0
voti

[1] Layout PCB

Messaggioda Foto Utentebelva87 » 6 feb 2013, 23:22

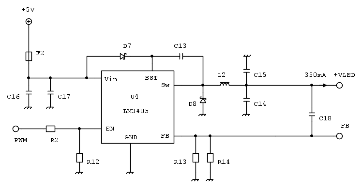
Salve a tutti, vorrei sapere le vostre opinioni in merito al layout che ho realizzato per un driver a corrente costante per pilotare un led. L'integrato utilizzato è questo della TI.
Ciò che mi "attanaglia", se così si può dire, riguarda la traccia del segnale di feedback (denominato FB), la "chiusura" a massa del loop di ingresso e di uscita attraverso i rispettivi condensatori C16 C17 e C14 C15 e D8; ed infine il posizionamento di C18 e le relative tracce.
Allego lo schema in Fidocad:

Per avere una idea delle potenze in gioco ho riportato la massima corrente che circolerà sul led, ed è pari a 350mA mentre la tensione riportata nel DS è di 3.2V circa. La frequenza di lavoro è di 1.6 MHz.
Posto anche delle immagini del lato top e bottom della scheda e per maggiore chiarezza anche la vista 3D.
Per avere un punto di riferimento lo switching node è facilmente riconoscibile dal lato top perché non è ricoperto dal piano di massa. Nel top layer ho lasciato visibile la serigrafia del bottom per rendere più facile l'individuazione dei componenti. Tutto questo non perché vi ho presi per i.... ma perché vorrei rendere agevole "il calarsi" in qualcosa che io vedo ormai da qualche giorno e voi noi, sommando poi tutte le difficoltà dovute al fatto che le immagini qui sono fisse mentre il cad permette di giocare agevolmente con la visualizzazione dei livelli rendendo la cosa più facile.
Immagine_3D_Bottom_ok.jpg
Immagine_3D_Bottom_ok.jpg (234.83 KiB) Osservato 14262 volte

Immagine_Bot_ok.jpg
Immagine_Bot_ok.jpg (254.66 KiB) Osservato 14262 volte

Immagine_Top_ok.jpg
Immagine_Top_ok.jpg (245.52 KiB) Osservato 14262 volte

Mi scuso se la vista 3D non fa vedere i vias ne le tracce :(
Voi come fareste? Ci sono "sbagli" notevoli? Considerazioni? Consigli? Fucilazioni? :mrgreen:
Grazie in anticipo, Luca.
PS: la parte attualmente in questione si trova a partire dalla scritta BATTERY in giù
Avatar utente
Foto Utentebelva87
2.292 2 6 12
free expert
 
Messaggi: 1323
Iscritto il: 9 mag 2011, 15:01

0
voti

[2] Re: Layout PCB

Messaggioda Foto Utentebelva87 » 14 feb 2013, 20:37

Forse è passato inosservato :roll:
Chiedo espressamente ai signori Foto UtenteLelettrico e Foto UtenteAOX di mettermi il voto, dato che siamo in periodo di pagelle scolastiche :mrgreen:
Ho citato loro perché il primo in passato si espresse molto bene, ed aiutandomi parecchio, in un post molto simile in passato, mentre il secondo un minimo conosce l'applicazione e poi mi resta vicino, visto mai decidesse di prendermi a mazzate :mrgreen:
Ovviamente, ma mica tanto, se e quando vogliono loro, è un forum mica uno sportello postale!
Anche se a dirla tutta anche lo sportello postale fa un po' se e quando vuole lui :roll:
Grazie in anticipo a tutti coloro che interverranno, e anche non.
O_/ , Luca

PS: ho scritto questo così che se non ci saranno ulteriori risposte chi di dovere può sentirsi ulteriormente libero di cancellare il tutto dato che sto impiegando parecchia memoria a causa delle immagini.
Avatar utente
Foto Utentebelva87
2.292 2 6 12
free expert
 
Messaggi: 1323
Iscritto il: 9 mag 2011, 15:01

0
voti

[3] Re: Layout PCB

Messaggioda Foto UtenteAOX » 15 feb 2013, 10:40

Io per 350mA uso bene lo ZXLD1350 della Zetex. Richiede meno componenti intorno e quindi anche il layout di conseguenza è più fluido e semplice. Per un 1A ha anche il fratello maggiore e forse costa anche meno.
Per l'attuale sbroglio è difficile giudicare (ammesso che si debba giudicare il lavoro altrui) da una prima vista di queste immagini. Come prima sensazione che mi viene è che è un po' largo per tali componenti e mi ricorda la classica demoboard per promuovere l'integrato (quelle che il rappresentante ti poggia orgoglioso sul tavolo). Sarà perché mi chiedono sempre di risparmiare anche sull'area del circuito stampato e di mettere le cose dentro i buchi liberi...
Avatar utente
Foto UtenteAOX
3.555 2 6 11
Master EY
Master EY
 
Messaggi: 232
Iscritto il: 20 mar 2011, 12:29

0
voti

[4] Re: Layout PCB

Messaggioda Foto Utentebelva87 » 15 feb 2013, 12:27

Non ho scelto quel componente perché ha una Vin operativa minima di 7V (anche se da alcuni grafici non si direbbe..) e mi è sembrata "esagerata" dato che devo alimentare un solo led a 3.2 circa. Inoltre innalzo la tensione di batteria da 3.7V (nominali) a 5V con un boost (sempre della TI) perché devo alimentarci l'oscillatore in PWM per fare il dimming dell'intensità luminosa.
A pensarci bene tale circuito potrebbe funzionare anche a 8 o 9V, che andrebbero bene per far lavorare il ZXLD1350; ma per il boost poi converrebbe? :roll:
Per quanto riguarda la PCB per fortuna di spazio disponibile ne ho abbastanza perché ho dei vincoli dettati dalle dimensioni delle due batterie; grazie comunque della tua opinione.
L'ultima cosa poi me ne torno a studiare, dato che hai già utilizzato driver con caratteristiche simili hai riscontrato "problematiche" per le radiate? Oppure le potenze in gioco sono "troppo piccole"?
Ti è capitato di impiegare tale componente con una alimentazione di 5V?
O_/ e grazie, Luca.
Avatar utente
Foto Utentebelva87
2.292 2 6 12
free expert
 
Messaggi: 1323
Iscritto il: 9 mag 2011, 15:01

0
voti

[5] Re: Layout PCB

Messaggioda Foto UtenteAOX » 16 feb 2013, 16:52

Dunque parti da 3.7V della batteria e con uno switching la porti a 5V e poi con un altro switching in cascata fai la corrente costante a 350mA? Mi pare un po' inusuale per mettere assieme un led ed una batteria.
Non ci sono switching per fare direttamente una corrente costante partendo da una batteria?
Hai valutato anche l'uso di tre stilo AA e di un regolatore lineare low dropout con il trimmer per ridurre la corrente? Avresti una tensione ai capi del regolatore di circa 1.3V e un certo margine minimo anche a batterie un po' scariche. Non è che poi saresti lontano dal rendimento complessivo di due switching in cascata. In tal caso sarebbe anche più spianata la strada delle emissioni e spenderesti molto meno.
Avatar utente
Foto UtenteAOX
3.555 2 6 11
Master EY
Master EY
 
Messaggi: 232
Iscritto il: 20 mar 2011, 12:29

0
voti

[6] Re: Layout PCB

Messaggioda Foto Utentebelva87 » 16 feb 2013, 20:58

AOX ha scritto:Non ci sono switching per fare direttamente una corrente costante partendo da una batteria?

Si forse ci sono, la mia minima tensione i batteria accettabile è circa 2.8V, sotto le tiro il collo.
Tu ne conosci? Mi rimarrebbe però il problema del dimming, cioè dovrei fare un oscillatore che lavori a tensioni più basse di 5V, anche nel caso del lineare.
Il trimmer nel lineare intendi usarlo tipo schema classico dei 78xx con corrente fissa?
Per le batterie devo usare per forza il formato 18650 a Litio, l'oggetto alla fine dovrà durare almeno 6 ore alla massima luminosità...
Mi metto alla ricerca intanto.
Grazie, Luca.
Avatar utente
Foto Utentebelva87
2.292 2 6 12
free expert
 
Messaggi: 1323
Iscritto il: 9 mag 2011, 15:01

0
voti

[7] Re: Layout PCB

Messaggioda Foto Utentebelva87 » 17 feb 2013, 11:24

Dunque mi è saltato all'occhio l' LM3410 e penso di usarlo in configurazione sepic così da aumentare la flessibilità del sistema nei confronti dell'alimentazione utilizzata, cioè nel mio caso delle batterie. Che cosa ne pensi?
L'efficienza per questa applicazione è importante, la lampada deve stare accesa "il più possibile", il sepic mi costa due induttori (oppure due mutui in unico contenitore) ma rispetto al design precedente ho risparmiato diversi componenti attivi.
Mi resta il problema del PWM per il dimming, stavo pensando di impiegare un LDO ad una tensione minore rispetto a quando considero le batterie totalmente scariche (per esempio a 1.8V che ce ne sono a bizzeffe per i core dei DSP e robe simili) per poter alimentare l'oscillatore a frequenza fissa e duty variabile, ma non so come realizzare quest'ultimo blocco... :roll:
Devo pensarci bene su e controllare cosa offre il mercato, devo però fare in modo che l'utente regoli la luminosità del led con un potenziometro.
Grazie ancora del supporto e del tempo, Luca.
Avatar utente
Foto Utentebelva87
2.292 2 6 12
free expert
 
Messaggi: 1323
Iscritto il: 9 mag 2011, 15:01


Torna a Elettronica generale

Chi c’è in linea

Visitano il forum: Nessuno e 143 ospiti