Salve,
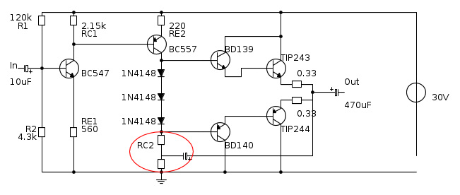
ho implementato questo schema su breadboard:
Lo scopo era di usare al contempo un'alimentazione singola, e l'assenza di condensatori di accoppiamento fra stadi. Funziona discretamente su uno speaker di 4ohm/10W (non sono stato a misurare la distorsione). I finali (i due TIP) rimangono praticamente freddi (temp. ambiente) montati su piccole alette con una corrente di bias molto bassa (inferiore ai 10mA). Ciononostante con una sinusoide non sono riuscito a vedere sull'oscilloscopio alcuna distorsione di cross-over, nonostante a rigore mancherebbe un diodo 1N4148 (se lo aggiungo la corrente dei finali è parecchio alta... circa 50/100 mA).
Vorrei chiedere se qualche esperto può indicarmi le varie migliorie ed evoluzioni che potrei apportare allo schema. Grazie :)
Ancora su Amplificatore Audio
Moderatori:
carloc,
g.schgor,
BrunoValente,
IsidoroKZ
12 messaggi
• Pagina 1 di 2 • 1, 2
2
voti
Al posto dei tre diodi potresti mettere un moltiplicatore di VBE in modo da poter regolare la corrente di polarizzazione dei finali. Il motivo per cui non vedi distorsione di crossover anche se manca un diodo e` che nei diodi circola una corrente di qualche milliampere, mentre nelle basi dei due piloti circolano dei microampere, e hanno sezione molta piu` grande rispetto ai diodi, quindi la caduta di diodi e` quasi sufficiente.
Una verifica che puoi fare e` guardare che su RC2 ci siano circa 14V, se la tensione e` molto diversa perdi in dinamica.
Un miglioramento (ma bisogna fare i conti per vedere quanto e` utile) e` usare un bootstrap per pilotare il secondo stadio a corrente un po' piu` costante, mentre un miglioramento "drastico" potrebbe essere introdurre un anello di retroazione che stabilizzi il bias e migliori la linearita`. Purtroppo non credo si possa fare facilmente senza ricalcoalre qualche pezzo, perche' il guadagno dello stadio non e` molto elevato, dovrebbe essere dalle parti di 40-50 volte.
Una verifica che puoi fare e` guardare che su RC2 ci siano circa 14V, se la tensione e` molto diversa perdi in dinamica.
Un miglioramento (ma bisogna fare i conti per vedere quanto e` utile) e` usare un bootstrap per pilotare il secondo stadio a corrente un po' piu` costante, mentre un miglioramento "drastico" potrebbe essere introdurre un anello di retroazione che stabilizzi il bias e migliori la linearita`. Purtroppo non credo si possa fare facilmente senza ricalcoalre qualche pezzo, perche' il guadagno dello stadio non e` molto elevato, dovrebbe essere dalle parti di 40-50 volte.
Per usare proficuamente un simulatore, bisogna sapere molta più elettronica di lui
Plug it in - it works better!
Il 555 sta all'elettronica come Arduino all'informatica! (entrambi loro malgrado)
Se volete risposte rispondete a tutte le mie domande
Plug it in - it works better!
Il 555 sta all'elettronica come Arduino all'informatica! (entrambi loro malgrado)
Se volete risposte rispondete a tutte le mie domande
0
voti
IsidoroKZ ha scritto:Al posto dei tre diodi potresti mettere un moltiplicatore di VBE in modo da poter regolare la corrente di polarizzazione dei finali. Il motivo per cui non vedi distorsione di crossover anche se manca un diodo e` che nei diodi circola una corrente di qualche milliampere, mentre nelle basi dei due piloti circolano dei microampere, e hanno sezione molta piu` grande rispetto ai diodi, quindi la caduta di diodi e` quasi sufficiente.
Mi devo ripassare un po' di fisica delle giunzioni, perché mi sfuggono questi dettagli.
IsidoroKZ ha scritto:Una verifica che puoi fare e` guardare che su RC2 ci siano circa 14V, se la tensione e` molto diversa perdi in dinamica.
Verificato, è 12V circa.
IsidoroKZ ha scritto:Un miglioramento (ma bisogna fare i conti per vedere quanto e` utile) e` usare un bootstrap per pilotare il secondo stadio a corrente un po' piu` costante,
Hai un articolo/documento che parli di questo bootstrap da consigliarmi (magari del materiale proprio qui sul forum) ?
Grazie dell'intervento e a presto.
Fede
-

Federico80
30 5 - New entry

- Messaggi: 54
- Iscritto il: 16 gen 2013, 11:33
- Località: Padova
2
voti
Il bootstrap e` una cosa del genere
Proviamo a invocare
BrunoValente e
Piercarlo che sicuramente hanno indicazioni precise da darti. Adesso sono un po' di corsa
Proviamo a invocare
Per usare proficuamente un simulatore, bisogna sapere molta più elettronica di lui
Plug it in - it works better!
Il 555 sta all'elettronica come Arduino all'informatica! (entrambi loro malgrado)
Se volete risposte rispondete a tutte le mie domande
Plug it in - it works better!
Il 555 sta all'elettronica come Arduino all'informatica! (entrambi loro malgrado)
Se volete risposte rispondete a tutte le mie domande
0
voti
Cioe' il bootstrap e' una retroazione che riporta "una parte del segnale AC" sul collettore ? Oppure porta una parte del segnale dello stadio di guadagno direttamente sul carico...
Attendo qualche maggiore spiegazione perche' non mi e' chiarissimo il funzionamento e i vantaggi che ne derivano
. Grazie!
Fede
Attendo qualche maggiore spiegazione perche' non mi e' chiarissimo il funzionamento e i vantaggi che ne derivano
Fede
-

Federico80
30 5 - New entry

- Messaggi: 54
- Iscritto il: 16 gen 2013, 11:33
- Località: Padova
3
voti
Federico80 ha scritto:
Cioe' il bootstrap e' una retroazione che riporta "una parte del segnale AC" sul collettore ? Oppure porta una parte del segnale dello stadio di guadagno direttamente sul carico...
No, semplicemente riporta IN RETROAZIONE POSITIVA (e quindi applicabile solo su stadi che NON guadagnano in tensione, altrimenti ottieni un oscillatore... e pure buono!) il segnale in uscita (dal source, dall'emetitore o anche dal catodo se si usano i tubi) di uno stadio amplificatore sul suo ingresso.
I vantaggi dipendono da cosa si vuole ottenere mentre l'effetto fisico che si ottiene nel circuito è soprattutto quello di far sì che un dato componente (in questo caso una resistenza), lavori a tensione e quindi a corrente costante (in continua cioè) NONOSTANTE si trovi in mezzo ad un circuito che in realtà è percorso da un segnale in alternata (il segnale audio in questo caso). Questo può portare lo stadio che adotta questo espediente come:
1) Uno stadio il cui ingresso si comporta come se fosse polarizzato (in AC) da un generatore a corrente costante (con il risultato di alzarne in modo cospicuo la sua impedenza di ingresso in AC).
2) Come uno stadio il cui ingresso può essere pilotato in AC dallo stadio precedente come se questo fosse alimentato da una tensione maggiore di quella realmente disponibile in modo da poter pilotare il primo fino alla sua saturazione (cosa molto utile quando lo stadio di uscita che esce di emettitore anziché essere usato come amplificatore viene usato come commutatore - Non è il migliore possibile... ma funziona.
Oggi negli amplificatori audio non si usa quasi più (perché oggi costa meno usare un transistor come generatore di corrente al posto di un circuito bootstrap, ovvero ci si trova esattamente nella situazione opposta di quando il bootstrap era molto più usato - un 30-40 anni fa - periodo in cui i transistori invece erano cari come il fuoco) ma è pur sempre un circuito che vale la pena di contnuare a studiare, non fosse che per "l'insight" che da dei circuiti elettronici.
4
voti
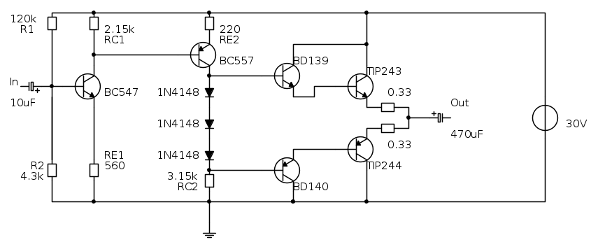
Puoi dividere RC2 in due resistenze uguali e scegliere il condensatore per un taglio a 5-8 Hz.
Cerco di spiegarti come funziona.
1) serve a non far variare troppo la corrente nei diodi di polarizzazione delle basi dei finali durante le escursioni che la tensione delle basi subisce ad opera del segnale audio.
2) serve anche a far aumentare il guadagno totale. Questo va bene quando l'amplificatore è controreazionato, in questo caso non so se sia un bene che il guadagno aumenti, forse sarebbe opportuno introdurre anche una controreazione, magari in maniera semplice e senza troppi fronzoli.
Il guadagno in tensione dello stadio finale è unitario mentre quello del pilota (BC557) va in proporzione al valore di RC2, quindi se si volesse aumentare il guadagno si potrebbe in prima battuta pensare di aumentare il valore di RC2 ma questo però porterebbe un paio di inconvenienti: si ridurrebbe la corrente nei diodi e di conseguenza anche la corrente a riposo nei finali e si sposterebbe anche la tensione di polarizzazione dei finali che invece deve rimanere ben centrata rispetto a quella d'alimentazione.
Con il bootstrap invece si raggiunge lo stesso scopo senza gli inconvenienti.
La tensione di segnale di uscita viene riportata tramite il condensatore sul lato di RC2 opposto a quello che si collega ai diodi. Di fatto in questo modo la resistenza è sottoposta alla stessa tensione di segnale su entrambi i reofori, questo significa che ai suoi capi c'è una caduta di tensione di segnale pari a zero, quindi nessuna corrente di segnale la attraversa.
Se nessuna corrente di segnale la attraversa vuol dire che a tutti gli effetti quella resistenza appare di valore infinito al transistor pilota...quindi guadagno massimo.
Cerco di spiegarti come funziona.
1) serve a non far variare troppo la corrente nei diodi di polarizzazione delle basi dei finali durante le escursioni che la tensione delle basi subisce ad opera del segnale audio.
2) serve anche a far aumentare il guadagno totale. Questo va bene quando l'amplificatore è controreazionato, in questo caso non so se sia un bene che il guadagno aumenti, forse sarebbe opportuno introdurre anche una controreazione, magari in maniera semplice e senza troppi fronzoli.
Il guadagno in tensione dello stadio finale è unitario mentre quello del pilota (BC557) va in proporzione al valore di RC2, quindi se si volesse aumentare il guadagno si potrebbe in prima battuta pensare di aumentare il valore di RC2 ma questo però porterebbe un paio di inconvenienti: si ridurrebbe la corrente nei diodi e di conseguenza anche la corrente a riposo nei finali e si sposterebbe anche la tensione di polarizzazione dei finali che invece deve rimanere ben centrata rispetto a quella d'alimentazione.
Con il bootstrap invece si raggiunge lo stesso scopo senza gli inconvenienti.
La tensione di segnale di uscita viene riportata tramite il condensatore sul lato di RC2 opposto a quello che si collega ai diodi. Di fatto in questo modo la resistenza è sottoposta alla stessa tensione di segnale su entrambi i reofori, questo significa che ai suoi capi c'è una caduta di tensione di segnale pari a zero, quindi nessuna corrente di segnale la attraversa.
Se nessuna corrente di segnale la attraversa vuol dire che a tutti gli effetti quella resistenza appare di valore infinito al transistor pilota...quindi guadagno massimo.
-

BrunoValente
39,6k 7 11 13 - G.Master EY

- Messaggi: 7796
- Iscritto il: 8 mag 2007, 14:48
0
voti
Gentilissimi tutti nei vostri interventi, grazie davvero. Mi studierò questi argomenti al più presto. Nel frattempo ho implementato il moltiplicatore di Vbe, riuscendo a fare una regolazione davvero fine (una delle due res. è un trimmer) della corrente di riposo dei finali.
Dirò una fesseria, sarà solo un'impressione, ma mi sembra che la qualità sonora ne abbia un po' giovato rispetto al caso dei tre 1N4148.
Ogni altro intervento sull'argomento è sempre benvenuto
Dirò una fesseria, sarà solo un'impressione, ma mi sembra che la qualità sonora ne abbia un po' giovato rispetto al caso dei tre 1N4148.
Ogni altro intervento sull'argomento è sempre benvenuto
-

Federico80
30 5 - New entry

- Messaggi: 54
- Iscritto il: 16 gen 2013, 11:33
- Località: Padova
1
voti
Federico80 ha scritto:...Dirò una fesseria, sarà solo un'impressione, ma mi sembra che la qualità sonora ne abbia un po' giovato rispetto al caso dei tre 1N4148....
A me, quando cambio l'olio al motore della mia vecchia Fiat 500, pare che il motore vada meglio
-

BrunoValente
39,6k 7 11 13 - G.Master EY

- Messaggi: 7796
- Iscritto il: 8 mag 2007, 14:48
0
voti
BrunoValente ha scritto:Con il bootstrap invece si raggiunge lo stesso scopo senza gli inconvenienti.
La tensione di segnale di uscita viene riportata tramite il condensatore sul lato di RC2 opposto a quello che si collega ai diodi. Di fatto in questo modo la resistenza è sottoposta alla stessa tensione di segnale su entrambi i reofori, questo significa che ai suoi capi c'è una caduta di tensione di segnale pari a zero, quindi nessuna corrente di segnale la attraversa.
Se nessuna corrente di segnale la attraversa vuol dire che a tutti gli effetti quella resistenza appare di valore infinito al transistor pilota...quindi guadagno massimo.
Ho studiato un po' di articoli sul circuito di bootstrap, ho simulato e implementato sulla mia bread. Effettivamente il guadagno schizza su di un fattore 2 o poco più. Però in questo modo devo smorzare moltissimo l'intensità della sorgente (che si aggira attorno a un valore di 60-70 mV p.p.) introducendo un potenziomentro. Mi domandavo e lo avevi citato anche tu, come implementare una retroazione per riportare il guadagno a valori più "normali". Per uno stadio differenziale è facile... c'è il ben noto terminale "-"... ma per la topologia che sto usando invece ? come potrei procedere ?
grazie ancora.
Fede
-

Federico80
30 5 - New entry

- Messaggi: 54
- Iscritto il: 16 gen 2013, 11:33
- Località: Padova
12 messaggi
• Pagina 1 di 2 • 1, 2
Chi c’è in linea
Visitano il forum: Nessuno e 136 ospiti

Elettrotecnica e non solo (admin)
Un gatto tra gli elettroni (IsidoroKZ)
Esperienza e simulazioni (g.schgor)
Moleskine di un idraulico (RenzoDF)
Il Blog di ElectroYou (webmaster)
Idee microcontrollate (TardoFreak)
PICcoli grandi PICMicro (Paolino)
Il blog elettrico di carloc (carloc)
DirtEYblooog (dirtydeeds)
Di tutto... un po' (jordan20)
AK47 (lillo)
Esperienze elettroniche (marco438)
Telecomunicazioni musicali (clavicordo)
Automazione ed Elettronica (gustavo)
Direttive per la sicurezza (ErnestoCappelletti)
EYnfo dall'Alaska (mir)
Apriamo il quadro! (attilio)
H7-25 (asdf)
Passione Elettrica (massimob)
Elettroni a spasso (guidob)
Bloguerra (guerra)


