Sera gente,
l'altra mattina mi si è guastato il motore del montacarichi e funziona solo in un senso.
il motore credo che sia (leggendo su questo forum) un motore asincrono trifase trasformato in monofase.
ho dedotto che il problema stava nel freno motore che non stacca quando cerco di invertire il motore.
dal motore escono tre fili: bianco blu rosso.
ho fatto le seguenti prove:
ho misurato la resistenza tra le coppie (perdonatemi ma non ho segnato i risultati e il tester si è fatto benedire) e ho trovato 2 valori all'incirca uguali per due coppie (molto probabilemente tra bianco e blu e tra blu e rosso) e un valore doppio per la terza coppia (probabilmente tra bianco e rosso). avevo letto su qualche forum (forse proprio questo che ciò è normale)
tolto il rosso al quale arriva la corrente del condensatore per entrambi i sensi di marcia e avviato il motore , esso si avvia indifferentemente in un senso o nell'altro a seconda della spinta a mano che dò.
collegato con componenti diversi da quelli originali (per escludere pulsante, condensatori e fili vari direttamente alla rete (non fraintendetemi un interruttore di mezzo ce l'ho messo) mettendo il capo del condensatore sulla fase (bianco) e l'altro sul rosso, il motore si avvia come dovrebbe in un senso; spento il motore, mettendo il capo del condensatore sul neutro (blu) e lasciando sempre l'altro sul rosso) il motore ronza e si avvia in un senso o nell'altro a seconda della spinta fornitagli.
Ipotizzo ( da ignorantissimo in materia) che l'avvolgimento che dovrebbe creare il momento angolare per dare il senso (che non funziona) al motore si è fritto ma all'interno sembra essere tutto splendente come nuovo.
il motore non ha targhette forse perché è una di quelle cinesate importate...la marca del montacarichi è linea martì :) grazie a colore che mi daranno una zampa!
inversione motore montacarichi
Moderatori:
SandroCalligaro,
mario_maggi,
fpalone
7 messaggi
• Pagina 1 di 1
0
voti
0
voti
Se la marcia in un senso la prende bene, deve andare anche nell'altro . Sicuro di avere capito bene lo scopo dei tre conduttori? Non e' che stai sbagliando il collegamento sulle prove a banco?
-

Candy
32,5k 7 10 13 - CRU - Account cancellato su Richiesta utente
- Messaggi: 10123
- Iscritto il: 14 giu 2010, 22:54
0
voti
mmm il bianco è sicuramente la fase perché sullo schema (ci sono i fili numerati) arriva direttamente la linea 220.
il blu si trova in mezzo ed è il comune, perché attaccando bianco e rosso, il motore non gira.
comunque è possibilissimo che stia sbagliando e pomeriggio magari metto un video.
Ci vado ancora appresso perché se le misure ohmetriche sono "giuste" vuol dire che non c'è niente di sbagliato o sbaglio!?
il blu si trova in mezzo ed è il comune, perché attaccando bianco e rosso, il motore non gira.
comunque è possibilissimo che stia sbagliando e pomeriggio magari metto un video.
Ci vado ancora appresso perché se le misure ohmetriche sono "giuste" vuol dire che non c'è niente di sbagliato o sbaglio!?
0
voti
exosrlz ha scritto:mmm il bianco è sicuramente la fase perché sullo schema (ci sono i fili numerati) arriva direttamente la linea 220.
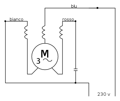
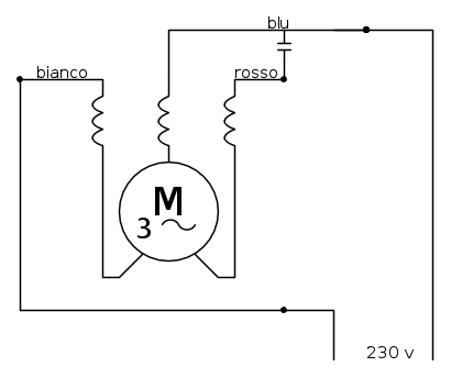
Secondo le tue informazioni lo schema del montacarichi dovrebbe essere questo:
Per individuare il filo relativo all'avvolgimento per es.di salita, devi utilizzare un tester digitale, verifica quale dei due fili ha minore resistenza rispetto al comune.
0
voti
grazie ros09 un tester mi si è svampato, non ho più modo di trovare le resistenze
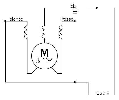
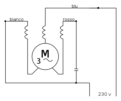
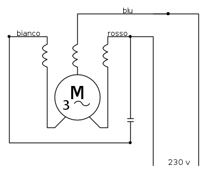
ho trovato uno schemino sullo scatolotto della morsettiera (per quanto riguarda il motore) e ho adeguato con fidocadj le prove che ho fatto.
sono abbastanza sicuro che i fili vadano collegati così perché nello schema sono indicati i nomi dei fili (z1, z2, u1,u2,1,2,3,4,5,6)
a differenza di questo disegno nello schema del motore, nel filo di mezzo (blu) non è collegata alcuna bobina.
il bianco è anche chiamato Z1, il blu U1 o Z2, il rosso U2.
In questo modo mi funziona, si avvia per bene e mi gira in senso anti orario.
in questo modo si blocca (la frizione/freno non è montata) e se gli si da una spinta a mano tende a girare pianissimo nello stesso senso di prima (antiorario)
ho trovato uno schemino sullo scatolotto della morsettiera (per quanto riguarda il motore) e ho adeguato con fidocadj le prove che ho fatto.
sono abbastanza sicuro che i fili vadano collegati così perché nello schema sono indicati i nomi dei fili (z1, z2, u1,u2,1,2,3,4,5,6)
a differenza di questo disegno nello schema del motore, nel filo di mezzo (blu) non è collegata alcuna bobina.
il bianco è anche chiamato Z1, il blu U1 o Z2, il rosso U2.
In questo modo mi funziona, si avvia per bene e mi gira in senso anti orario.
in questo modo si blocca (la frizione/freno non è montata) e se gli si da una spinta a mano tende a girare pianissimo nello stesso senso di prima (antiorario)
0
voti
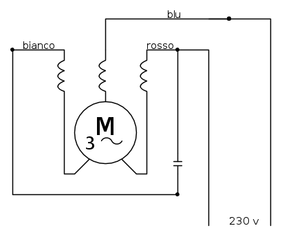
il secondo schema collegalo cosi'.. e fammi sapere.
0
voti
grazie così funziona, sono riuscito a metterlo apposto...alla fine la colpa era del pulsante!
7 messaggi
• Pagina 1 di 1
Chi c’è in linea
Visitano il forum: Nessuno e 50 ospiti

Elettrotecnica e non solo (admin)
Un gatto tra gli elettroni (IsidoroKZ)
Esperienza e simulazioni (g.schgor)
Moleskine di un idraulico (RenzoDF)
Il Blog di ElectroYou (webmaster)
Idee microcontrollate (TardoFreak)
PICcoli grandi PICMicro (Paolino)
Il blog elettrico di carloc (carloc)
DirtEYblooog (dirtydeeds)
Di tutto... un po' (jordan20)
AK47 (lillo)
Esperienze elettroniche (marco438)
Telecomunicazioni musicali (clavicordo)
Automazione ed Elettronica (gustavo)
Direttive per la sicurezza (ErnestoCappelletti)
EYnfo dall'Alaska (mir)
Apriamo il quadro! (attilio)
H7-25 (asdf)
Passione Elettrica (massimob)
Elettroni a spasso (guidob)
Bloguerra (guerra)





