Ciao,
sto preparando l' esame di elettrotecnica e sto svolgendo vari esercizi....questo postato però non mi riesce di risolverlo!
La linea introduce una dissimmetria, quindi ai capi di zn ci sarà una diff di potenziale che mi impedisce di semplificare il sistema e non so come procedere....
Non mi interessano i conti ne tantomeno la soluzione completa del sistema ma solo un input su come risolverlo
Grazie
http://i50.tinypic.com/insdoi.jpg
esercizio trifase
Moderatori:
g.schgor,
IsidoroKZ
34 messaggi
• Pagina 1 di 4 • 1, 2, 3, 4
0
voti
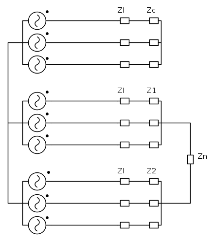
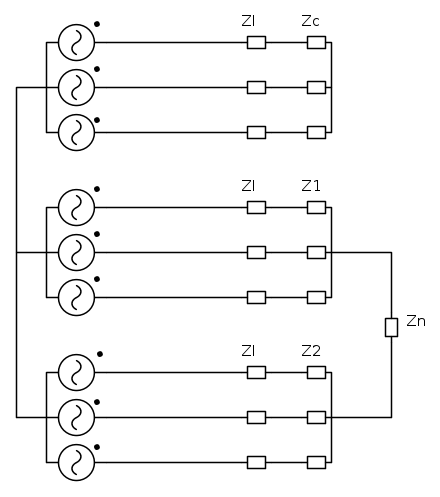
il testo è questo:
allora, io gli ho dato un'occhiata (però non ho provato niente) e proverei a fare così (spero di non dire eresie
):
scindi la terna di generatori in tre terne che alimentano i tre carichi (1,2 e il carico con i dati di targa):
a questo punto PRINCIPIO DI SOVRAPPOSIZIONE DEGLI EFFETTI!!
ti torna??? cosa ne pensi?? non l'ho fatto nemmeno io, quindi mi servirebbe
allora, io gli ho dato un'occhiata (però non ho provato niente) e proverei a fare così (spero di non dire eresie
scindi la terna di generatori in tre terne che alimentano i tre carichi (1,2 e il carico con i dati di targa):
a questo punto PRINCIPIO DI SOVRAPPOSIZIONE DEGLI EFFETTI!!
ti torna??? cosa ne pensi?? non l'ho fatto nemmeno io, quindi mi servirebbe

0
voti
Chiedo scusa per l' immagine!
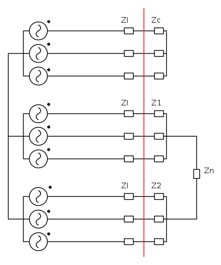
Allora,quello che è sicuro è che il carico con i dati di targa non ha peso nella soluzione nel senso che la domanda b è di facile risposta utilizzando il principio di sovrapposizione degli effetti studiando quindi il primo circuito che ha disegnato tipu91 staccando il centro stella.
Per gli altri due carichi connessi non so....si puo sdoppiare la rete come ha fatto tipu91??
Allora,quello che è sicuro è che il carico con i dati di targa non ha peso nella soluzione nel senso che la domanda b è di facile risposta utilizzando il principio di sovrapposizione degli effetti studiando quindi il primo circuito che ha disegnato tipu91 staccando il centro stella.
Per gli altri due carichi connessi non so....si puo sdoppiare la rete come ha fatto tipu91??
-

aglieglie007
8 3 - Messaggi: 38
- Iscritto il: 5 gen 2010, 20:24
0
voti
guzz ha scritto:non so perché, ma la soluzione ditipu91 mi pare un po' troppo tirata...
infatti non sono sicuro, ma è l'unico modo che mi è venuto in mente!! però il fatto che
no??
0
voti
Mi sono spiegato male....alla domanda b si rispone studiando il primo circuto disegnato e basta:rete prevalente, linea e carico....trovi le correnti e poi le potenze del solo carico
Rimangono gli altri due carichi connessi fre dk loco da zn...e qui non so....si puo sdoppiare il gruppo generatori cosi?
Rimangono gli altri due carichi connessi fre dk loco da zn...e qui non so....si puo sdoppiare il gruppo generatori cosi?
-

aglieglie007
8 3 - Messaggi: 38
- Iscritto il: 5 gen 2010, 20:24
0
voti
allora, questa mattina ho risolto il problema con il "mio" metodo, che in realtà ho visto applicare più volte sul libro di esercizi del Longo (
aglieglie007 credo sappia di che libro sto parlando
) e due volte in aula dal professore... lo svolgimento del problema dovrebbe essere corretto, ma ricco di calcoli (sicuramente meno di un ipotetico metodo matriciale) e dovrebbe essere così:
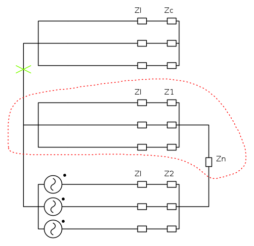
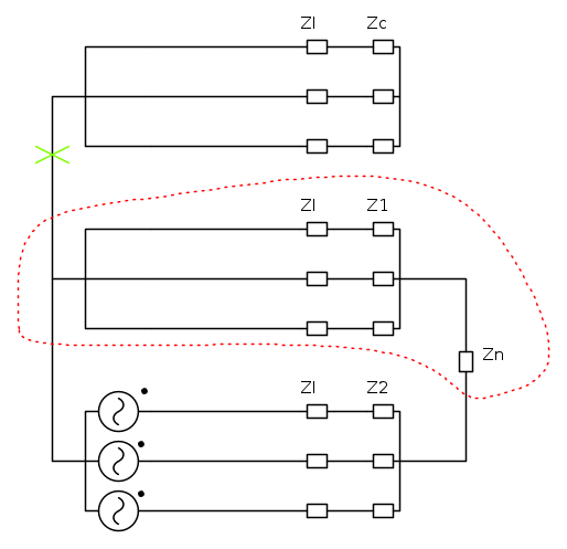
facendo riferimento allo schema che ho postato precedentemente si procede applicando 3 volte il PRINCIPIO DI SOVRAPPOSIZIONE DEGLI EFFETTI
dove il circuito con il carico B (quello con i dati di targa) rimane appeso (quindi ininfluente) tutte e due le volte che si disattiva la sua terna, e di conseguenza il sistema da studiare è una rete BINODALE (si usa Millman!!) a 4 fili:
con
l'impedenza equivalente circondata dalla linea rossa tratteggiata!!
infine le correnti nella linea sono la somma delle 3 correnti di linea trovate col P.S.E. (quelle a sinistra della riga rossa), mentre le correnti nei carichi sono quelle a destra della linea rossa.
NB. facendo i calcoli ci accorgiamo che la corrente che la terna 1 produce sul carico 2 è ininfluente (circa 0,07+j0,0.. A), quindi non si sovrappongono, perché sono talmente piccole (2-3 ordini di grandezza inferiori) che il risultato non cambierebbe significativamente)!!
Spero di essere stato chiaro!!
facendo riferimento allo schema che ho postato precedentemente si procede applicando 3 volte il PRINCIPIO DI SOVRAPPOSIZIONE DEGLI EFFETTI
dove il circuito con il carico B (quello con i dati di targa) rimane appeso (quindi ininfluente) tutte e due le volte che si disattiva la sua terna, e di conseguenza il sistema da studiare è una rete BINODALE (si usa Millman!!) a 4 fili:
con
l'impedenza equivalente circondata dalla linea rossa tratteggiata!!infine le correnti nella linea sono la somma delle 3 correnti di linea trovate col P.S.E. (quelle a sinistra della riga rossa), mentre le correnti nei carichi sono quelle a destra della linea rossa.
NB. facendo i calcoli ci accorgiamo che la corrente che la terna 1 produce sul carico 2 è ininfluente (circa 0,07+j0,0.. A), quindi non si sovrappongono, perché sono talmente piccole (2-3 ordini di grandezza inferiori) che il risultato non cambierebbe significativamente)!!
Spero di essere stato chiaro!!

0
voti
confermo: il gruppo generatori non si puo sdoppiare cosi perche c è la linea in serie....
soluzioni??
soluzioni??
-

aglieglie007
8 3 - Messaggi: 38
- Iscritto il: 5 gen 2010, 20:24
0
voti
aglieglie007 ha scritto:confermo: il gruppo generatori non si puo sdoppiare cosi perche c è la linea in serie....
soluzioni??
DAVVERO???? NOOOOOOOOOOOO
però non ho capito il motivo
34 messaggi
• Pagina 1 di 4 • 1, 2, 3, 4
Torna a Elettrotecnica generale
Chi c’è in linea
Visitano il forum: Nessuno e 85 ospiti

Elettrotecnica e non solo (admin)
Un gatto tra gli elettroni (IsidoroKZ)
Esperienza e simulazioni (g.schgor)
Moleskine di un idraulico (RenzoDF)
Il Blog di ElectroYou (webmaster)
Idee microcontrollate (TardoFreak)
PICcoli grandi PICMicro (Paolino)
Il blog elettrico di carloc (carloc)
DirtEYblooog (dirtydeeds)
Di tutto... un po' (jordan20)
AK47 (lillo)
Esperienze elettroniche (marco438)
Telecomunicazioni musicali (clavicordo)
Automazione ed Elettronica (gustavo)
Direttive per la sicurezza (ErnestoCappelletti)
EYnfo dall'Alaska (mir)
Apriamo il quadro! (attilio)
H7-25 (asdf)
Passione Elettrica (massimob)
Elettroni a spasso (guidob)
Bloguerra (guerra)






