Cos'è ElectroYou | Login Iscriviti

ElectroYou - la comunità dei professionisti del mondo elettrico

Amplificare la potenza elettrica

Circuiti, campi elettromagnetici e teoria delle linee di trasmissione e distribuzione dell’energia elettrica

Moderatori: Foto Utenteg.schgor, Foto UtenteIsidoroKZ

0
voti

[21] Re: Amplificare la potenza elettrica

Messaggioda Foto Utenteguzz » 21 feb 2013, 19:57

brunovoce ha scritto: Diciamo pure che sarà montato su più ruote in modo anche che facciano da volano a tutto il sistema e la rotazione dovrebbe scendere di poco all'aumentare degli stadi così come li avevo immaginati.

attento, perché serve energia anche per mettere e mantenere in rotazione i volani, non è che generino potenza dal nulla...

brunovoce ha scritto:Mi piace molto poi l'osservazione che anche al primo stadio potrei evitare i magneti permanenti, ma non riesco a capire come ciò possa avvenire: non serve un campo magnetico nel quale far muovere un bobina affinchè si produca un briciolo di corrente ? Senza campo magnetico iniziale come la ottieni ? Collegandoti ad una batteria per l'eccitazione iniziale e lasciando poi che la corrente ottenuta vada in parte a servire il rotore stesso ?

il campo magnetico c'è, è dovuto all'isteresi magnetica.
le bobine andranno magnetizzate prima del primo avvio, poi non servirà più...

Sparafucile ha scritto:Nel caso non stazionario e` molto facile aumentare la potenza, per esempio per compressione della energia.

scusami, Foto UtenteSparafucile, ma che vuol dire sta frase?
Almeno l'itagliano sallo...
Avatar utente
Foto Utenteguzz
6.067 3 5 7
Master EY
Master EY
 
Messaggi: 3195
Iscritto il: 8 set 2011, 19:14
Località: Possagno (TV)

0
voti

[22] Re: Amplificare la potenza elettrica

Messaggioda Foto UtenteSparafucile » 21 feb 2013, 20:04

guzz ha scritto:...
Sparafucile ha scritto:Nel caso non stazionario e` molto facile aumentare la potenza, per esempio per compressione della energia.

scusami, Foto UtenteSparafucile, ma che vuol dire sta frase?

Rispondero` dopo poco, Foto Utenteguzz.
Avatar utente
Foto UtenteSparafucile
4.361 4 8
Master EY
Master EY
 
Messaggi: 649
Iscritto il: 22 gen 2012, 19:57

0
voti

[23] Re: Amplificare la potenza elettrica

Messaggioda Foto UtentePietroBaima » 21 feb 2013, 20:26

guzz ha scritto:ma che vuol dire sta frase?


Spero che Foto UtenteSparafucile non si offenda se ti rispondo io, poi magari dopo farà delle giuste precisazioni.
Vuol dire che, per esempio, puoi caricare un condensatore lentamente, fornendo poca potenza per tanto tempo e poi puoi scaricarlo di colpo restituendola tutta in molto meno tempo. La potenza sarà diversa, l'energia ovviamente no, sempre che approssimiamo il rendimento come unitario.
Generatore codice per articoli:
nomi
Sul forum:
[pigreco]=π
[ohm]=Ω
[quadrato]=²
[cubo]=³
Avatar utente
Foto UtentePietroBaima
90,7k 7 12 13
G.Master EY
G.Master EY
 
Messaggi: 12206
Iscritto il: 12 ago 2012, 1:20
Località: Londra

0
voti

[24] Re: Amplificare la potenza elettrica

Messaggioda Foto Utenteguzz » 21 feb 2013, 20:27

ah, in quel senso... ora ho capito...
Almeno l'itagliano sallo...
Avatar utente
Foto Utenteguzz
6.067 3 5 7
Master EY
Master EY
 
Messaggi: 3195
Iscritto il: 8 set 2011, 19:14
Località: Possagno (TV)

0
voti

[25] Re: Amplificare la potenza elettrica

Messaggioda Foto Utentebrunovoce » 21 feb 2013, 21:43

Avevo postato questo mio intervento qualche ora fa, ma non lo vedo. Lo riposto, nel caso si duplichi mi perdnerete.
Mi fa molto piacere che la discussione stia continuando anche dopo che io credevo di averla chiusa.
Ero deluso perché non ero riuscito a farmi capire da nessuno (preciso che non dico mai "non hai capito", ma considero sempre colpa della mia espressione carente) e guzz mi aveva bacchettato vigorosamente dicendomi senza mezzi termini che capisco poco e niente e faccio pure l'arrogante.
La prima parte è vera, la seconda no.
Isidoro ha rimesso in gioco la discussione e, grazie alla qualità del suo modo di esprimersi, qualcun altro ha iniziato a riuscire a leggere fra le mie righe disastrate. Ne sono contento.
Per continuare nella discussione, come già ho risposto a Isidoro, in questo momento immagino che l'asse rotante abbia una forza tale da far girare anche le macine di un mulino, quindi non pernso che il rotore dell'ultimo stadio possa far decrescere la velocità di rotazione.
Diciamo che sono due problemi diversi:
- Su quello della rotazione, esclusivamente meccanico, ci sto lavorando e mi pare di essere ad un buon punto.
- Per il problema elettrotecnico mi aspetto che qualcuno mi aiuti.
Ho già comprato parecchi metri di filo di rame e magneti di varie forze attrattive (sempre modeste comunque). Se qualcuno mi potrà dare istruzioni su come realizzare le bobine e le elettrocalamite gliene sarò profondamente grato. Per istruzioni intendo numero di spire, sezione del cavo, diametro delle spire, quatità delle bobine, etc., etc.
Grazie a tutti
Bruno
Avatar utente
Foto Utentebrunovoce
0 2
 
Messaggi: 12
Iscritto il: 28 ott 2012, 9:40

0
voti

[26] Re: Amplificare la potenza elettrica

Messaggioda Foto Utenteguzz » 21 feb 2013, 21:52

brunovoce ha scritto:e guzz mi aveva bacchettato vigorosamente dicendomi senza mezzi termini che capisco poco e niente e faccio pure l'arrogante.
La prima parte è vera, la seconda no.

non è vero nemmeno che io ti ho detto che capisci poco o niente. ho detto che non vuoi capire quello che ti diciamo, dopo che te hai accusato noi di non voler capire cosa dici te. e l'ho fatto dopo che te hai praticamente detto che è impossibile che non riusciamo a capire cosa intendi (ossia ci hai dato degli idioti).

ti ho chiesto dei disegni, degli schemi o qualcosa che ci aiutasse a capire meglio, ma non ce li hai dati.
ti ho passato i link a wikipedia perché potessi documentarti sulle tecnologie attuali per capire il perché di certe cose (cosa che dubito tu abbia fatto)
ti ho detto perché certe cose non si possono fare (ma non perché l'ho deciso io, perché è così, e come diceva un mio professore la fisica non è democratica)
più di così, che dovrei fare?

sinceramente, mi sento offeso senza motivo.
Almeno l'itagliano sallo...
Avatar utente
Foto Utenteguzz
6.067 3 5 7
Master EY
Master EY
 
Messaggi: 3195
Iscritto il: 8 set 2011, 19:14
Località: Possagno (TV)

2
voti

[27] Re: Amplificare la potenza elettrica

Messaggioda Foto UtenteSparafucile » 21 feb 2013, 21:53

PietroBaima ha scritto:... Spero che Foto UtenteSparafucile non si offenda se ti rispondo io ...
Vuol dire che, per esempio, puoi caricare un condensatore lentamente, fornendo poca potenza per tanto tempo e poi puoi scaricarlo di colpo restituendola tutta in molto meno tempo. La potenza sarà diversa, l'energia ovviamente no, sempre che approssimiamo il rendimento come unitario.

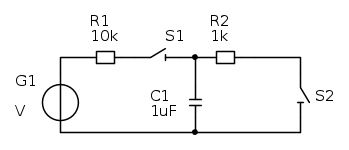
Certo, che non mi offendo, Foto UtentePietroBaima. :-) Avevo bisogno di molto tempo per scrivere e disegnare. :?

Inizialmente le due interuttori sono aperte. Nel momento t_1 chiudo S_1. Dopo un tempo di \Delta t_1=5\cdot R_1\cdot C_1=5\cdot 10^{-2}s il condensatore si è caricato completamente (quasi) ed apro S_1.
L'energia immagazzinata nel condensatore è E_i=\frac{1}{2}\cdot C_1\cdot V^{2}.
L'energia persa (trasformata in calore) nel resistore R_1 è E_p=E_i.
L'energia consumata dal generatore è E_c=E_p+E_i=2\cdot E_i.
La potenza consumata media P_{cm}=\frac{E_{c}}{\Delta t_1}= \frac{2\cdot E_i}{\Delta t_1}

Adesso chiudo S_2 e C_1 scarica via R_2 per untempo di \Delta t_2=5\cdot R_2\cdot C_1=5\cdot 10^{-3}s. Tutta l'energia, inizialmente immagazzinata in C_1, si è trasformata in calore nel resistoreR_2.
La potenza ottenuta media P_{om}=\frac{E_{i}}{\Delta t_2}.
Cosi` finalmente
\frac{P_{om}}{P_{cm}}= \frac{E_i\cdot\Delta t_1}{2\cdot E_i\cdot\Delta t_2}=\frac{5\cdot 10^{-2}}{2\cdot5\cdot 10^{-3}}=5

Abbiamo compresso l'energia nel tempo ed abbiamo aumentato la potenza media cinque volte.
Avatar utente
Foto UtenteSparafucile
4.361 4 8
Master EY
Master EY
 
Messaggi: 649
Iscritto il: 22 gen 2012, 19:57

1
voti

[28] Re: Amplificare la potenza elettrica

Messaggioda Foto UtenteIsidoroKZ » 21 feb 2013, 22:08

E la cosa curiosa e` che le due resistenze, quella da 10kΩ e quella da 1kΩ dissipano la stessa energia totale, pari a \frac{1}{2}CV^2
Per usare proficuamente un simulatore, bisogna sapere molta più elettronica di lui
Plug it in - it works better!
Il 555 sta all'elettronica come Arduino all'informatica! (entrambi loro malgrado)
Se volete risposte rispondete a tutte le mie domande
Avatar utente
Foto UtenteIsidoroKZ
121,2k 1 3 8
G.Master EY
G.Master EY
 
Messaggi: 21059
Iscritto il: 17 ott 2009, 0:00

1
voti

[29] Re: Amplificare la potenza elettrica

Messaggioda Foto UtenteIsidoroKZ » 21 feb 2013, 22:33

brunovoce ha scritto:Ho già comprato parecchi metri di filo di rame e magneti di varie forze attrattive (sempre modeste comunque).


Temo che abbia fatto una spesa avventata se vuoi fare un generatore che abbia qualche parvenza di funzionamento :(

Il progetto di un alternatore e` abbastanza complicato e per la costruzione non basta filo di rame (isolato) e magneti. Ci vuole la struttura magnetica fatta da lamierini sagomati...

Se vuoi fare una cosa che generi potenza in modo efficiente e` decisamente difficile. Avevo visto in rete (forse su youtube) la costruzione di un alternatore casalingo, ma era solo dimostrativo non serviva per produzione.

Poi c'e` il problema meccanico: per il progetto bisognerebbe sapere velocita` e coppia massima, e per quello elettrico la tensione e la potenza di uscita.
Per usare proficuamente un simulatore, bisogna sapere molta più elettronica di lui
Plug it in - it works better!
Il 555 sta all'elettronica come Arduino all'informatica! (entrambi loro malgrado)
Se volete risposte rispondete a tutte le mie domande
Avatar utente
Foto UtenteIsidoroKZ
121,2k 1 3 8
G.Master EY
G.Master EY
 
Messaggi: 21059
Iscritto il: 17 ott 2009, 0:00

1
voti

[30] Re: Amplificare la potenza elettrica

Messaggioda Foto UtenteSparafucile » 21 feb 2013, 22:34

brunovoce ha scritto:... Ho già comprato parecchi metri di filo di rame e magneti di varie forze attrattive (sempre modeste comunque). Se qualcuno mi potrà dare istruzioni su come realizzare le bobine e le elettrocalamite gliene sarò profondamente grato. Per istruzioni intendo numero di spire, sezione del cavo, diametro delle spire, quatità delle bobine, etc., etc...

Mi dispiace tanto, Foto Utentebrunovoce, io vorrei, ma non potrei aiutarti, perche`:
- non capisco in dettaglio da macchine elettriche;
- sono profondamente convinto, che le leggi fondamentali della fisica non possono essere ignorati.

Credo, che si possa utilizzare i materiali acquistati per qualcosa di utile e non perda il denaro investito! O_/
Avatar utente
Foto UtenteSparafucile
4.361 4 8
Master EY
Master EY
 
Messaggi: 649
Iscritto il: 22 gen 2012, 19:57

PrecedenteProssimo

Torna a Elettrotecnica generale

Chi c’è in linea

Visitano il forum: Nessuno e 25 ospiti