Beeper
Moderatori:
carloc,
g.schgor,
BrunoValente,
IsidoroKZ
3
voti
[51] Re: Beeper
salve, per tutti coloro che volessero costruire un beeper posto lo schema inviato da PietroBaima e modificato in modo da rispettare le mie esigenze ed avvicinarsi il più possibile allo standard di buon funzionamento per l'ambito cinofilo o venatorio. Chiunque volesse modificare il tempo di attesa o la frequenza del bip o ancora la lunghezza del suono mentre il cane è in movimento può facilmente farlo grazie alle magnifiche spiegazioni di PietroBaima nei post precedenti. Comunque per dubbi o consigli non esitate a chiedere
7
voti
[52] Re: Beeper
Ottimo,
ora il circuito dovrebbe essere perfettamente funzionante per le esigenze che deve soddisfare.
Complimenti per il tuning.
Mi permetto solo di fare qualche micromodifica allo schema, più che altro per renderlo più comprensibile e leggermente più affidabile.
Le modifiche sono:
Eccolo:
ehhh... lo so che sono un rompiglione
Pietro.
ora il circuito dovrebbe essere perfettamente funzionante per le esigenze che deve soddisfare.
Complimenti per il tuning.
Mi permetto solo di fare qualche micromodifica allo schema, più che altro per renderlo più comprensibile e leggermente più affidabile.
Le modifiche sono:
- ho aggiunto di nuovo
. Una piccola resistenza in serie all'interruttore ci andrebbe, poiché conviene non scaricare un condensatore cortocircuitandolo di colpo, perché altrimenti l'interruttore potrebbe rovinarsi, a lungo andare; - ho messo il collegamento al pin 4 di IC1 con la massa;
- ho distinto IC1 A da IC1 B;
- ho messo il simbolo
e
per i resistori e i condensatori; - ho messo alcuni puntini di connessione e alcuni ponticelli dove serviva.
Eccolo:
ehhh... lo so che sono un rompiglione
Pietro.
-

PietroBaima
90,7k 7 12 13 - G.Master EY

- Messaggi: 12206
- Iscritto il: 12 ago 2012, 1:20
- Località: Londra
1
voti
[53] Re: Beeper
Non sei un rompiglione, anzi grazie per l'utilissima correzione
La resistenza non l'ho messa poiché l'interruttore non è altro che una molla avvolta intorno ad un perno (anche se in miniatura e in confezione da condensatore te la fanno pagare 20 centesimi!) e pensavo non si rovinasse molto facilmente, meglio così che è sicuramente più protetto.
Per il collegamento del pin 4, i punti di intersezione e le unità di misura il mio fidocadj le inserisce tranquillamente, solo che in fase di pubblicazione spariscono!!!!! Alcune mi saltano all'occhio e le inserisco cambiando libreria dino a che non le digerisce la pubblicazione, altre purtroppo non le vedo! Chiedo venia quindi degli errori :)
La resistenza non l'ho messa poiché l'interruttore non è altro che una molla avvolta intorno ad un perno (anche se in miniatura e in confezione da condensatore te la fanno pagare 20 centesimi!) e pensavo non si rovinasse molto facilmente, meglio così che è sicuramente più protetto.
Per il collegamento del pin 4, i punti di intersezione e le unità di misura il mio fidocadj le inserisce tranquillamente, solo che in fase di pubblicazione spariscono!!!!! Alcune mi saltano all'occhio e le inserisco cambiando libreria dino a che non le digerisce la pubblicazione, altre purtroppo non le vedo! Chiedo venia quindi degli errori :)
0
voti
[54] Re: Beeper
Ciao a tutti vorrei realizzare pure io il beeper mica avete il PCB dello schema?? mi consigliate che interruttore usare come sensore di movimento? vi ringrazio...
0
voti
[55] Re: Beeper
carlo87 ha scritto:mi consigliate che interruttore usare come sensore di movimento?.
Quello dovresti chiederlo a
carlo87 ha scritto:Ciao a tutti vorrei realizzare pure io il beeper mica avete il PCB dello schema??
Quello potresti farlo direttamente con fidocadj e poi provare a postarlo qui, che lo controlliamo.
Ciao,
Pietro.
-

PietroBaima
90,7k 7 12 13 - G.Master EY

- Messaggi: 12206
- Iscritto il: 12 ago 2012, 1:20
- Località: Londra
0
voti
[56] Re: Beeper
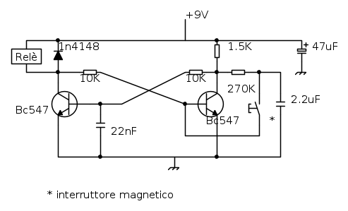
Salve, come sensore ho usato un interruttore a vibrazione trovato su ebay, non sapendo se posso o non posso postare il link ti invito ad andare su ebay e cercare "Non-direction Spring Sensor Switch Vibration Sensor". Sono sensori un po' duretti nel fare contatto, infatti se hai letto il post abbiamo dovuto cambiare il valore di alcuni componenti poiché il tempo di contatto era troppo breve per far scaricare del tutto il condensatore e ciò portava a dei falsi positivi. Per il PCB non posso aiutarti avendo io fatto tutto su basetta millefori ma posso dirti di acquistare il buzzer più grande che trovi anche a costo di sembrare eccessivo, dico questo perché una volta chiuso in un contenitore ermetico quest'ultimo limita molto l'uscita del suono. Per fare il tutto più figo e più funzionale (non devi aprire il contenitore ogni volta) ho inserito un flip flop a transistor (preso dal sito di Vittorio Crapella) azionato da interruttore magnetico di cui ti posto lo schema.
0
voti
[57] Re: Beeper
grazie dei consigli comunque c'è già nelle prime pagine il linke di quanche sensore vedo di acquistare quello, spero di riuscire a realizzare il PCB così mi viene più semplice la realizzazione.. vi ringrazio a tutti per il grandissimo aiuto dato..
4
voti
[58] Re: Beeper
carlo87 ha scritto:spero di riuscire a realizzare il PCB così mi viene più semplice la realizzazione..
Qui hai un piccolo aiuto. Ho aggiunto un condensatore al poliestere (C4) perché lo schema non riporta una capacità di bypass sull'alimentazione. In realtà non è utilissima perché il circuito non commuta a frequenze tali per cui si possano creare dei problemi, tuttavia lo spazio sul PCB c'era...
Ho riportato delle piazzole per collegare lo switch (SW), la batteria(+-) e il buzzer (BUZ).
Devi completare le piste, che non ho riportato, but it helps.
E' la prima volta che provo ad usare fidocadj per gli stampati e devo dire che non è niente male.
Con questo è tutto, ciao da Pietro.
-

PietroBaima
90,7k 7 12 13 - G.Master EY

- Messaggi: 12206
- Iscritto il: 12 ago 2012, 1:20
- Località: Londra
1
voti
[59] Re: Beeper
bebos89 ha scritto: Per fare il tutto più figo e più funzionale (non devi aprire il contenitore ogni volta) ho inserito un flip flop a transistor (preso dal sito di Vittorio Crapella) azionato da interruttore magnetico
Se devo essere sincero il circuito non mi piace un gran che, soprattutto perché continua ad assorbire potenza anche quando il beeper è spento.
Facendo così non mi aspetto una grande durata della batteria.
Se vuoi, giustamente, mettere un interruttore magnetico per non forare il contenitore, potresti usare un interruttore magnetico bistabile (un latching reed).
Questi interruttori magnetici funzionano così:
uno dei due elettrodi è leggermente premagnetizzato, ma non così tanto da far chiudere il contatto;
quando si avvicina una calamita all'interruttore esso si chiude, poi, per effetto della premagnetizzazione resta chiuso.
Per farlo riaprire è necessario avvicinare nuovamente il magnete a polarità opposta, in modo da annullare l'effetto della premagnetizzazione.
Qui hai un datasheet ad un possibile candidato allo scopo.
Qui hai un filmato illustrativo:
Pietro.
-

PietroBaima
90,7k 7 12 13 - G.Master EY

- Messaggi: 12206
- Iscritto il: 12 ago 2012, 1:20
- Località: Londra
0
voti
[60] Re: Beeper
Scusatemi se non mi sono fatto sentire per due giorni ma sono stato senza Adsl e allora mi sono messo con calma e mi sono realizzato lo schema il PCB se mi potete dare una mano a come sia venuto?? e il mio primo schema che disegno, scusatemi se ci sono errori..
'
'
Chi c’è in linea
Visitano il forum: Nessuno e 268 ospiti

Elettrotecnica e non solo (admin)
Un gatto tra gli elettroni (IsidoroKZ)
Esperienza e simulazioni (g.schgor)
Moleskine di un idraulico (RenzoDF)
Il Blog di ElectroYou (webmaster)
Idee microcontrollate (TardoFreak)
PICcoli grandi PICMicro (Paolino)
Il blog elettrico di carloc (carloc)
DirtEYblooog (dirtydeeds)
Di tutto... un po' (jordan20)
AK47 (lillo)
Esperienze elettroniche (marco438)
Telecomunicazioni musicali (clavicordo)
Automazione ed Elettronica (gustavo)
Direttive per la sicurezza (ErnestoCappelletti)
EYnfo dall'Alaska (mir)
Apriamo il quadro! (attilio)
H7-25 (asdf)
Passione Elettrica (massimob)
Elettroni a spasso (guidob)
Bloguerra (guerra)



pigreco]=π


