il circuito è già montato all'interno di un circuito piu complesso, è un macello smontarlo e cambiarlo.
ora vi mando una schema con l'altro circuito così ci chiariamo del tutto
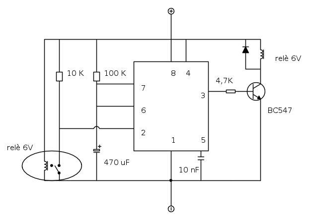
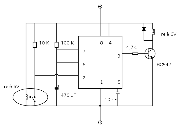
circuito per ritardo di un secondo
Moderatori:
carloc,
g.schgor,
BrunoValente,
IsidoroKZ
0
voti
questo è il timer di 40 secondi, che parte quando arriva Vcc. il relè cerchiato è quello che permette ciò.
quando arriva Vcc il pin 2 risulta collegato a massa perché il relè è a riposo;quindi subito parte il timer. allo stesso tempo si eccita la bobina del relè perché anche questa è collegata al positivo e negativo del circuito, il relè eccitandosi subito fa scollegare il pin 2 da massa, che quindi rimane collegato per un solo istante che corrisponde al tempo di commutazione del relè. se Vcc permane anche dopo i 40 secondi, il timer non riparte perché il pin 2 è tenuto scollegato damassa dal relè. quando tolgo tensione ritorna tutto alla posizione iniziale
0
voti
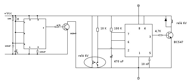
questo invece è quello che vorrei che facesse il primo circuito; cioè ritardare di un po' l'arrivo della tensione al secondo circuito
0
voti
Il "ritardo" è dato solo dall'intervento del relè
(non dal primo 555)
Il trigger (segnale a 0V) al secondo 555 deve
essere dato alla fine della temporizzazione
del primo.
(non dal primo 555)
Il trigger (segnale a 0V) al secondo 555 deve
essere dato alla fine della temporizzazione
del primo.
0
voti
scusami, lo schema che hai postato tu, fa quel che ho capito io? ovvero appena si da tensione, passa un secondo e poi si attiva l'interruttore interno e arriva tensione al pin 3? perché a me è solo questo che mi serve, un circuito che dopo un secondo da quando arriva Vcc, manda in conduzione un transistor oppure eccita un relè. relè che deve rimanere eccitato finché il circuito è alimentato
0
voti
Ripeto: un 555 in configurazione monostabile si attiva
quando riceve sul pin2 un breve impulso a 0V
(normalmente questo pin deve essere a +Vcc)-
Per questo tra il primo ed il secondo 555 non occorrono
né transistor né relè, basta la configurazione a
condensatore e resistenze del post[12]
quando riceve sul pin2 un breve impulso a 0V
(normalmente questo pin deve essere a +Vcc)-
Per questo tra il primo ed il secondo 555 non occorrono
né transistor né relè, basta la configurazione a
condensatore e resistenze del post[12]
Chi c’è in linea
Visitano il forum: Nessuno e 220 ospiti

Elettrotecnica e non solo (admin)
Un gatto tra gli elettroni (IsidoroKZ)
Esperienza e simulazioni (g.schgor)
Moleskine di un idraulico (RenzoDF)
Il Blog di ElectroYou (webmaster)
Idee microcontrollate (TardoFreak)
PICcoli grandi PICMicro (Paolino)
Il blog elettrico di carloc (carloc)
DirtEYblooog (dirtydeeds)
Di tutto... un po' (jordan20)
AK47 (lillo)
Esperienze elettroniche (marco438)
Telecomunicazioni musicali (clavicordo)
Automazione ed Elettronica (gustavo)
Direttive per la sicurezza (ErnestoCappelletti)
EYnfo dall'Alaska (mir)
Apriamo il quadro! (attilio)
H7-25 (asdf)
Passione Elettrica (massimob)
Elettroni a spasso (guidob)
Bloguerra (guerra)





