Cos'è ElectroYou | Login Iscriviti

ElectroYou - la comunità dei professionisti del mondo elettrico

Ordine di un circuito e frequenze naturali

Circuiti, campi elettromagnetici e teoria delle linee di trasmissione e distribuzione dell’energia elettrica

Moderatori: Foto Utenteg.schgor, Foto UtenteIsidoroKZ

0
voti

[1] Ordine di un circuito e frequenze naturali

Messaggioda Foto Utentefuretto » 15 feb 2013, 18:39

Ciao a tutti,

ho un dubbio sulla definizione di ordine di un ciruito e quindi sul calcolo delle frequenze naturali..io so che il numero di frequenze naturali diverse da zero è pari al numero di elementi reattivi meno il numero di nodi formati da elementi induttivi e il numero di maglie costituite da condensatori, mentre il numero di frequenze naturali uguali a zero è pari al numero delle maglie formate da induttori più il numero degli insiemi di taglio
formati da condensatori.
Mi è tutto chiaro tranne la parte che riguarda le freq. naturali uguali a zero per il numero di insiemi di taglio formati da condensatori.
Se prendo una maglia costituita da solo induttori con Kirchhoff riesco a capire che la corrente è costante, quindi la derivata è nulla.
Ma se ho un nodo al quale sono collegati tre o più condensatori?

Grazie. O_/
Avatar utente
Foto Utentefuretto
10 2
 
Messaggi: 46
Iscritto il: 18 gen 2013, 19:08

0
voti

[2] Re: Ordine di un circuito e frequenze naturali

Messaggioda Foto Utentefuretto » 22 feb 2013, 14:00

Ciao a tutti, nessuno riesce a dirmi qualcosa al riguardo dell'ordine di un circuito e delle frequenze naturali nulle? O_/
Avatar utente
Foto Utentefuretto
10 2
 
Messaggi: 46
Iscritto il: 18 gen 2013, 19:08

0
voti

[3] Re: Ordine di un circuito e frequenze naturali

Messaggioda Foto Utentefuretto » 22 feb 2013, 17:57

perché un insieme di taglio formato da soli condensatori genera frequenze naturali nulle?
Avatar utente
Foto Utentefuretto
10 2
 
Messaggi: 46
Iscritto il: 18 gen 2013, 19:08

0
voti

[4] Re: Ordine di un circuito e frequenze naturali

Messaggioda Foto Utentejordan20 » 22 feb 2013, 17:59

Se hai ancora un altro po' di pazienza ti sto rispondendo :ok:
"Lo scienziato descrive ciò che esiste, l'ingegnere crea ciò che non era mai stato."
(T. von Kármán)
Avatar utente
Foto Utentejordan20
13,0k 5 11 13
G.Master EY
G.Master EY
 
Messaggi: 1550
Iscritto il: 13 lug 2011, 12:55
Località: Palermo

0
voti

[5] Re: Ordine di un circuito e frequenze naturali

Messaggioda Foto Utentefuretto » 22 feb 2013, 18:06

Foto Utentejordan20 grazie. La mia idea è questa: ho un nodo con tre o più lati costituiti da soli condensatori, per esempio questi mi costituiscono un ipotetico insieme di taglio, come faccio a dimostrare che queste mi costituiscono una frequenza naturale nulla?Per una maglia di induttori ho capito come fare.
Avatar utente
Foto Utentefuretto
10 2
 
Messaggi: 46
Iscritto il: 18 gen 2013, 19:08

0
voti

[6] Re: Ordine di un circuito e frequenze naturali

Messaggioda Foto Utentejordan20 » 22 feb 2013, 18:09

arrivo...
"Lo scienziato descrive ciò che esiste, l'ingegnere crea ciò che non era mai stato."
(T. von Kármán)
Avatar utente
Foto Utentejordan20
13,0k 5 11 13
G.Master EY
G.Master EY
 
Messaggi: 1550
Iscritto il: 13 lug 2011, 12:55
Località: Palermo

0
voti

[7] Re: Ordine di un circuito e frequenze naturali

Messaggioda Foto Utentefuretto » 22 feb 2013, 18:26

ok Foto Utentejordan20 sto aspettando grazie.
Avatar utente
Foto Utentefuretto
10 2
 
Messaggi: 46
Iscritto il: 18 gen 2013, 19:08

8
voti

[8] Re: Ordine di un circuito e frequenze naturali

Messaggioda Foto Utentejordan20 » 22 feb 2013, 18:31

Allora Foto Utentefuretto mettiamo un po' di ordine (a proposito di ordine del circuito :mrgreen: ).
Sicuramente avrai studiato che:

la risposta di un circuito dinamico lineare è la sovrapposizione degli effetti delle singole condizioni iniziali e dei singoli ingressi.

Quindi è come se il circuito fosse sollecitato da due insieme di ingressi:
1) quello delle condizioni iniziali;
2) quello degli ingressi (le sollecitazioni di tensione o di corrente indipendenti).

In base a questa distinzione, possiamo riformulare la definizione data all'inizio:

la risposta completa di un circuito dinamico è data dalla sovrapposizione di una risposta libera e di una risposta forzata.

In particolare:
- la risposta libera coincide con la risposta del circuito quando tutte le sorgenti, sollecitazioni, forzanti, generatori indipendenti di tensione e corrente che dir si voglia sono spenti, cioè siamo in assenza di ingressi;
- la risposta forzata coincide invece con la risposta del circuito quando le condizioni iniziali sono TUTTE nulle.

Per parlare di frequenze naturali ci dobbiamo riferire alla risposta libera.
Questo per dire che la trasformata di Laplace di una risposta libera (in tensione o corrente) è una funzione razionale reale i cui poli NON dipendono dalle condizioni iniziali; questi poli sono esattamente le frequenze naturali del sistema. Questa è la definizione generale relativa ad un sistema.

Se il sistema è proprio un circuito lineare, allora le frequenze naturali coincidono con gli zeri del determinante del sistema di equazioni che otteniamo applicando l'analisi nodale (queste sono definizioni che puoi trovare certamente nel tuo libro di elettrotecnica).

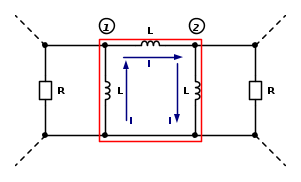
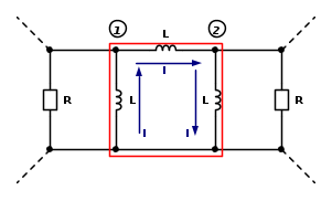
Passiamo al caso della frequenza naturale nulla: questa si presenta laddove ci sia un andamento costante diverso da zero per una qualche grandezza elettrica in gioco nel circuito considerato. E i casi sono DUE:
1) presenza di una maglia di induttori:



Succede che negli induttori può circolare una corrente costante e conseguentemente si avrà una tensione nulla rispettivamente ai loro capi, ricordando che la caratteristica tensione-corrente del bipolo induttore è data dalla relazione:

v=L\frac{\mathrm{d} i}{\mathrm{d} t}

Da ciò segue che anche le correnti nei resistori sono nulle, quindi le correnti che fluiscono nei tre induttori sono identiche.

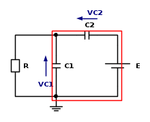
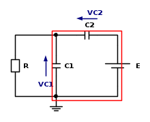
2) presenza di un taglio di condensatori:



Il taglio (non quello procurato con la lametta da barba :-P ) altro non è che una linea (immaginaria) chiusa che taglia, intercetta, "seca" (come disse un mio collega di università rimandato all'esame di elettrotecnica :-P ) solo condensatori. Dualmente al caso della corrente negli induttori, qui possiamo avere una tensione costante ai capi dei tre condensatori sicché ricordando che:

i=C\frac{\mathrm{d} v}{\mathrm{d} t}

si avrebbero tre correnti nulle, quindi correnti altrettanto nulle nei resistori e tensioni identiche ai capi dei condensatori.

Per cui, se per esempio assumo R = 3 ohm ed L = 1 henry per la prima rete, ed applico l'analisi nodale (si potrebbe pervenire al sistema anche solo per ispezioni visiva) al circuito simbolico trasformato nel dominio di Laplace (con condizioni iniziali tutte nulle) ottengo il seguente sistema:

\begin{bmatrix}
\frac{2}{s}+\frac{1}{3} & -\frac{1}{s} \\ 
-\frac{1}{s} & \frac{2}{s}+\frac{1}{3}
\end{bmatrix}\cdot \begin{bmatrix}
V_{1}\\ 
V_{2}
\end{bmatrix}=\begin{bmatrix}
0\\ 
0
\end{bmatrix}

Calcolando il determinante di quella matrice 2 x 2 ed eguagliando a zero ottengo:

s^{2}+12s+27=0

avente radici reali e distinte s=-3 ed s=-9. Solo due radici in presenza di tre induttori? No, perché il circuito possiede anche la frequenza naturale s=0 dovuta alle correnti negli induttori o comunque alla presenza di questa maglia.
Prova a fare tu la stessa cosa per la seconda rete supponendo C = 1 farad ed R = 1 ohm. :ok:

Chiarito questo, discorso diverso si presenta quando si deve determinare l'ordine di un circuito.
Si è visto effettivamente che il numero delle frequenze naturali del circuito visto in precedenza è pari al numero di elementi dinamici (induttori e vedrai anche condensatori); quindi possiamo anche dire che il numero delle frequenze naturali è pari al numero di condizioni iniziali indipendenti che possono essere assegnate al circuito, ovvero alla molteplicità del polinomio caratteristico che ottieni dal sistema, ovvero ancora all'ordine di complessità del circuito.
Visto che hai capito come si fa per la maglia di induttori, consideriamo una maglia di condensatori: in base a quanto appena detto, le leggi di Kirchhoff non possono essere violate, nel senso che in tal caso non possiamo scegliere arbitrariamente tre condizioni iniziali per i condensatori, ma solo due perché la terza condizione ce la dà la stessa LKT.
Ora, il numero di frequenze naturali, ovvero l'ordine di un circuito dinamico passivo è dato da:

n=n_{D}-n_{C}-n_{L}

dove:

nD è il numero di condensatori e/o induttori;
nc è il numero di maglie di condensatori e/o generatori indipendenti di tensione;
nL è il numero di linee chiuse che tagliano solo induttori e/o generatori indipendenti di corrente.

Ad esempio, hai questa rete:



Se applico una LKT alla maglia tratteggiata ottengo:

v_{C2}+E-v_{C1}=0

Secondo te posso assegnare arbitrariamente le tensioni sui condensatori? NO, perché violerei l'equazione appena scritta! Allora nonostante abbia due componenti passivi, il circuito deve essere necessariamente del primo ordine; verifichiamolo. Con una LKC all'unico nodo della rete ottengo:

\frac{v_{C1}}{R}+C_{1}\frac{\mathrm{d} v_{C1}}{\mathrm{d} t}+C_{2}\frac{\mathrm{d} v_{C2}}{\mathrm{d} t}=0

Se adesso metti a sistema questa LKC con la precedente LKT (lascio a te sviluppare i passaggi) ottieni:

\frac{v_{C1}}{R}+(C_{1}+C_{2})\frac{v_{C1}}{R}=0

che come vedi è un'equazione differenziale del primo ordine nell'incognita v_{C1}.
Quindi è il circuito stesso che ti sta "dicendo": non posso violare Kirchhoff per cui sono del primo ordine!
perché il circuito ha sempre ragione (come ben sa Foto UtenteRenzoDF :-P ).

Quando la rete è relativamente semplice come questa, puoi applicare quella regola che ho scritto sopra ispezionando visivamente: hai due condensatori, quindi nD = 2. Hai una maglia formata da condensatori e un GIT quindi nC = 1 quindi 2 -1 = n = 1, primo ordine. :ok:
"Lo scienziato descrive ciò che esiste, l'ingegnere crea ciò che non era mai stato."
(T. von Kármán)
Avatar utente
Foto Utentejordan20
13,0k 5 11 13
G.Master EY
G.Master EY
 
Messaggi: 1550
Iscritto il: 13 lug 2011, 12:55
Località: Palermo

1
voti

[9] Re: Ordine di un circuito e frequenze naturali

Messaggioda Foto Utentefuretto » 22 feb 2013, 18:37

una sola parola: SPETTACOLO!
Avatar utente
Foto Utentefuretto
10 2
 
Messaggi: 46
Iscritto il: 18 gen 2013, 19:08

0
voti

[10] Re: Ordine di un circuito e frequenze naturali

Messaggioda Foto Utentejordan20 » 22 feb 2013, 18:40

Spero di averti chiarito un po' le idee innanzitutto :ok: Ho dovuto ripescare un po' di nozioni (con piacere) di elettrotecnica e sistemi... Comunque se hai un testo di riferimento, questo DEVE riportare queste nozioni che puoi comunque reperire sempre in rete :ok:
"Lo scienziato descrive ciò che esiste, l'ingegnere crea ciò che non era mai stato."
(T. von Kármán)
Avatar utente
Foto Utentejordan20
13,0k 5 11 13
G.Master EY
G.Master EY
 
Messaggi: 1550
Iscritto il: 13 lug 2011, 12:55
Località: Palermo

Prossimo

Torna a Elettrotecnica generale

Chi c’è in linea

Visitano il forum: Nessuno e 26 ospiti