Cos'è ElectroYou | Login Iscriviti

ElectroYou - la comunità dei professionisti del mondo elettrico

Realizzazione circuito controllo contatto

Elettronica lineare e digitale: didattica ed applicazioni

Moderatori: Foto Utentecarloc, Foto Utenteg.schgor, Foto UtenteBrunoValente, Foto UtenteIsidoroKZ

0
voti

[1] Realizzazione circuito controllo contatto

Messaggioda Foto Utenteand87tn » 22 feb 2013, 14:41

Innanzitutto buongiorno a tutti, sono nuovo del forum, e dopo aver letto svariate discussioni ho deciso di iscrivermi!! Io sono diplomato e lavoro nel settore elettrotecnica, ed infatti ho aperto questa discussione perché avrei bisogno di un circuitino semplice semplice, almeno credo, ma di elettronica capisco ben poco... Spero che qualcuno di voi mi possa aiutare...!
Arriviamo al dunque: vorrei realizzare un circuito che mi permetta di comandare un contatto NA al cambiare di stato di un segnale in ingresso che passa da 0 a 12 Vcc. In pratica vorrei un circuito che quando il segnale in ingresso passa da 0 a 12V o viceversa mi chiuda un contatto pulito NA per un tempo impostabile da (indicativamente) 5 a 60 secondi... Il circuito dovrebbe venir alimentato a 12Vcc e il segnale prelevato in ingresso (quello che oscilla tra 0 e 12V per capirci) dovrebbe essere isolato dal circuito, insomma, con questo segnale non posso alimentare una bobina di un relè o roba simile... deve rimanere "inalterato", quindi CREDO ci sia bisogno di un fotoaccoppiatore (probabilmente ho detto un'eresia...).
Beh, grazie anticipatamente a chiunque possa in qualche modo aiutarmi!! O_/

Andrea.
Avatar utente
Foto Utenteand87tn
10 2
 
Messaggi: 25
Iscritto il: 21 feb 2013, 12:00

0
voti

[2] Re: Realizzazione circuito controllo contatto

Messaggioda Foto UtenteCandy » 22 feb 2013, 15:51

Il segnale da controllare che corrente puo' fornire? Occorre l'isolamento galvanico? Tu vorresti comandare una uscita a tempo triggerando entrambi i fonti del segnale? Da dove proviene il segnale? Che tipo di legge descrive il cambio di stato? Onda quadra? Con o senza rimbalzi?
Avatar utente
Foto UtenteCandy
32,5k 7 10 13
CRU - Account cancellato su Richiesta utente
 
Messaggi: 10123
Iscritto il: 14 giu 2010, 22:54

0
voti

[3] Re: Realizzazione circuito controllo contatto

Messaggioda Foto Utenteand87tn » 22 feb 2013, 16:01

Allora, il segnale da controllare necessita di isolamento galvanico. L'uscita da comandare deve rimanere chiusa (parlando del contatto) per il tempo impostato su entrambi i cambi di fronte del segnale, sia 0->12V che 12->0V. Il segnale proviene da unacentralina antifurto, ma non so dirti esattamente che origine abbiano quei 12Vcc... Riguardo al tipo di legge che descrive il cambio di stato...non so cosa sia... :oops: inda quadra non credo, è un 0-12V che però impiega circa 1 secondo a variare, passando per tutti i valori intermedi... I rimbalzi cosa sono?? Grazie!!
Avatar utente
Foto Utenteand87tn
10 2
 
Messaggi: 25
Iscritto il: 21 feb 2013, 12:00

0
voti

[4] Re: Realizzazione circuito controllo contatto

Messaggioda Foto Utentemrc » 22 feb 2013, 16:30

Ciao.

and87tn ha scritto:..I rimbalzi cosa sono??

Quando un interruttore viene chiuso o aperto non passa mai "istantaneamente" da uno stato all' altro ma impiega sempre qualche milli secondo.
Questo comportamento produce i cosiddetti "rimbalzi" sul segnale risultante.

Ho riportato nel seguente disegno un paio di esempi di quanto detto:


Il segnale denominato "A" rappresenta la commutazione "pulita" di un segnale, in "B" e "C" ho rappresentato lo stesso segnale però con la presenza di rimbalzi.
Avatar utente
Foto Utentemrc
10,5k 6 11 13
Expert EY
Expert EY
 
Messaggi: 4023
Iscritto il: 16 apr 2009, 9:32

0
voti

[5] Re: Realizzazione circuito controllo contatto

Messaggioda Foto Utenteand87tn » 23 feb 2013, 10:12

Grazie per il chiarimento mrc!Ora che ho capito cosa sono però non saprei se ci sono o no... come faccio averificarlo? Quasi sicuramente non è una commutazione pulita, vedi tuo esempio A, però non so se è simile a B o C... come si verifica? è così importante ai fini del circuito? Oh, scusate ma in elettronica non ci capisco una mazza....
Avatar utente
Foto Utenteand87tn
10 2
 
Messaggi: 25
Iscritto il: 21 feb 2013, 12:00

2
voti

[6] Re: Realizzazione circuito controllo contatto

Messaggioda Foto Utenteg.schgor » 23 feb 2013, 16:52

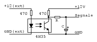
Ecco il primo passo: un optoisolatore che
fornisce un segnale isolato e filtrato al circuito
che piloterà il relè.

Per quanto riguarda il relè, dovresti specificare per quanto tempo
deve rimanere attirato in corrispondenza di ciascun fronte d'onda.
Avatar utente
Foto Utenteg.schgor
57,8k 9 12 13
G.Master EY
G.Master EY
 
Messaggi: 16971
Iscritto il: 25 ott 2005, 9:58
Località: MILANO

2
voti

[7] Re: Realizzazione circuito controllo contatto

Messaggioda Foto UtenteCandy » 24 feb 2013, 18:16

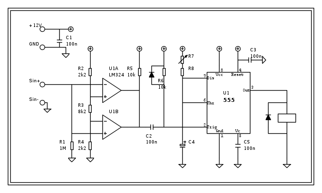
Visto il particolare tipo di segnale in uscita, ti invitoad evitare l'optoisolatore, ma piuttosto mettere in atto un circuito simile:


Le sogle di sensibilità dei trigger si possono regolare toccando il partitore da R2 ad R4, mentre per tempi non troppo elevati, dimensionando la rete R7, R8 e C4.
Avatar utente
Foto UtenteCandy
32,5k 7 10 13
CRU - Account cancellato su Richiesta utente
 
Messaggi: 10123
Iscritto il: 14 giu 2010, 22:54

0
voti

[8] Re: Realizzazione circuito controllo contatto

Messaggioda Foto Utenteand87tn » 26 feb 2013, 15:26

Ok, grazie ad entrambi per i suggerimenti. Ora, seguendo lo schema indicatomi da Candy, riguardo a "Le soglie di sensibilità dei trigger si possono regolare toccando il partitore da R2 ad R4" mi potete dare un aiutino? Intendo se vario i valori di resistenza aumentandoli o diminuendoli che effetti ottengo? è una cosa che posso determinare solo provando? C'è un limite minimo del valore di resistenza da rispettare al fine di non compromettere gli LM324?
Passando poi alla parte successiva, dove mi dite "per tempi non troppo elevati, dimensionando la rete R7, R8 e C4", volendo avere dei tempi di circa 60 secondi che valori di R7, R8 e C4 devo impostare?
Grazie di nuovo e scusate la mia ignoranza in materia...!
Avatar utente
Foto Utenteand87tn
10 2
 
Messaggi: 25
Iscritto il: 21 feb 2013, 12:00

3
voti

[9] Re: Realizzazione circuito controllo contatto

Messaggioda Foto UtenteCandy » 26 feb 2013, 23:51

1) Per le due soglie: per poter dimensionare le resistenze bisogna comprenedre il funzionamento del circuito, dei due comparatori di soglia e di come vanno a triggerare il timer. I due integrati per ora sono disposti e collegati in modo che uno triggeri il timer quandi la tensione di riferimento supera 10 V circa, mentre il secondo triggera il timer quando la tensione di riferimento scende sotto 2 V circa. Esiste una finestra di circa 8 V, (da vedersi nel tempo), dove il condensatore C2 ha il tempo di scaricarsi ed accettare futuri nuovi trigger. Io non so se queste due soglie di tensione scelte possono andare bene, ma il circuito rispetta le richieste unicamente se resta una ampia finetra di tensione tra i due trigger.

2) Il tempo di eccitazione del reelè d'uscita si stima in: t=1,1RC dove per R vale per la somma di R8 ed R7, mentre per C vale la capacità di C4. R non può essere nulla, infatti ho messo la R8 fissa, che dovrà avere valore minimo di circa 1k. Il resto lo si calcola.
Avatar utente
Foto UtenteCandy
32,5k 7 10 13
CRU - Account cancellato su Richiesta utente
 
Messaggi: 10123
Iscritto il: 14 giu 2010, 22:54

0
voti

[10] Re: Realizzazione circuito controllo contatto

Messaggioda Foto Utenteand87tn » 28 feb 2013, 11:28

Ho dato un occhiata al circuito e fatto due conti... In teoria per avere un tempo di circa 55s devo impostare i componenti così...
Immagine
è corretto? anche le connessioni così van bene? In serata provo a realizzarlo su breadboard e vedo se funziona...! Grazie!! :ok:
Avatar utente
Foto Utenteand87tn
10 2
 
Messaggi: 25
Iscritto il: 21 feb 2013, 12:00

Prossimo

Torna a Elettronica generale

Chi c’è in linea

Visitano il forum: Google Adsense [Bot] e 87 ospiti