Ciao a tutti sono nuovo di questo forum.
Avrei bisogno di un aiuto; dovrei costruire una sorta di pulsantiera tipo quiz ma molto semplice. Deve avere circa 30 pulsanti corispondenti ognuno alla propria luce. In altri termini dopo aver fatto la domanda chi conosce la risposta preme il pulsante e la luce corrispondente al "concorrente" si accende, e gli altri non possono prenotarsi.
Vorrei che i pulsanti siano staccati dalle luci quindi senza stendere fili, utilizzando o il wireles o l'infrarosso (tipo i telecomandi per i cancelli), a cui ogni pulsante sia collegato a una sola lampadina.
Grazie e spero in un vostro aiuto.....
pulsantiera
Moderatori:
carloc,
g.schgor,
BrunoValente,
IsidoroKZ
48 messaggi
• Pagina 1 di 5 • 1, 2, 3, 4, 5
1
voti
[2] Re: pulsantiera

"Non farei mai parte di un club che accettasse la mia iscrizione" (G. Marx)
-

claudiocedrone
21,3k 4 7 9 - Master EY

- Messaggi: 15302
- Iscritto il: 18 gen 2012, 13:36
0
voti
[3] Re: pulsantiera
Vorrei evitare il metodo dell'alzata di mano, può creare confusione 
edit Guerra: ho cancellato la seconda risposta che integrava la citazione. E' corretta la prima senza citazione.
edit Guerra: ho cancellato la seconda risposta che integrava la citazione. E' corretta la prima senza citazione.
0
voti
[4] Re: pulsantiera
La tua richiesta è un po' troppo generica e le possibili soluzioni non hanno nulla di semplice; specifica meglio cosa ti serve, se la trasmissione deve avvenire all'interno dello stesso locale etc.; quello che chiedi è un circuito con discriminazione di priorità a ben 30 indirizzi e teletrasmesso...


"Non farei mai parte di un club che accettasse la mia iscrizione" (G. Marx)
-

claudiocedrone
21,3k 4 7 9 - Master EY

- Messaggi: 15302
- Iscritto il: 18 gen 2012, 13:36
0
voti
[5] Re: pulsantiera
Questi pulsanti li dovrebbe usare un prof, che fa le domande e chi sa la risposta si prenota. Intendo implementare la tecnologia senza fili per evitare di riempire la classe di fili e quindi evitare qualche brutto scherzetto. Quindi la trasmissione avviene nella sola aula.
Spero di essere stato chiaro, grazie
Spero di essere stato chiaro, grazie
1
voti
[6] Re: pulsantiera
Circuito costoso.
Dunque, si potrebbe fare così:
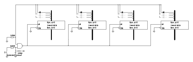
In questo schema faccio uso di 4 circuiti integrati tipo 74HCT573, di cui qui trovi il datasheet.
Essi sono dei registri, ognuno di loro ad 8 bit (quindi dell'ultimo non userai 2 ingressi e due uscite).
Gli ingressi non utilizzati devono essere collegati o a massa o all'alimentazione.
Il circuito funziona così:
Quello che devi fare è procurarti 30 moduli telecomando (si trovano già pronti, cerca per esempio aurelwireless o futura elettronica, ma anche su ebay). Assicurati che, a tasto premuto, l'uscita del ricevitore vada ad uno e non a zero.
I telecomandi possono essere o wireless oppure infrarossi. Dovresti trovare abbastanza facilmente entrambi.
All'uscita dei registri potrai collegare dei transistor con i quali far scattare dei relè oppure accendere dei led ad alta luminosità.
Con questo è tutto.
Ciao da Pietro.
Dunque, si potrebbe fare così:
In questo schema faccio uso di 4 circuiti integrati tipo 74HCT573, di cui qui trovi il datasheet.
Essi sono dei registri, ognuno di loro ad 8 bit (quindi dell'ultimo non userai 2 ingressi e due uscite).
Gli ingressi non utilizzati devono essere collegati o a massa o all'alimentazione.
Il circuito funziona così:
- All'accensione il condensatore è scarico e l'uscita della NAND va ad 1;
- viene quindi portato ad 1 l'ingresso LE di ognuno dei 4 registri, che quindi si comportano in modo trasparente, il bit presente all'ingresso Dx viene riportato sull'uscita Qx;
- all'accensione nessun giocatore ha il tasto di prenotazione premuto, pertanto tutti gli ingressi sono a zero e quindi le uscite, che ricopiano gli ingressi, vanno tutte a zero;
- nessuno dei diodi collegati alle uscite può condurre (ognuno di loro ha l'anodo connesso ad una uscita, mentre i catodi sono connessi tutti insieme);
- l'ingresso della NAND collegato ai diodi è quindi a zero logico e la sua uscita è pertanto ad uno;
- in definitiva l'ingresso LE resta ad uno.
- Quando un qualunque giocatore (il più veloce di tutti) preme il proprio tasto porterà l'uscita del suo registro ad uno, il diodo condurrà e l'uscita della NAND andrà a zero logico;
- in questo modo l'ingresso LE di tutti i registri andrà a zero. I registri andranno in latch "congelando" tutte le uscite;
- se, adesso, gli altri giocatori, più lenti, premeranno i loro tasti non succederà nulla perché i registri saranno in latch. In pratica il giocatore più rapido di tutti porrà la sua uscita ad uno congelando tutte le altre.
- Premendo il tasto PUSHBUT si opererà un reset poiché si riporterà LE a uno e il sistema si preparerà per un'altra gara.
Quello che devi fare è procurarti 30 moduli telecomando (si trovano già pronti, cerca per esempio aurelwireless o futura elettronica, ma anche su ebay). Assicurati che, a tasto premuto, l'uscita del ricevitore vada ad uno e non a zero.
I telecomandi possono essere o wireless oppure infrarossi. Dovresti trovare abbastanza facilmente entrambi.
All'uscita dei registri potrai collegare dei transistor con i quali far scattare dei relè oppure accendere dei led ad alta luminosità.
Con questo è tutto.
Ciao da Pietro.
-

PietroBaima
90,7k 7 12 13 - G.Master EY

- Messaggi: 12206
- Iscritto il: 12 ago 2012, 1:20
- Località: Londra
0
voti
[7] Re: pulsantiera
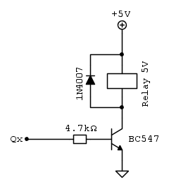
Nel caso tu abbia bisogno di sapere come fare per far scattare un relè attraverso l'uscita del registro, ti riporto il relativo schema.
-

PietroBaima
90,7k 7 12 13 - G.Master EY

- Messaggi: 12206
- Iscritto il: 12 ago 2012, 1:20
- Località: Londra
0
voti
[8] Re: pulsantiera
Io farei così
"La follia sta nel fare sempre la stessa cosa aspettandosi risultati diversi".
"Parla soltanto quando sei sicuro che quello che dirai è più bello del silenzio".
Rispondere è cortesia, ma lasciare l'ultima parola ai cretini è arte.
"Parla soltanto quando sei sicuro che quello che dirai è più bello del silenzio".
Rispondere è cortesia, ma lasciare l'ultima parola ai cretini è arte.
-

TardoFreak
73,9k 8 12 13 - -EY Legend-

- Messaggi: 15754
- Iscritto il: 16 dic 2009, 11:10
- Località: Torino - 3° pianeta del Sistema Solare
0
voti
[9] Re: pulsantiera
Sono circa 4.5mA, per far saturare il BJT. La R da 1kOhm non è un po' bassa?
perché preferisci il BC337 invece del BC547?
Il partitore lo inserisci perché hai paura di problemi di EMC?
perché preferisci il BC337 invece del BC547?
Il partitore lo inserisci perché hai paura di problemi di EMC?
-

PietroBaima
90,7k 7 12 13 - G.Master EY

- Messaggi: 12206
- Iscritto il: 12 ago 2012, 1:20
- Località: Londra
0
voti
[10] Re: pulsantiera
Il BC337 sopporta una corrente di collettore di 500 mA, la resistenza fra la base e la massa serve per evitare che, in caso di un qualsiasi malfunzionamento (es: bruciatura dell' integrato, falso contatto fra pin dell' integrato e zoccolo ...) la base non rimanga flottante. Inoltre non carica l' ingresso perché la tensione ai suoi capi non sarà mai superiore alla Vbe. La resistenza da 1K, nel caso peggiore, garantisce la saturazione con una corrente di collettore superiore a 200mA.
Uso un approccio conservativo.
Uso un approccio conservativo.
"La follia sta nel fare sempre la stessa cosa aspettandosi risultati diversi".
"Parla soltanto quando sei sicuro che quello che dirai è più bello del silenzio".
Rispondere è cortesia, ma lasciare l'ultima parola ai cretini è arte.
"Parla soltanto quando sei sicuro che quello che dirai è più bello del silenzio".
Rispondere è cortesia, ma lasciare l'ultima parola ai cretini è arte.
-

TardoFreak
73,9k 8 12 13 - -EY Legend-

- Messaggi: 15754
- Iscritto il: 16 dic 2009, 11:10
- Località: Torino - 3° pianeta del Sistema Solare
48 messaggi
• Pagina 1 di 5 • 1, 2, 3, 4, 5
Chi c’è in linea
Visitano il forum: Nessuno e 41 ospiti

Elettrotecnica e non solo (admin)
Un gatto tra gli elettroni (IsidoroKZ)
Esperienza e simulazioni (g.schgor)
Moleskine di un idraulico (RenzoDF)
Il Blog di ElectroYou (webmaster)
Idee microcontrollate (TardoFreak)
PICcoli grandi PICMicro (Paolino)
Il blog elettrico di carloc (carloc)
DirtEYblooog (dirtydeeds)
Di tutto... un po' (jordan20)
AK47 (lillo)
Esperienze elettroniche (marco438)
Telecomunicazioni musicali (clavicordo)
Automazione ed Elettronica (gustavo)
Direttive per la sicurezza (ErnestoCappelletti)
EYnfo dall'Alaska (mir)
Apriamo il quadro! (attilio)
H7-25 (asdf)
Passione Elettrica (massimob)
Elettroni a spasso (guidob)
Bloguerra (guerra)

pigreco]=π
