Salve,
Supponiamo di avere un RADDRIZZATORE DI POTENZA del tipo:
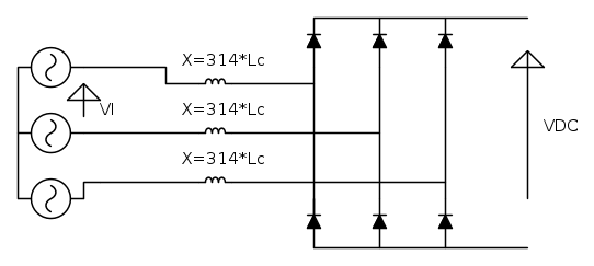
Il modello equivalente può essere il seguente (considerando le induttanze a monte non nulle):
La mia domanda è, supponendo che sia un raddrizzatore per una Sottostazione Elettrica alimentata da una linea in A.T. quanto potrebbe essere il valore di Lc in genere?
Vanno bene anche valori approssimativi.
Valore induttanze
Moderatori:
g.schgor,
IsidoroKZ
2 messaggi
• Pagina 1 di 1
0
voti
Salve
ciccio,
se il nodo della rete è in Italia, trovi qui il valore della potenza di corto circuito al nodo, da cui ti puoi ricavare il valore dell'impedenza e quindi dell'induttanza di corto (in AT puoi considerare l'impedenza di corto pari alla reattanza di corto). Tieni anche conto dell'impedenza di corto del trasformatore, non puoi connettere un convertitore AC/DC alla rete AT senza un trasformatore di conversione!
se il nodo della rete è in Italia, trovi qui il valore della potenza di corto circuito al nodo, da cui ti puoi ricavare il valore dell'impedenza e quindi dell'induttanza di corto (in AT puoi considerare l'impedenza di corto pari alla reattanza di corto). Tieni anche conto dell'impedenza di corto del trasformatore, non puoi connettere un convertitore AC/DC alla rete AT senza un trasformatore di conversione!
2 messaggi
• Pagina 1 di 1
Torna a Elettrotecnica generale
Chi c’è in linea
Visitano il forum: Nessuno e 172 ospiti

Elettrotecnica e non solo (admin)
Un gatto tra gli elettroni (IsidoroKZ)
Esperienza e simulazioni (g.schgor)
Moleskine di un idraulico (RenzoDF)
Il Blog di ElectroYou (webmaster)
Idee microcontrollate (TardoFreak)
PICcoli grandi PICMicro (Paolino)
Il blog elettrico di carloc (carloc)
DirtEYblooog (dirtydeeds)
Di tutto... un po' (jordan20)
AK47 (lillo)
Esperienze elettroniche (marco438)
Telecomunicazioni musicali (clavicordo)
Automazione ed Elettronica (gustavo)
Direttive per la sicurezza (ErnestoCappelletti)
EYnfo dall'Alaska (mir)
Apriamo il quadro! (attilio)
H7-25 (asdf)
Passione Elettrica (massimob)
Elettroni a spasso (guidob)
Bloguerra (guerra)




