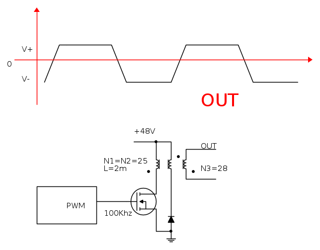
ciao vorrei calcolare la tensione alternata in uscita dal circuito in figura
in particolare mi interesserebbe conoscere le formule per il calcolo della tensione negativa che da misurazioni effettuate a oscilloscopio non mi risulta uguale alla V+
Fatemi sapere grazie
calcolo tensione uscita trafo
Moderatori:
carloc,
g.schgor,
BrunoValente,
IsidoroKZ
5 messaggi
• Pagina 1 di 1
0
voti
Difficile, ci vorrebbero più informazioni.
Da quello che vedo si scompone in due la parte forward e quella flyback.
La prima (forward) la troviamo nella fase in cui il mosfet è acceso e segue appunto le leggi del farward (praticamente il rapporto spire), mentre la fase in cui il mosfet è spento la corrente attraverso il diodo ed abbiamo la fase di flyback.
Per essere più precisi bisognerebbe sapere il carico al secondario e se si ha qualche tipo di retroazione.
Ciao.
Da quello che vedo si scompone in due la parte forward e quella flyback.
La prima (forward) la troviamo nella fase in cui il mosfet è acceso e segue appunto le leggi del farward (praticamente il rapporto spire), mentre la fase in cui il mosfet è spento la corrente attraverso il diodo ed abbiamo la fase di flyback.
Per essere più precisi bisognerebbe sapere il carico al secondario e se si ha qualche tipo di retroazione.
Ciao.

2
voti
In realta` per sapere la tensione negativa basta il rapporto spire. Per sapere quanto dura invece serve qualche info di piu`, ad esempio il duty cycle.
Per usare proficuamente un simulatore, bisogna sapere molta più elettronica di lui
Plug it in - it works better!
Il 555 sta all'elettronica come Arduino all'informatica! (entrambi loro malgrado)
Se volete risposte rispondete a tutte le mie domande
Plug it in - it works better!
Il 555 sta all'elettronica come Arduino all'informatica! (entrambi loro malgrado)
Se volete risposte rispondete a tutte le mie domande
5 messaggi
• Pagina 1 di 1
Chi c’è in linea
Visitano il forum: Nessuno e 224 ospiti

Elettrotecnica e non solo (admin)
Un gatto tra gli elettroni (IsidoroKZ)
Esperienza e simulazioni (g.schgor)
Moleskine di un idraulico (RenzoDF)
Il Blog di ElectroYou (webmaster)
Idee microcontrollate (TardoFreak)
PICcoli grandi PICMicro (Paolino)
Il blog elettrico di carloc (carloc)
DirtEYblooog (dirtydeeds)
Di tutto... un po' (jordan20)
AK47 (lillo)
Esperienze elettroniche (marco438)
Telecomunicazioni musicali (clavicordo)
Automazione ed Elettronica (gustavo)
Direttive per la sicurezza (ErnestoCappelletti)
EYnfo dall'Alaska (mir)
Apriamo il quadro! (attilio)
H7-25 (asdf)
Passione Elettrica (massimob)
Elettroni a spasso (guidob)
Bloguerra (guerra)





