Cos'è ElectroYou | Login Iscriviti

ElectroYou - la comunità dei professionisti del mondo elettrico

circuito stampato led a ritmo di musica

hi-fi, luci, suoni, effetti speciali, palcoscenici...

Moderatore: Foto UtenteIsidoroKZ

0
voti

[261] Re: circuito stampato led a ritmo di musica

Messaggioda Foto Utentemarco438 » 5 mar 2013, 15:02

ramboluis ha scritto:mi e venuto in mente un altro problema!

Mi piacerebbe sapere se hai capito come dovranno essere collegati i led e come verranno alimentati.
Perche' non fai uno schema in FidocadJ e ci fai vedere come faresti?
Sarebbe un modo per cominciare a capire qualcosa del circuito che stai costruendo.
marco
Avatar utente
Foto Utentemarco438
37,1k 7 11 13
-EY Legend-
-EY Legend-
 
Messaggi: 16323
Iscritto il: 24 mar 2010, 15:09
Località: Versilia

0
voti

[262] Re: circuito stampato led a ritmo di musica

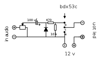
Messaggioda Foto Utenteramboluis » 5 mar 2013, 15:39

ecco lo schema, questo e come dovrebbe uscire la scheda

Avatar utente
Foto Utenteramboluis
80 1 7
Stabilizzato
Stabilizzato
 
Messaggi: 314
Iscritto il: 28 giu 2012, 18:39

0
voti

[263] Re: circuito stampato led a ritmo di musica

Messaggioda Foto Utenteezio3010 » 5 mar 2013, 16:48

va bene lo schema, e anche il collegamento dei led (che anche se non è disegnato nello schema, devono essere opportunamente collegati in serie/parallelo con relative resistenze)
Avatar utente
Foto Utenteezio3010
235 4 9
Expert
Expert
 
Messaggi: 571
Iscritto il: 20 giu 2012, 17:45

0
voti

[264] Re: circuito stampato led a ritmo di musica

Messaggioda Foto Utenteramboluis » 5 mar 2013, 16:55

Poi collegare i led e una cosa da niente.se avro problemi anche li allora e meglio che cambio hobby :mrgreen:
Spero solo di aver capito male il discorso della abbassamento di tensione mi pare me l avesse detto Foto UtenteTardoFreak spero in un suo intervento
Avatar utente
Foto Utenteramboluis
80 1 7
Stabilizzato
Stabilizzato
 
Messaggi: 314
Iscritto il: 28 giu 2012, 18:39

0
voti

[265] Re: circuito stampato led a ritmo di musica

Messaggioda Foto Utentemarco438 » 5 mar 2013, 17:34

ramboluis ha scritto:Spero solo di aver capito male il discorso della abbassamento di tensione mi pare me l avesse detto Foto UtenteTardoFreak spero in un suo intervento

Spiegati meglio.
marco
Avatar utente
Foto Utentemarco438
37,1k 7 11 13
-EY Legend-
-EY Legend-
 
Messaggi: 16323
Iscritto il: 24 mar 2010, 15:09
Località: Versilia

0
voti

[266] Re: circuito stampato led a ritmo di musica

Messaggioda Foto Utenteramboluis » 5 mar 2013, 17:37

intendevo la caduta di tensione fra il collettore e l'emitter del transistor che se non ho capito male era di 2 v pero non vorrei aver capito male io
pero letto questo intervento credo di aver capito correttamente
belva87 ha scritto:Tutti i transistor, sia essi BJT o mosfet, hanno una caduta di tensione tra C ed E (oppure tra D e S) quando impiegati come interruttori.
I mosfet hanno cadute minori rispetto ai BJT.
Avatar utente
Foto Utenteramboluis
80 1 7
Stabilizzato
Stabilizzato
 
Messaggi: 314
Iscritto il: 28 giu 2012, 18:39

0
voti

[267] Re: circuito stampato led a ritmo di musica

Messaggioda Foto Utentemarco438 » 5 mar 2013, 17:49

Nel caso in esame la caduta riveste importanza relativa, condiderato che il mosfet lavora come interruttore e che i led sono direttamente alimentati.
Dovrai comunque dimensionare adeguatamente le resistenze serie e, a questo proposito, sarebbe bene ci facessi sapere quali caratteristiche (tensione/corrente) hanno i led che intendi adoperare.
marco
Avatar utente
Foto Utentemarco438
37,1k 7 11 13
-EY Legend-
-EY Legend-
 
Messaggi: 16323
Iscritto il: 24 mar 2010, 15:09
Località: Versilia

0
voti

[268] Re: circuito stampato led a ritmo di musica

Messaggioda Foto Utenteezio3010 » 5 mar 2013, 17:54

poi la batteria dell'auto/moto in genere non è da 12V esatti, ma qualcosa di piu.se poi il motore è acceso si arriva a più di 13V se non erro
Avatar utente
Foto Utenteezio3010
235 4 9
Expert
Expert
 
Messaggi: 571
Iscritto il: 20 giu 2012, 17:45

0
voti

[269] Re: circuito stampato led a ritmo di musica

Messaggioda Foto Utenteramboluis » 5 mar 2013, 17:57

il problema e propri questo,spiego meglio:
io vorrei usare le classiche ''striscie led'' perche sono rgb e perche le ho gia a casa ,queste striscie escono pero gia di fabbrica per essere collegate ai 12 v e hanno gia tutte le resistenze, per lo piu e componentistica SMD su cui no me la sento di lavorare vista la mia abilita a saldare :D
i led '' normali'', cioe quelli questi
Immagine

hanno un fascio di soli 20°

ora pensavo di utilizzare quelli da 180°
che pero hanno un costo piu elevato
questi:
http://www.ebay.it/itm/50-LED-ALTA-LUMI ... 267wt_1165
direi che e il caso di rassegnarmi e usare quelli da 180°
Avatar utente
Foto Utenteramboluis
80 1 7
Stabilizzato
Stabilizzato
 
Messaggi: 314
Iscritto il: 28 giu 2012, 18:39

0
voti

[270] Re: circuito stampato led a ritmo di musica

Messaggioda Foto Utenteramboluis » 5 mar 2013, 17:58

ezio3010 ha scritto:poi la batteria dell'auto/moto in genere non è da 12 V esatti, ma qualcosa di piu.se poi il motore è acceso si arriva a più di 13V se non erro


il tutto era pensato per essere alimentato a 12 v con un alimentatore
Avatar utente
Foto Utenteramboluis
80 1 7
Stabilizzato
Stabilizzato
 
Messaggi: 314
Iscritto il: 28 giu 2012, 18:39

PrecedenteProssimo

Torna a Elettronica e spettacolo

Chi c’è in linea

Visitano il forum: Nessuno e 19 ospiti