ok, vado adesso così ti so dire
Grazie intanto...
LED di stato
21 messaggi
• Pagina 2 di 3 • 1, 2, 3
0
voti
[12] Re: LED di stato
Fatto... recuperato tutto come da istruzioni... ho preso anche una basetta 1000 fori che immagino serva per il circuitino e il led che ho trovato con anodo comune.
Qui le foto dei componenti se vuoi controllare che siano ok
NON usare server esterni; usa il comando invia allegato.
Ora attendo istruzioni, grazie
Qui le foto dei componenti se vuoi controllare che siano ok
NON usare server esterni; usa il comando invia allegato.
Ora attendo istruzioni, grazie
2
voti
[13] Re: LED di stato
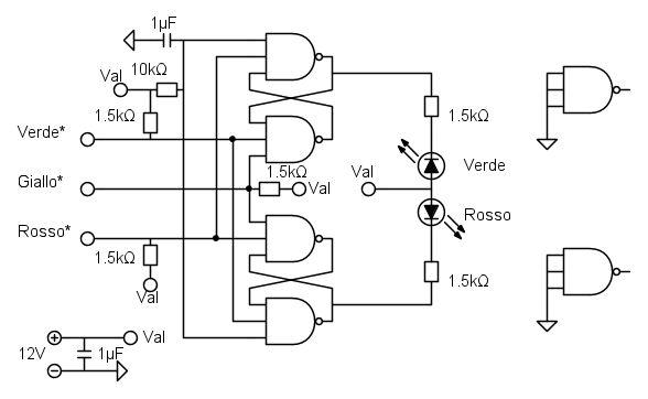
Questo, se non ho preso troppe papere, e` lo schema.
Ogni integrato contiene 3 porte, se ne usano solo due. Ciascun integrato deve essera alimentato, non ho indicato le alimentazioni, che vanno sul piedino 7 e 14.
L'alimentazione viene presa dall'antifurto. Per favore, senza collegare nulla, misura la tensione di uscita sui morsetti 8, 9 e 10 quando non sono bassi. La tensione va misurata rispetto al negativo dell'alimentazione.
Per il momento la resistenza da 47ohm non la uso, bisogna vedere che dice la misura precedente.
All'accensione del circuito il led e` spento (forse, dipende da quanto in fretta va su l'alimentazione) perche' non sa in che situazione e` l'antifurto. Appena l'antifurto dice qualcosa si accende il colore corrispondete che rimane acceso fino al successivo comando.
Se hai problemi con le basette c'e` un tutorial di
TardoFreak e
marco438 che spiega passo passo come fare i montaggi.
Ogni integrato contiene 3 porte, se ne usano solo due. Ciascun integrato deve essera alimentato, non ho indicato le alimentazioni, che vanno sul piedino 7 e 14.
L'alimentazione viene presa dall'antifurto. Per favore, senza collegare nulla, misura la tensione di uscita sui morsetti 8, 9 e 10 quando non sono bassi. La tensione va misurata rispetto al negativo dell'alimentazione.
Per il momento la resistenza da 47ohm non la uso, bisogna vedere che dice la misura precedente.
All'accensione del circuito il led e` spento (forse, dipende da quanto in fretta va su l'alimentazione) perche' non sa in che situazione e` l'antifurto. Appena l'antifurto dice qualcosa si accende il colore corrispondete che rimane acceso fino al successivo comando.
Se hai problemi con le basette c'e` un tutorial di
Per usare proficuamente un simulatore, bisogna sapere molta più elettronica di lui
Plug it in - it works better!
Il 555 sta all'elettronica come Arduino all'informatica! (entrambi loro malgrado)
Se volete risposte rispondete a tutte le mie domande
Plug it in - it works better!
Il 555 sta all'elettronica come Arduino all'informatica! (entrambi loro malgrado)
Se volete risposte rispondete a tutte le mie domande
0
voti
[14] Re: LED di stato
Per favore, senza collegare nulla, misura la tensione di uscita sui morsetti 8, 9 e 10 quando non sono bassi.
Ma non posso misurare la tensione ai morsetti (o sì?) quando entra in funzione perché, come detto nei post precedenti, i led che sono collegati ora hanno sempre il positivo collegato (preso l'alimentazione dal morsetto 12 v ausiliario)... i tre morsetti che si "attivano" per qualche secondo, forniscono il negativo, non il positivo...
Quindi il led si accende per un po' solo perché il morsetto corrispondente (8, 9, o 10) gli dà il negativo...
Poi altra cosa: l'integrato ha una numerazione dei piedini?... perché sinceramente o non me ne sono reso conto oppure non c'è...
Grazie
1
voti
[15] Re: LED di stato
A me interessa la tensione di uscita, rispetto al negativo, quando le uscite NON sono attive. Mi serve capire se sono degli open collector oppure dei totem pole.
La piedinatura delle porte la trovi sul data sheet dell'integrato, ad esempio qui. Non avevo voglia di scrivere tutta la piedinatura, dato che le tre porte per ogni integrato sono equivalenti fra di loro e i tre piedini di ingresso di ogni singola porta pure, puoi usare i piedini piu` comodi.
La piedinatura delle porte la trovi sul data sheet dell'integrato, ad esempio qui. Non avevo voglia di scrivere tutta la piedinatura, dato che le tre porte per ogni integrato sono equivalenti fra di loro e i tre piedini di ingresso di ogni singola porta pure, puoi usare i piedini piu` comodi.
Per usare proficuamente un simulatore, bisogna sapere molta più elettronica di lui
Plug it in - it works better!
Il 555 sta all'elettronica come Arduino all'informatica! (entrambi loro malgrado)
Se volete risposte rispondete a tutte le mie domande
Plug it in - it works better!
Il 555 sta all'elettronica come Arduino all'informatica! (entrambi loro malgrado)
Se volete risposte rispondete a tutte le mie domande
0
voti
[16] Re: LED di stato
L'argomento interessa anche a me, però non riesco a capire il funzionamento del NAND con tre ingressi.
Dati tre ingressi A,B,C mi viene da scrivere: NAND (A,B,C) = NOT ( A AND B AND C)
che dipende dall'ordine in cui vengono eseguite le operazioni, ne consegue che la piedinatura è fondamentale.
Siccome dal datasheet e da quello che ha scritto
IsidoroKZ la piedinatura degli ingressi non mi sembra importante, immagino ci sia una qualche convenzione che ignoro.
Posso azzardare un'ipotesi: NAND (A,B,C) = NOT ( (A AND B) AND (B AND C) ) per cui vale la proprietà commutativa.
E' giusta la mia ipotesi?

Dati tre ingressi A,B,C mi viene da scrivere: NAND (A,B,C) = NOT ( A AND B AND C)
che dipende dall'ordine in cui vengono eseguite le operazioni, ne consegue che la piedinatura è fondamentale.
Siccome dal datasheet e da quello che ha scritto
Posso azzardare un'ipotesi: NAND (A,B,C) = NOT ( (A AND B) AND (B AND C) ) per cui vale la proprietà commutativa.
E' giusta la mia ipotesi?

Non cercare di piegare il cucchiaio. È impossibile. Cerca invece di fare l'unica cosa saggia: giungere alla verità. Il cucchiaio non esiste. Allora ti accorgerai che non è il cucchiaio a piegarsi, ma sei tu stesso!
2
voti
[17] Re: LED di stato
Praticamente tutte le algebre (almeno quelle utili) sono associative: (A AND B) AND C e` uguale a A AND (B AND C).
Per usare proficuamente un simulatore, bisogna sapere molta più elettronica di lui
Plug it in - it works better!
Il 555 sta all'elettronica come Arduino all'informatica! (entrambi loro malgrado)
Se volete risposte rispondete a tutte le mie domande
Plug it in - it works better!
Il 555 sta all'elettronica come Arduino all'informatica! (entrambi loro malgrado)
Se volete risposte rispondete a tutte le mie domande
0
voti
[18] Re: LED di stato
Ciao, scusa il ritardo ma sono stato via tutto il giorno...
Allora, ho misurato la tensione al momento dell'inserimento e quando cessava il segnale su tutti e tre i morsetti: all'inserimento o disins. 13.25 V (morsetto negativo); a riposo (senza segnale) 00,00 V
Allora, ho misurato la tensione al momento dell'inserimento e quando cessava il segnale su tutti e tre i morsetti: all'inserimento o disins. 13.25 V (morsetto negativo); a riposo (senza segnale) 00,00 V
0
voti
[19] Re: LED di stato
Non ho capito: da come lo descrivi quando il led e` acceso sembra che fra uscita e morsetto negativo dell'alimentazione ci siano 13V, mentre le caratteristiche dicono che c'e` un segnale negativo (basso) in uscita.
Hai messo il puntale nero del tester sul negativo dell'alimentazione e il puntale rosso su uno dei morsetti 8 9 o 10?
Hai messo il puntale nero del tester sul negativo dell'alimentazione e il puntale rosso su uno dei morsetti 8 9 o 10?
Per usare proficuamente un simulatore, bisogna sapere molta più elettronica di lui
Plug it in - it works better!
Il 555 sta all'elettronica come Arduino all'informatica! (entrambi loro malgrado)
Se volete risposte rispondete a tutte le mie domande
Plug it in - it works better!
Il 555 sta all'elettronica come Arduino all'informatica! (entrambi loro malgrado)
Se volete risposte rispondete a tutte le mie domande
0
voti
[20] Re: LED di stato
21 messaggi
• Pagina 2 di 3 • 1, 2, 3
Chi c’è in linea
Visitano il forum: Nessuno e 13 ospiti

Elettrotecnica e non solo (admin)
Un gatto tra gli elettroni (IsidoroKZ)
Esperienza e simulazioni (g.schgor)
Moleskine di un idraulico (RenzoDF)
Il Blog di ElectroYou (webmaster)
Idee microcontrollate (TardoFreak)
PICcoli grandi PICMicro (Paolino)
Il blog elettrico di carloc (carloc)
DirtEYblooog (dirtydeeds)
Di tutto... un po' (jordan20)
AK47 (lillo)
Esperienze elettroniche (marco438)
Telecomunicazioni musicali (clavicordo)
Automazione ed Elettronica (gustavo)
Direttive per la sicurezza (ErnestoCappelletti)
EYnfo dall'Alaska (mir)
Apriamo il quadro! (attilio)
H7-25 (asdf)
Passione Elettrica (massimob)
Elettroni a spasso (guidob)
Bloguerra (guerra)




